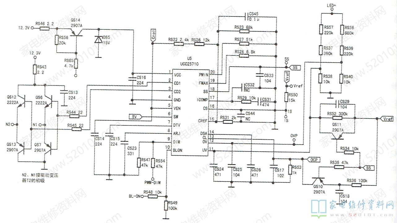
接修一台长虹LED48C2080型液晶电视,故障表现为开机后背光不亮。此机的电源组件型号为JCL35D-1MK 400。上电,测LED+电压为0V,说明由UCC25710( U5 )组成的背光电路没有工作。测U5①脚11.5V供电正常,⑤脚5V基准电压也正常。将电源输出的12V电压通过一只570k电阻接入U5的10脚(BLON)、⑨脚(DIM),发现U5的②、③脚电压有变化,由此判断U5可能进入保护状态。U5的11脚(UV )为LED供电低压检测端,参见图1,对其外接的RS52、RS37、RS38、RS57测试正常;测12脚(0V)过压检测电路中的RS39、RS40、RS58,均正常。
接下来检查恒流控制电路,如图2所示,U5⑥脚输出灯电流控制信号,经IQS8、QS9推挽放大后控制QS1的导通程度来控制灯电流,同时灯电流又经RS16反馈给U5,以实现LED工作电流的闭环控制。经查,灯电流检测电阻RS51开路,将其换新后故障排除。
版权声明:本文为转载文章,版权归原作者所有,欢迎分享本文,转载请保留出处!
