用示波器检修TCL L37E9E液晶电视自动关机的故障

2022-10-16 18:45:18  阅读 1258 次 评论 0 条
摘要:

接修一台TCL L37E9E型液晶电视,刚开机一切正常,一会儿后自动关机,随后又自动重启。据一位维修人员说,该机遭雷击后三无,电源板损坏严重,于是在网上花120元钱买了一块原机的电源板,上机后就出现上述故

       接修一台TCL L37E9E型液晶电视,刚开机一切正常,一会儿后自动关机,随后又自动重启。据一位维修人员说,该机遭雷击后三无,电源板损坏严重,于是在网上花120元钱买了一块原机的电源板,上机后就出现上述故障,怀疑主板也被雷击损坏,找到笔者帮修主板。首先检查主板上的DC-DC转换电路,没有发现问题。会不会网上买的电源板有问题呢?用示波器监测5Vsb电压,显示直流电压为5.1V,且交流纹波不大,约20min后示波器显示屏上的水平亮线突然下移约1V,随即又恢复正常,此时电视机自动关机又自动重启。

      是电源还是主板引起5Vsb电压瞬间下降呢?在5Vsb电路里串联了一只电流表,监测电流:刚开机为350mA,蓝屏时为870mA,有信号时为950mA。过了一会儿后,电流突然从950mA回到350mA,此时电视出现故障。分析认为:故障时电流并没有增大,而5Vsb电压瞬间下降,说明故障部位在开关电源中。为了验证判断,特做了以下试验:用示波器监测5Vsb电压,在电视机正常工作时,用镊子将电源板上的sb端(电压为2.2V)与地短路后又马上断开,以模拟自动关机和重启,示波器屏上的亮线没有移动现象,说明开/待机状态不影响5Vsb的稳定,确认故障部位在开关电源中,并且副电源异常的可能性最大。

       仔细观察,发现电源板热端的一片散热片缺-颗螺丝,如图1所示。

用示波器检修TCL L37E9E液晶电视自动关机的故障 第1张

       该螺丝是散热片与热地的唯一连接点,难道是该散热片没有接地产生的干扰导致副电源工作异常?于是用示波器测该散热片上的电压波形,竟然有幅值为150Vp-p的脉冲,如图2所示。

用示波器检修TCL L37E9E液晶电视自动关机的故障 第2张

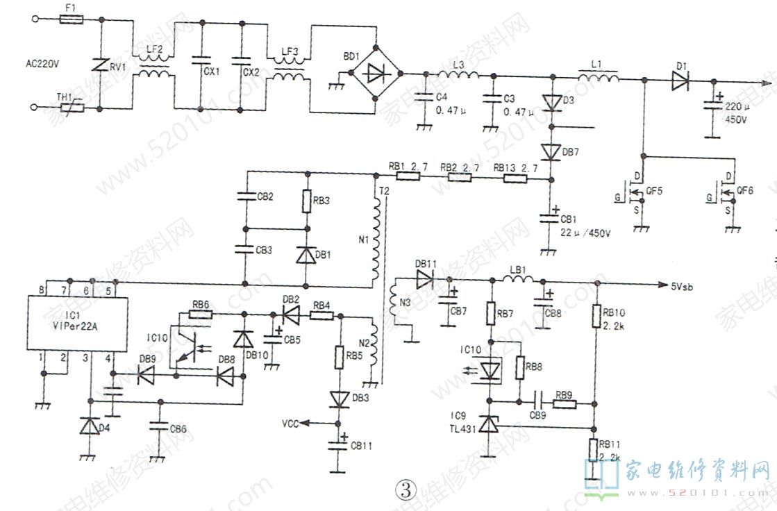
      于是找一只带垫片且粗细合适的螺丝拧上,让散热片与地接触良好,试机一个小时故障未出现。令人不解的是:.上述散热片上只有PFC整流二极管D2和PFC开关QF5、QF6三只元件,并且该散热片离副电源较远,难道故障另有原因?决定检查副电源。该机副电源电路如图3所示。

用示波器检修TCL L37E9E液晶电视自动关机的故障 第3张

       交流市电经过CX1、LF2、CX2、LF3高频滤波后,加在整流电桥BD1上,在C4、C3上产生约300V的脉动直流电压,通过开关变压器T2的N1绕组,加到IC1(VIPer22A)的⑤~⑧脚上,电路起振。N2绕组产生的感应电压分两路:一路经RB4限流.DB2整流,在电容CB5上产生约20V直流电压,供副电源本身使用;另一路经电阻RB5限流流、DB3整流,在电容CB11上产生约20V的直流电压,给PFC和主电源芯片供电。N3绕组产生的感应电压经二极管DB11整流,在电容CB7、CB8上产生5V直流电压5Vsb。

      当5Vsb电压升高时,电阻RB11上分压变大,即三端精密稳压IC9的R极电压升高,则K极电压下降,光耦IC10的导通程度加深,IC1的④脚电压升高,内部开关管导通时间缩短,输出电压下降,从而使5Vsb保持不变;当5Vsb电压下降时,其稳压过程与上述相反。
     由图3可知,副电源的供电并不是取自PFC端,而是取300V,那么PFC电路散热片上的纹波怎么会影响副电源工作呢?为了防止故障复发,更换了副电源块VIPer22A及与稳压关的IC9、IC10、RB10、RB11等元件。连续多天试机均正常,故障排除。
     体会:示波器不但能测交流信号,还能测直流电压,即使是瞬间变化的直流电压也能测出。在例检修中示波器功不可没!如果没有采用示波器,有可能会认为新购的开关电源板正常,而去修主板,从而误入歧途!

版权声明:本文为转载文章,版权归原作者所有,欢迎分享本文,转载请保留出处!