一台长虹液晶电视,采用的是JCL35D-2MC 400(图纸)型晶辰电源板,故障表现为背光闪灭。检查背光驱动电压LED+1输出是否正常- +正常,则检查前端60V供电是否正常->异常,检查PFC(IC1)和高压谐振控制(IC2)及电路工作是否正常;若60V供电正常,检查背光驱动芯片ICL1(PF7001)及电路工作是否正常->检测背光驱动芯片ICL1的背灯过流保护电路是否异常。
从该故障现象分析,初步判断应该与背光驱动电压异常,或背灯控制电路发生故障,或灯串短路有关。那我们还是先分析一下该二合一电源的背光驱动电路工作原理吧。
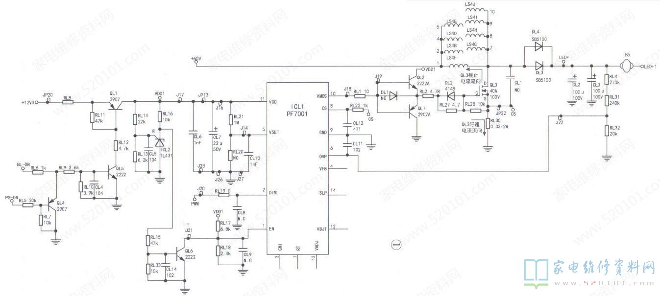
LED+1的背光驱动电压形成:二次开机主板正常工作后,输出高电平开待机控制信号(PS-ON),加至QL4的基极,由于QL4是PNP三极管,故处于截止状态,不影响相连电路QL5的工作状态。而输出的5V高电平背灯开关信号(BL-ON,单独维修电源板也可模拟接5V电压)加至QL5的基极,由于QL5是NPN三极管,故处于饱和导通状态。此时,电源板产生的12V供电,送至QL1的发射极,由于QL1是PNP三极管,加之QL5饱和导通,使QL1的基极电压强行拉低而导通,产生给背光驱动芯片ICL1(PF7001 )的11脚VCC供电,并且背灯开关信号还送给ICL1的使能控制①脚,其工作电压是由VDD1(VCC)通过分压而形成的。同时,由主板发出的PWM调光信号( 单独維修电源板也可模拟接3V电压)送至背光驱动芯片ICLI(PF7001)的②脚。外部条件全部满足后,背光驱动芯片ICLI(PF7001)内部开始启动工作,从10脚输出背光驱动脉冲,控制MOS管QL3处于导通与截止的开关状态。当QL3导通时,在储能电感LS4中开始储能,并形成左正右负的感应电动势;当QL3截止时,储能电感LS4开始释能,电流变为左负右正,此时电源形成的60V电压与在储能电感上的储能电压叠加,经DL3、DL4向电容CL2、CL3充电,产生LED+1背灯驱动电压135V,再经插座CON2的①、②脚输出,点亮背光灯串。见图1所所示。
对此,首先检查背光驱动电压LED+1,结果发现135V电压开机时正常,随后掉落至几乎为0V,同时,检测升压MOS开关管QL3、过流检测电阻RI30(0.03Ω/2W)及ICL1的⑧脚(CS),没有发现有任何击穿或变质异常情况,由此说明该故障现象不应该是背光驱动的升压电路和MOS管过流电路出现问题,而应该是背灯电流控制电路或灯串短路而引起的保护。
那么,背灯电流控制电路是如何工作的呢?
从其电路分析,背灯电流控制电路是由背光驱动芯片ICL1(PF7001)和均流控制三极管QL9~QL12,以及过压检测双向二级管DL5、DL6和背灯过流检测电阻RL37~RL52组成。其中,ICL1的12脚为VBJT均流控制输出端,外接均流控制三极管QL8的基极,13脚为VADJ的LED电流设置输出,外接均流控制三极管QL9的发射极。而均流控制三极管QL9、QL10和QL11、QL12,分别组成LED1-、LED2-两支电流控制电路,其导通程度受QL8控制,由ICL1通过10脚输出的驱动脉冲电压和③脚设置的电压,对LED灯串电流电路实施控制,确保各路灯串电流大小相等,背光灯串发光均匀稳定,达到调整屏幕亮度和均衡度的目的。
再者,LED1-和LED2-的LED背灯负极的反馈电压,经过DL5和DL6两只双向二极管组成的检测电路,一路输出负极性的VFB检测电压送至ICL1的④脚,一路输出正极性的SLP(灯条短路保护电压送至ICL1的14脚。若LED背光灯串发生开路或短路故障时,反馈到ICL1的④脚或14脚的电压达到保护的设计参考值时,ICL1内部保护电路启动,背光驱动电路停止工作。
经过实际电路检测发现,背灯电流控制电路中的过流检测电阻RI37、RL39(15Ω)已变质,原以为更换之,故障可排除,然而,上机通电后故障依旧。仔细分析其原因得知:既然是过流检测电阻RL37、RL39有变质的情况,且均流检测三极管QL9也已击穿,那么可断定的是灯串短路造成过流引起。通过LED检测仪检查,发现其中一组的背光灯串确已短路,顺路再检测输出的正极性反馈电压经过双向二极管DL5送达ICL1的14脚,已超过设计参考电压值(0.5V )达1.2V,从而引起内部保护电路起控。最后,更换一路灯串和QL9、RL37、RL39,该二合一电源板上电输出背光驱动电压一切正常。PF7001 引脚功能见表1所示,故障部位如图2所示。

提示:对于维修市场中,液晶电视出现开机屏幕亮而后黑屏有声或闪灭的故障现象,多半为背光灯串有短路(尤其是大尺寸屏,因其功耗大而更易损坏),造成背灯电流控制电路故障,其异常电压直接反馈至背光驱动芯片的过压、过流等检测脚,超过内部保护电路设定的参考电压值而起控保护。再者,在检测背灯电流控制电路时,除了发现已有元器件损坏外,还得必须注意检测灯串有无开路或短路情况,以降低元器件二次损坏率。

