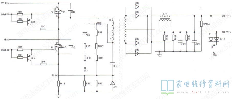
接修一台长虹55D2000i液晶电视(ZLS59G-i机芯),开机后黑屏,背光不亮。此机采用MPL70D-2MD400-A型电源板。检查电源板上的背光驱动电路,如图所示,发现功率管QH1短路,整流二极管DH6~DH9( SSF3GGX4)无明显异常。
更换CH1后,拆下保险管,用一只100W/220V灯泡代替保险管,再用一只10k电阻跨接在12V与PS-ON、BL-ON和ADJ端上,通电测量背光驱动输出电压为0V,说明背光驱动电路还有问题。代换驱动芯片LC6599后通电,背光仍不亮,检查LC6599供电为13V ( 正常),怀疑整流二极管DH6~DH9异常,拆下这4只二极管逐一检测,发现DH6、DH9正反向电阻均约为5k,明显异常。
为保证可靠,将DH6~DH9全部换新后试机,故障排除。
版权声明:本文为转载文章,版权归原作者所有,欢迎分享本文,转载请保留出处!
