海尔L42B3500W液晶电视黑屏有声音的故障维修

2023-02-11 04:48:58  阅读 1318 次 评论 0 条
摘要:

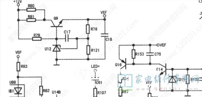
接修一台海尔L42B3500W,故障表现为黑屏有声音,用测试仪查灯条是好的。开机看到背光闪下就黑。电源板号401-2G201-D4702HK(图纸),造成此故障的原因是恒流板部分5V形成电路不良,不能输出

       接修一台海尔L42B3500W,故障表现为黑屏有声音,用测试仪查灯条是好的。开机看到背光闪下就黑。电源板号401-2G201-D4702HK(图纸),造成此故障的原因是恒流板部分5V形成电路不良,不能输出稳定5V引起,看图,红色标志的Q9更换就好。用电磁炉贴片8050管换下,立马见好。U12是贴片TL431,与Q9靠近。

海尔L42B3500W液晶电视黑屏有声音的故障维修 第1张

海尔L42B3500W液晶电视黑屏有声音的故障维修 第2张

海尔L42B3500W液晶电视黑屏有声音的故障维修 第3张

版权声明:本文为转载文章,版权归原作者所有,欢迎分享本文,转载请保留出处!