长虹55D2000i液晶电视二次不开机的故障维修

2022-03-24 19:20:43  阅读 948 次 评论 0 条
摘要:

接修一台长虹55D2000i液晶电视,二次不开机。上电试机,二次开机后,指示灯快速闪烁,且指示灯亮度偏暗。测量主板插头CON19中的12.3V供电在8V~12V之间波动;拔下电源板到主板的供电插线,测电源

      接修一台长虹55D2000i液晶电视,二次不开机。上电试机,二次开机后,指示灯快速闪烁,且指示灯亮度偏暗。测量主板插头CON19中的12.3V供电在8V~12V之间波动;拔下电源板到主板的供电插线,测电源板输出的12V电压正常。为了区分故障部位,在电源板的12V输出端接一只20W/12V灯泡,上电后12V电压仍波动,由此确认问题在电源板上。该机电源板型号是HLS70D-2MD400,采用NCP1607A(PFC电路) +NCP1271A (12.3V 电源)=UCC25710(LED控制电路)方案。

长虹55D2000i液晶电视二次不开机的故障维修 第1张

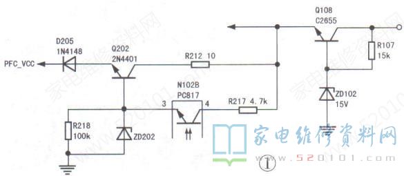
      测量NCP1271A供电为0V,明显异常。该供电由Q108( C2655 )、ZD102(15V )等元器件组成的串联稳压电路提供,如图1所示。测量Q108的c极电压约为17V、b极电压约为16V,但e极电压为0V,判断Q108损坏,换新Q108后试机,故障排除。

      此时测得Q108的c、b、e极电压分别是15V、14.5V和13.8V。

      提示:在该型电源板中,Q108及其b极的15V稳压二极管ZD102故障率较高。

版权声明:本文为转载文章,版权归原作者所有,欢迎分享本文,转载请保留出处!