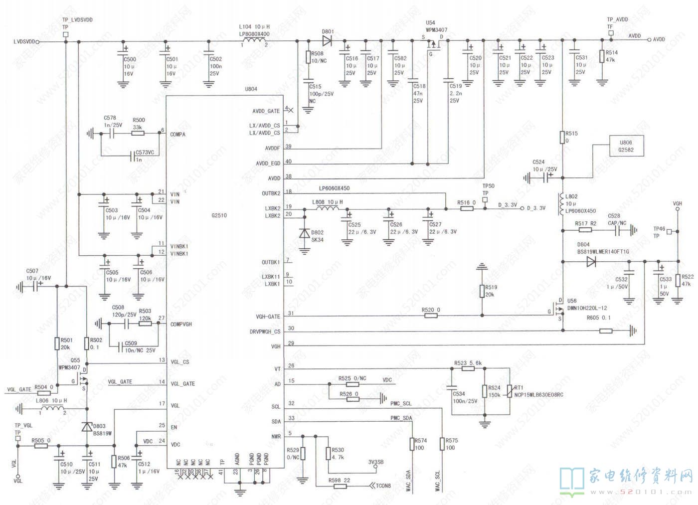
接修一台长虹50D3700i (LJ6Q)型机(ZLM61HiP]2机芯),故障表现为开机后声音正常,背光亮,无图像。为快速区分故障在逻辑板还是主板,首先测量主板上MOS管U23(3401)输出的上屏电压为12V,这说明故障在逻辑板上。该机逻辑板电路的电压变换芯片采用G2510(U804),如图所示。
测量U804 11、12、21、22脚电压为12V,U54 ( WPM3407)D极输出的AVDD电压为0V(正常值为16.1V),D801 正、负端对地电压均为12V , U804 25脚(EN) 电压为5V。上述检测说明U804的供电与EN信号正常,但没起振。断电后用数字表二极管挡测量AVDD端对地值约为0.23Ω(正常值约为0.89Ω);断开R515后再测,对地值恢复正常。检测U56正常,转向测U806( G2582 )供电端对地阻值, 偏小, 判定U806损坏,将其换新后,故障排除。
版权声明:本文为转载文章,版权归原作者所有,欢迎分享本文,转载请保留出处!
