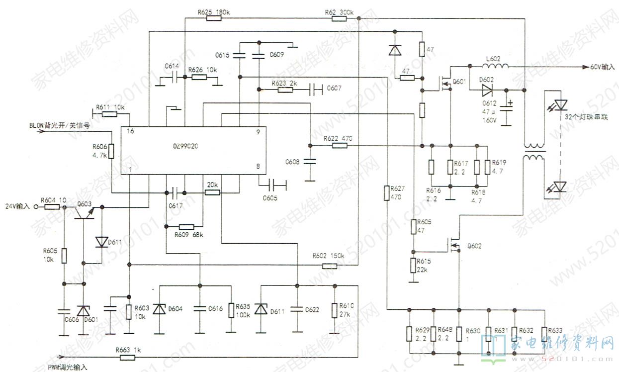
一台先锋LED-39B300液晶电视,有声无光,开机时背光会闪一下,但时间极短。该机实绘背光板电路如图1所示,其工作原理大致是:从电源板输出的24V直流电压,经Q603降压成12V后为背光控制芯片OZ9902C提供工作电压,当其③脚(背光开启信号BLON)为高电平时(3V), 芯片开始工作,通过15脚输出驱动脉冲至Q601控制栅极,将60V电压提升后为LED供电,①脚和13脚分别是LED灯供电电压的欠压和过压保护检测端,其中R602、R603 取样电压送至①脚,该脚电压<3V芯片进行欠压保护;R624/625和R626取样电压则加至13脚,该脚电压>3V芯片进行过压保护。Q601的S极与“地”之间的4只并联电阻组成电流取样取样信号经R622送芯片12脚,该脚电压>0.5V芯片进行过流保护。Q602是LED灯珠恒流控制管,S极与“地”之间的6只并联电阻对灯珠电流进行取样,取样信号经R627送至芯片10脚进行恒流控制,恒流值和S极并联电阻阻值成反比。
OZ9902C的⑥脚是调光控制(正常电压为2.9V),⑦脚是脉冲或电压调光方式的选择控制脚(正常电压为3.4V), 该脚如果接高电平,则LED发光亮度和⑥脚的脉冲占空比成正比,⑦脚如果接低电平,LED发光亮度和⑥脚的直流电压成正比,本机采用脉冲调光方式,因此⑦脚通过R608接④脚基准电压(正常电压为5V)为高电平。根据本例故障现象,初步判断背光板由于某种原因产生了保护,经查,发现在二次开机后13脚电压快速上升到3V左右,这说明芯片过压保护了,三个原因可以引起过压保护,-是R624、R625或线路板存在漏电现象;二是R626阻值变大;三是LED供电电压升高。其中C612.上的电压是个关键测试点,这个电压并不是一个恒定的电压,它和LED亮度有关,亮度降低该电压会升高,如果LED灯条存在开路情况,该电压会大幅度.上升,这将引起0Z9902的13脚(正常电压1.09V )取样电压>3V而进行过压保护。从上取样电阻R624、R625和分压电阻R626阻值的比例以及芯片13脚的过压保护启动阈值,推算出过压保护时灯条供电电压为140V左右,根据这一依据,检测发现上电时C612二端电压先是上升到140V,然后又回到60V,说明确实是该电压太高引起了保护,产生这一现象的原因只有一种,那就是灯条有开路情况,用自制耐压测试仪(电路如图2所示)检测灯条发现灯条两端电压是120V左右,且不稳定,小心拆开屏体发现该灯条是由32个灯珠串联而成,用数字万用表红表笔接灯珠+,黑表笔接灯珠一,,逐个检测灯珠都是好的,至此感觉有些茫然,供应电压远超灯条点亮电压(灯条估算电压32个灯珠 x 3V= 96V),为何灯条不能正常工作呢?仔细观察发现灯珠4个组成一排,共8排,排与排之间用接插线连接,是否接插件接触不良影响灯条工作呢,把所有接插件拔下来清理插座的插针,再把插头用老虎钳夹一下,重新插好再用测试仪测一下,灯珠全部发光(由于电流很小,发光较暗),电压下降到85V,上电开机灯条发光正常,灯条两端电压90V,故障排除。
