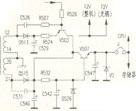
如图,                     经检查,几乎都是5V供电调整管V507损坏所致。同时损坏的还有D526、V507e极对地所接的稳压二极管“VD”(此二极管安装在印制板的背面,在图纸上未标注此元件)。 严重时也有存储器N201和CPU同时损坏的。是什么原因造成这些故障的呢?经分析认为:造成此故障的原因一是V507(SD882)存在质量问题,二是D526和所加接的二极管“VD”取值不当。实际电路中D526为6B1,“VD”为   6C 2。通过分析,对此故障本人采用了两种修改方法:(1)用品质优良的C2594代替SD882,将D526改为5.6V、“VD”改为5.1V稳压二极管,去掉输出级跳线“J”,接入0.56Ω、1/2W保险电阻,并在电阻的输出端对地再增接一只1/4W、5.1V稳压二极管,这样有利于对CPU和存储器的保护。(2)去掉D526不用,将R532改为4.7Ω/5W碳膜电阻,用KA7805三端稳压块并加装散热片接入原V507的位置,切断7805中间脚外接铜箔,用导线将其接地脚与线路板地端就近连接,去掉跳线“J”,将7805三端稳压块的中间脚折弯后装入原“J”位置。另外,在KA7805的输出端对地增接1/4W、5.1V稳压二极管和47μF/16V电容,用导线将7805的接地脚和线路板睥地端就近连接,并为KA7805装上散热片。经上述两种方法修改后,都取得了满意的效果。
严重时也有存储器N201和CPU同时损坏的。是什么原因造成这些故障的呢?经分析认为:造成此故障的原因一是V507(SD882)存在质量问题,二是D526和所加接的二极管“VD”取值不当。实际电路中D526为6B1,“VD”为   6C 2。通过分析,对此故障本人采用了两种修改方法:(1)用品质优良的C2594代替SD882,将D526改为5.6V、“VD”改为5.1V稳压二极管,去掉输出级跳线“J”,接入0.56Ω、1/2W保险电阻,并在电阻的输出端对地再增接一只1/4W、5.1V稳压二极管,这样有利于对CPU和存储器的保护。(2)去掉D526不用,将R532改为4.7Ω/5W碳膜电阻,用KA7805三端稳压块并加装散热片接入原V507的位置,切断7805中间脚外接铜箔,用导线将其接地脚与线路板地端就近连接,去掉跳线“J”,将7805三端稳压块的中间脚折弯后装入原“J”位置。另外,在KA7805的输出端对地增接1/4W、5.1V稳压二极管和47μF/16V电容,用导线将7805的接地脚和线路板睥地端就近连接,并为KA7805装上散热片。经上述两种方法修改后,都取得了满意的效果。
			版权声明:本文为转载文章,版权归原作者所有,欢迎分享本文,转载请保留出处!
			
		
		
		
		
		
		
	