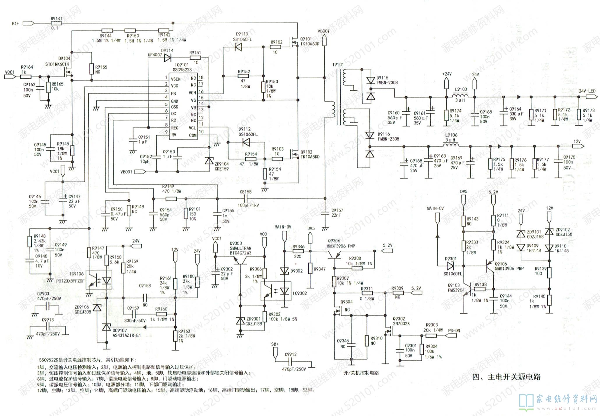
该型电源背光二合一板以集成块R2A20113A (IC9801) 为核心组成PFC (功率因数校正)电路,将整流滤波后的市电提升到+380V,为主、副开关电源供电;以集成块
A6069H(IC9301)为核心组成副开关电源,产生5.2V和VCC电压,5.2V为主板控制系统供电,VCC电压经开/关机电路控制后为PFC和主电源控制IC供电;以集成路SSC9522S (1C9101 )为核心组反或的主开关电源,产生24V-LED、+12V电压,为主板和背光驱动电路供电。
LED背光驱动电路由两部分组成:二是由驱动控制电路LD74006SC(IC8103)为核心组成升压电路。对24V-LED电压升压,输出VLED电压。为LED灯串供电:二是由16只集成块PF7700S(168501~1C8516)组成LED灯串电流控制电路,对LED灯串的负极电压进行控制,达到调整背光亮度和稳定LED灯串电流的目的。
LED背光驱动电路由两部分组成:二是由驱动控制电路LD74006SC(IC8103)为核心组成升压电路。对24V-LED电压升压,输出VLED电压。为LED灯串供电:二是由16只集成块PF7700S(168501~1C8516)组成LED灯串电流控制电路,对LED灯串的负极电压进行控制,达到调整背光亮度和稳定LED灯串电流的目的。
适用机型:长虹LT42920E、冠捷LE42A5330、LE42A5380、创维46E7CRD、 42E320E、 42E320D、 42E320D、 46E300D,海尔LE42B70、LE46A390P等 。
版权声明:本文为转载文章,版权归原作者所有,欢迎分享本文,转载请保留出处!




