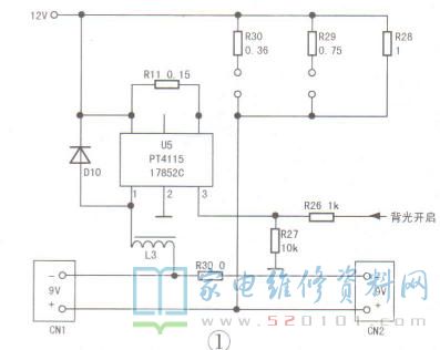
接修一台XMAO牌17英寸液晶彩电(拼装机),通电后红灯亮,按“开机”键后蓝灯亮,但背光不亮,声音正常。拆开机盖,实测12V供电正常,背光开启信号电压约3V,也正常,但背光电压输出供插座CN1、CN2中的+、-端间电压为0V,用点灯器可点亮灯条,且显示电压为8V。该机背光驱动电路是由6脚芯片PT4115(U5 )完成,实绘电路如图1所示,实物图如图2所示。
  
 
  
 
R28~R30为灯条电流设置电阻(本机只安装了R28)。检查U5外围元件均正常,怀疑U5损坏,将其换新后试机,故障排除。此时测得灯条两端电压为9V。
			版权声明:本文为转载文章,版权归原作者所有,欢迎分享本文,转载请保留出处!
			
		
		
		
		
		
		
	