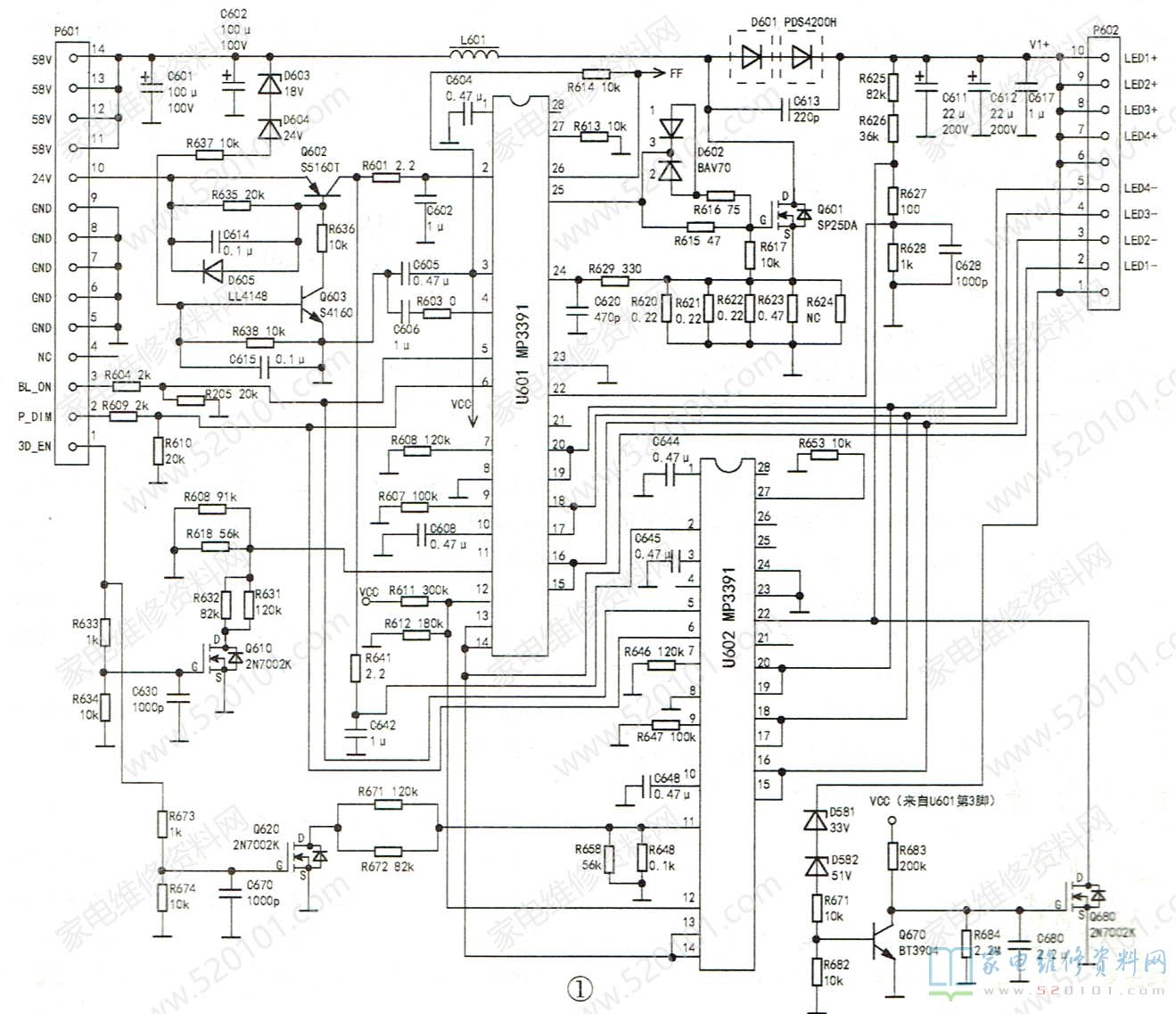
MP3391是LED液晶彩电专用背光驱动芯片,内含升压驱动脉冲形成、升压驱动、PWM(脉宽调制)调光、升压MOS管过流保护、输入欠压保护、输出过压保护、灯串过流保护等电路及调光MOS场效应功率管等。图1是TCL王牌LED液晶彩电DRC4610驱动板电路图。
DRC4610驱动板主要用于42英寸及以上大屏幕LED液晶彩电。由于MP3391共有8个通道,每个通道最大电流只有80mA,故该驱动板用两只MP3391并联将8个通道并联构成四个独立通道。该板主要由控制芯片工作电源、背光升压、2D/3D EN(使能),BL_ON( 背光启动)、P_DIM(亮度调节PWM调节方式)及输入欠压、输出过压/过流保护等电路构成。
一、工作原理
1、启动与升压电路
二次开机后,主板送出的开机信号使电源板中的主电源开始工作,输出+24V、+58V电压。其中,+24V通过插头加至驱动板上插座P601的10脚,58V电压则加至P601的11~14脚。另外,由主板上MCU送出的3D_ EN(只有当彩电工作于3D模式时,才有该使能信号输出)P_DIM、BL_ON( 实际为2D_EN )控制信号也同时
被分别送至插座P601的①、②、③脚。P601 10脚送入的+24V电源电压经过电源控制管Q602(S5160T)后,分别由R601、R641送至控制芯片U601、U602(MP3391 )的电源端②脚。P601③脚送出的BL ON信号(直流电压大于+2V)经R604送到MP3391的使能端⑤脚MP3391内部的振荡电路开始工作,经过整形的开关激励脉冲信号从MP3391的25脚输出,由R615送到升压开关管Q601(8P25DA)的G极,使开关管工作于开关状态。
在开关管截止瞬间,储能电感L601感应出的自感电动势的方向是左负右正,与+58V电源供电叠加,经升压二极管D601整流、C611、C612、C617滤波后得到约+105V电压(3D状态为+115V。注:四路LED灯串中,每路有33只大功率LED)。该电压分为两路:一路送到LED灯串插座P602的⑦~10脚(分别接至背光板四路LED灯串的首端),另一路送到由R625~R628等构成的分压电路,获得输出过压取样电压,并送到MP3391的输出过压保护检测端②脚及过压保护控制管Q680(2N7002K)的漏极。背光板上LED灯串的末端通过插座P602的②~⑤脚与MP3391的13~20脚相连。在P601②脚输出的亮度开关脉冲的控制下,MP3391内部背光亮度控制管导通,即灯串供给电压经LED灯串及MP3391内部的功率MOS管到地形成电流,四路LED灯串被点亮。
2、亮度控制电路
当电视观看者将电视亮度开大时,从主板送到P601的②脚的亮度控制信号电压升高->MP3391亮度控制端⑥脚电压升高->即MP3391⑥脚输入的亮度调节开关脉冲的占空比增加->MP3391内部背光亮度控制管在一个周期内的导通时间增加->流过LED灯串的平均电流增加->背光亮度增加。在背光从最暗到最亮的过程中,亮度调节PWM开关脉冲的频率在100Hz~300Hz之间变化。在进入3D模式时,由插座P601①脚送来的3D_EN控制电压使Q610导通,Q620导通。MP3391的11脚对地电阻RSET减小,此时流过LED灯串的电流约为560mA(注:在2D模式时,在同一亮度控制电压下流过LED灯串的电流约为540mA,消耗的功率为58.8W, 在3D状态下背光电路消耗的功率约为61.8W)。
3、保护电路
(1)输入欠压保护
当送往LED驱动电路的输入电压高于+44V时->稳压管D603、D604齐纳击穿->三极管Q603(S4160T)导通->三极管Q602(S5160T)基极电压被拉低->Q602导通->约+24V工作电压经R601/R641为MP3391的工作电源端②脚供电。如果此时MP3391使能端⑤脚送入大于+2V的工作电平,MP3391就会进入工作状态。如果+58V电压低于+43V时->D603、D604不被击穿->Q603截止->Q602基极电压升高->Q602截止->MP3391因②脚失电而停止工作。
(2)输出过压保护
在正常工作情况下,控制管Q670呈截止状态,由于MP3391⑤脚已输出+5V基准参考电压VCC,通过R683加至控制管Q680的G极,所以Q680的G极呈高电平,于是Q680呈导通状态,将MP3391过压保护端22脚接地,避免干扰脉冲使其误动作。当因故障(如升压电路的+58V输入电压过高、灯串开路等)使升压电路输出电压V1+过高时,将导致稳压管D681、D682齐纳击穿,Q670导通、Q680截止,MP3391的22脚接地断开,输出过压保护窗口打开。与此同时,通过过压取样电阻R625~R628分压后,加至MP3391的22脚电压也将升高,如果超过+1.24V,就会触发MP3391 10脚对C608充电(充电电流为50pA),使MP3391 10脚电压升高。与此同时,MP3391关闭25脚输出的开关脉冲。
(3)输出对地短路保护(LED+对地)
当输出或LED对地短路时,经过压取样电阻R625~R628分压后,加至MP3391的②脚电压降至+0.08V时,则会启动输出对地短路功能,于是MP3391关闭写脚输出的开关脉冲。只有短路排除,MP33912脚的电压升至+0.1V时,才会恢复正常工作。
(4)输出短路保护(即灯条短路保护)
若在正常工作时 LED灯条短路,将导致MP3391的12脚电压超过设定值,MP3391关闭25脚输出的开关脉冲。同时MP339110脚开始对C608充电,在MP3391 10脚电压上升到+1.24V之前,25脚还是以一定频率输出开关脉冲,使Q601处于间歇导通状态,用以试探短路故障是否已排除。如果短路现象消除,MP3391恢复正常工作。当MP3391 10脚电压上升到+1.24V时,如果短路故障仍然存在,则MP3391立即关闭25脚输出的开关脉冲,并锁定。要解除锁定,必须关机后重新上电开机才行。
(5)升压开关管过流保护
当升压开关管输出过流(比如灯串亮度失控)时,送入MP3391升压开关管过流检测输入端24脚的电压将升高,当高于0.002V时,过流保护功能启动,MP3391关闭写脚输出的开关脉冲,开关管Q601停止工作。
二、常见故障检修
故障现象1:背光灯不亮。
首先检查LED驱动电路的电源输入,即插座P601的11~14脚是否有+58V供电。如果没有,应检查电源供电电路,包括开关电源。若+58V供电正常,则检查升压输出端是否有提升电压。对于DR4610驱动板来说,提升电压约为+47V/+57V(2D/3D状态时)。如果没有,极可能是升压电路发生故障,可检查驱动电路控制块MP3391的供电端②脚是否有约+24V供电电压。若没有,应先检查P601插座10脚是否有+24V供电电压,若无,则检查电源供电电路;若10脚有+24V电压,则说明电源控制电路(比如稳压管D603、D604开路,控制管Q602、Q603或它们的偏置电路元件损坏)存在故障。
如果MP3391的供电端②脚供电正常,则应检查MP3391的⑤脚是否有+2V以上的背光控制信号,若无,则从插座P601③脚开始向前检查信号传输电路,包括主板上的MCU的BL_ON端是否已发出正常的BL_ ON信号。如果未发出正常BL_ON信号,则可能是MCU的工作条件未满足或开机时序错误所致(这已超出本文范围,在此从略)。若MP3391的⑤脚有+2V以上的控制信号,则查MP3391的25脚是否有开关脉冲输出,若没有输出,在+58V输入电压正常MP3391供电、外围元件无异常及亮度控制端⑥脚电压不低于+2V的前提下,说明MP3391可能损坏,可代换-试;如果⑤脚有输出,则说明升压电路有故障,应对升压电路元件(包括L601、D601、C611、C612等)作进一步检查。
表1给出了MP3391引脚功能与在路2D状态下实测电压、电阻数据,供参考。

故障现象2:开机后屏幕瞬间点亮,但随后黑屏。
该故障基本上可判断是背光灯串或背光驱动电路存在异常,MP3391保护起控(或保护电路本身故障)。首先检查MP3391的故障关断驱动端27脚电压,正常情况下,该脚应为低电平,如果是低电平,则说明故障可能在信号输入/输出或电源的供给方面,可先检查驱动板相关输入、输出插头与插座有无接触不良现象,然后检查MP3391的②脚+24V电压是否正常。如果MP3391的27脚是高电平,即可认定故障是由保护电路动作所致,接下来可检测R627与R628连接处的过压保护取样电压,若低于+1.24V,则可确定故障不是过压保护电路动作所致;反之,则故障是过压保护电路动作所致。在这种情况下,可先测量升压电路+58V输入电压是否过高,若是过高,则应对开关电源进行检修。若正常,则应对过压保护取样电路元件进行检查,如分压电阻R628是否正常。如果故障不是过压保护电路动作所致,则极可能是过流保护电路动作所致,这时测量MP3391的22脚电压,如果小于+0.08V,则可确认是输出对地存在短路故障,如滤波电容C611、C612之中有严重漏电,或LED灯串对地存在短路,应对上述元件或背光板进行检测。如果上述检查基本正常,说明故障可能是升压管Q601输出过流,可检测MP3391的24脚电压,如果大于+0.002V,则表明故障是过流保护电路动作所致,应对亮度控制电路背光板 上的灯串进行检查。如果观察屏幕亮度不是很亮,LED灯串也未发现异常,则导致过流保护-般是过流保护取样电路有元件出现问题,如取样电路中的电阻R620~R624某只开路、阻值变大及焊点开焊等。
故障现象3:屏幕亮度过暗。
先调节亮度观察屏幕亮度有无变化,若有变化,表明亮度控制电路基本正常(否则要检查亮度控制电路),检查升压电路V1+电压是否正常(+105V),如果过低,再查+58V供电电压是否正常。假若+58V供电正常,则表明升压电路存在问题,如升压整流二极管D601反向漏电流过大、滤波电容C611.C612失容、升压开关管Q601饱和压降过大升压电感L601有局部匝间短路等(注:L601、Q601最好采用替换法检查)。
故障现象4:屏幕亮度过亮。
先调节亮度,观察屏幕亮度有无变化,若有变化,表明亮度控制电路基本正常(否则要检查亮度控制电路,直至用替换法检查MP3391),检查升压电路输入电压是否正常。
故障现象5:屏幕亮度不均。
拆开背光板,通电观察灯串的点亮情况。如果某路灯串所有LED均不亮,应通过电压跟踪法,找出断路处。断路处通常发生在灯串的前部,如某路灯串电压输入插头与插座P602接触不良,当然也有特例是某只LED灯开路,导致整个灯串LED都不亮。另外, 若某只或几只LED短路后,本就它的电压将由该灯串中的其他LED共同分担,显然该灯串中其他LED的亮度将会增大,在显示屏对应的部位亮度高于其他部位,就会表现出亮度不均现象。因此,只要对不亮的灯串将断路处接通使之全部点亮,对于个别损坏的LED予以更换后就可修复该故障。
故障现象6:屏幕闪烁。
屏幕闪烁故障可能原因是亮度控制电路、背光启动电路、电源供电电路过压/过流保护电路之中存在软故障。该故障的检修思路是:首先测量MP3391的背光启动端⑤脚电压是否稳定,接下来测量供电电压( 包括MP3391②脚的约+24V供电及升压电路的+58V供电)是否正常,接下来测量MP3391的22脚电压是否低于+0.08V,且基本稳定。否则,就要对过压保护取样电阻R625~R628进行检查。最后测量亮度控制端⑥脚电压,如果波动,说明故障可能是亮度调整电路故障所致,应对主板的亮度信号传输电路进行检查;如果⑥脚电压稳定,则检查过流、过压保护电路,如升压开关管过流取样电路中的电阻R620~R624中某只虚焊,就会导致过流保护电路误动作。再比如LED灯串中存在不稳定的对地漏电现象,也会使过流保护电路动作(发生过流故障时,保护电路不是立即动作,而是在MP3391 10电平未达到+1.24V之前,25脚输出一定频率脉冲使Q601导通,因此提升电压时有时无)。
三、故障检修实例
例1:一台 TCL王牌L42E5600A-3D型彩电,开机后黑屏,有伴音经观察 ,背光灯未亮。测得MP3391⑤脚电压为正常的+2.5V,⑥脚电压也为正常的+3.7V。接下来再查MP3391的工作电源端②脚电压,发现电压却为0V。查插座P601⑨脚,发现有+24V输入电压。显然,故障应在由Q602.Q603及其周边元件构成的MP3391电源供给电路中。经查,控制管Q603基极为低电平,这显然不正常。从基极向前查,发现电阻R637( 10k)的一端虚焊。补焊后开机,故障排除。
例2:一台TCL王牌L48E5600A-3D型彩电,开机后屏幕瞬间点亮,随即黑屏有伴音。测得 MP3391⑤脚.②脚及+58V供电电压均正常,但22脚电压为+2.4V高电平,显然故障应是保护电路动作所致。接下来就是确定故障是何种保护所致。再次试机,测得MP3391的22脚电压已超过+1.24V,看来故障应是输出过压保护电路动作所致。测量升压电路瞬间输出电压,发现也未超出正常值范围,故确定问题应出在过压保护电路本身,于是重点对过压取样电阻R625~R628进行检测,发现R628(1k)已开路。更换后开机,故障消失。
例3:一台TCL王牌L50E5620A-3D型彩电,光栅暗,但亮度可调。首先测得+58V输入电压正常,接下来测量MP3391亮度控制端⑥脚电压,发现已达最大亮度值的+4.2V。测量升压电路输出电压V1+不足+80V,据此确定故障在LED驱动板的升压电路中。先对升压滤波电容C611、C612、C617等进行检查,未发现异常。在试机时,手摸升压整流二极管D601(PDS4200H )发现温升很高难道是输出过流?于是,在V1+输出回路中串联一只电流表后开机,电流为二百多毫安,并不过流,看来D601可能已变质。焊下D601检查,发现其正向电阻明
显变大,已达千欧级,反向电阻已不足50k,将其更换后试机,D601温升正常,V1+恢复至正常值的+105V,故障排除。
例4:一台TCL王牌L46E5300D-3D型彩电,屏幕出现无规则的明暗闪烁。首先检查MP3391的+24V电源输入电压、升压电路的+58V输入电压及MP3391⑤脚、⑥脚电压,未发现异常;接下来测量MP3391的22脚电压,也正常。考虑到本系列驱动板的输出电流LED短路保护的电压设置,分别是由MP3391的11脚、12脚外接电阻确定,如果这些外接电阻损坏或变值,就会使MP3391工作异常从而导致本故障。对MP3391的11脚12脚电压进行检测,发现LED短路保护电压设置端①脚电压有无规则的波动现象,且与屏幕的明暗变化相对应。据此说明,故障很可能在MP3391 12脚的外接元件中。经查,发现R612(180k)的阻值不稳定,将其更换后,MP3391的12脚电压为稳定的+1.9V,屏幕亮度也恢复正常。
