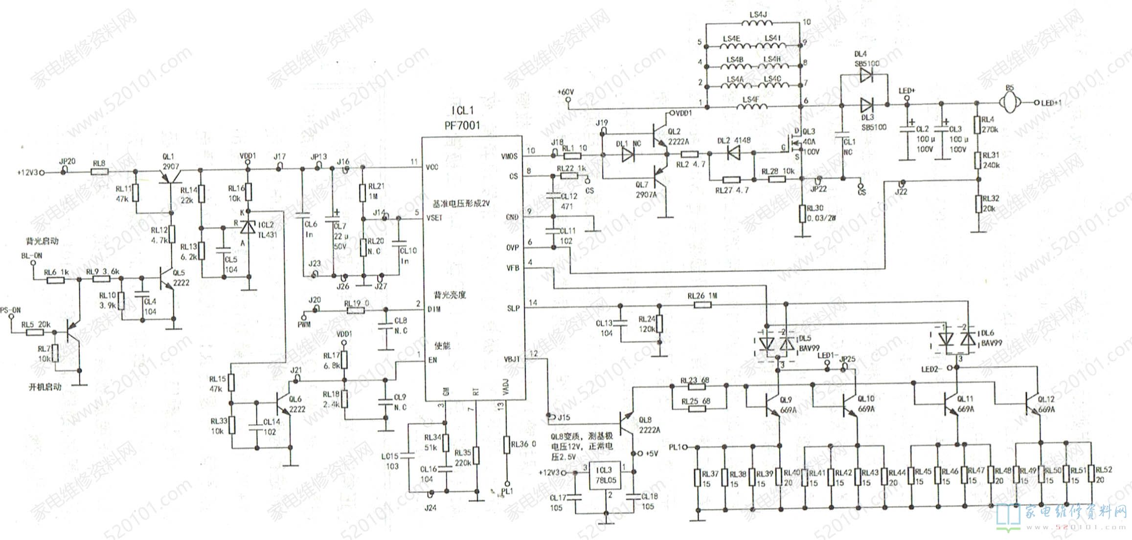
长虹JCL35D-2MC 400型电源板,开机黑屏,背光不亮。通电检测,电源板12V正常,背光驱动供电CL2、CL3处有70V电压,LED灯串的LED+电压为69.8V,正常时LED+电压应为120V左右,说明二次升压电路有问题。该电路由ICL1(PF7001)、QL3等电路组成,如图1所示。
通电检测ICL1每个脚的电压,发现①脚(EN)、②脚(背光亮度控制)和11脚(供电)电压正常,而③脚(补偿控制端)、④脚(参考电压端)电压为0V,②脚(灯电流驱动)有12V 电压,14脚(灯条短路保护端)有0.7V电压,显然这4个脚电压都不正常,尤其是12脚电压。找一个正常的电源板,测②脚电压是2.59V,且把卫脚外接0Q电阻J15断开,12脚的电压也会变成12V,并且背光也会不亮,由此判断原电源板12脚外接的元件有问题。换QL8(2222A)后LED背光亮,故障排除。测量换下来的QL8各极阻值基本正常,把它装到好的电源板上通电,LED灯条不亮,说明确是QL8的问题。
版权声明:本文为转载文章,版权归原作者所有,欢迎分享本文,转载请保留出处!
