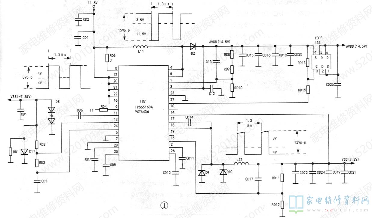
本文笔者修好一台TCL L32F19液晶电视MS68机芯后,对逻辑板(型号:320AP03C2L0.1)上的DC -DC转换块IC7(TPS65160A )进行测量,实绘电路如图1所示,实测数据见表1。
其中,波形用日立V-1060示波器所测。直流电压用数字万用表所测。该板上屏电压(即主板给逻辑板供电)为12V,实测为11.5V。TPS65160A(即IC7 )的作用是把11.5V电压转换成AVDD、vcc、vSS三路电压。如这些电压不正常,可能出现黑屏、灰屏、花屏、无图,或图像上有横带等现象。
1、AVDD电压的形成
该电压形成电路由IC7、储能电感L11、二极管D2、滤波电容CD15等元件组成。工作时,L11的右端(即IC7的④、⑤脚)输出幅度约15Vp-p,周期约为1.3uS(即频率约为770kHz )的高频开关脉冲,波形的正半周幅度为3.5V,负半周幅度为11.5V,经二极管D2整流,产生约为3V的直流电压,该电压与11.5V 电压叠加在- 起,产生14.5V直流电压AVDD,供给逻辑板上的伽马电路。IC7的①脚为AVDD电压反馈端,改变该电压可改变AVDD的输出电压值。ICD3型号为433,是6脚P沟道贴片场效应管,它控制AVDD电压输出的时序,其③脚G(栅极)正常电压为5.8V。
2、VCC电压的形成
VCC电压形成电路主要由IC7、储能电感L12,续流二极D9.D10及CD19等元件组成。工作时,IC7的⑧脚(即I12的左端)输出幅度约12Vp-p,周期约1.3us(即频率约为770kHz)的高频脉冲,其正半周幅度为8V,负半周为4V,经续流二极管D9、D10整流,产生约3.2V直流电压,即vCC电压,主要供给逻辑板主芯片IC1(时序控制块LMX6322T1)。IC7 的⑤脚为vCC电压的反馈脚,改变该脚电压值,可改变vcC输出电压值。
3、VSS电压的形成
VSS电压主要由IC7、D8 (内部有两只二极管)、CD6、CD1等组成的二倍压整流电路形成。工作时,IC7的①脚产生幅度约为8Vp-P,周期约为1.3us(即频率约为770kHz)的高频脉冲,其正、负半周幅度均为4V,经二倍压整流电路整流,在电容CD1上产生-7.35V直流电压,即VSS。VSS 电压就是VGL电压,供屏内栅极驱动(即行驱动)电路。有人把这里VSS电压形成电路叫“电荷泵电路”。
小结:1、TPS65160A可以形成四路直流电压,而在该型逻辑板中却只用了三路,①脚空,④脚接VCC。2、各路直流电压的滤波电容都是贴片电容,故每只容量不大,所以通常采用多个并联方式。因此,电容漏电几率增大,当某一路电压不正常时,先查滤波电容。
编者注:逻辑板上易出现故障的部位通常集中DC-DC转换电路中。DC-DC转换芯片就是常说的逻辑板电源管理芯片。对逻辑板的检查除测试上屏供电外,电源管理电路输出的几路电压也非常重要,其次是测试GAMMA校正电压。
