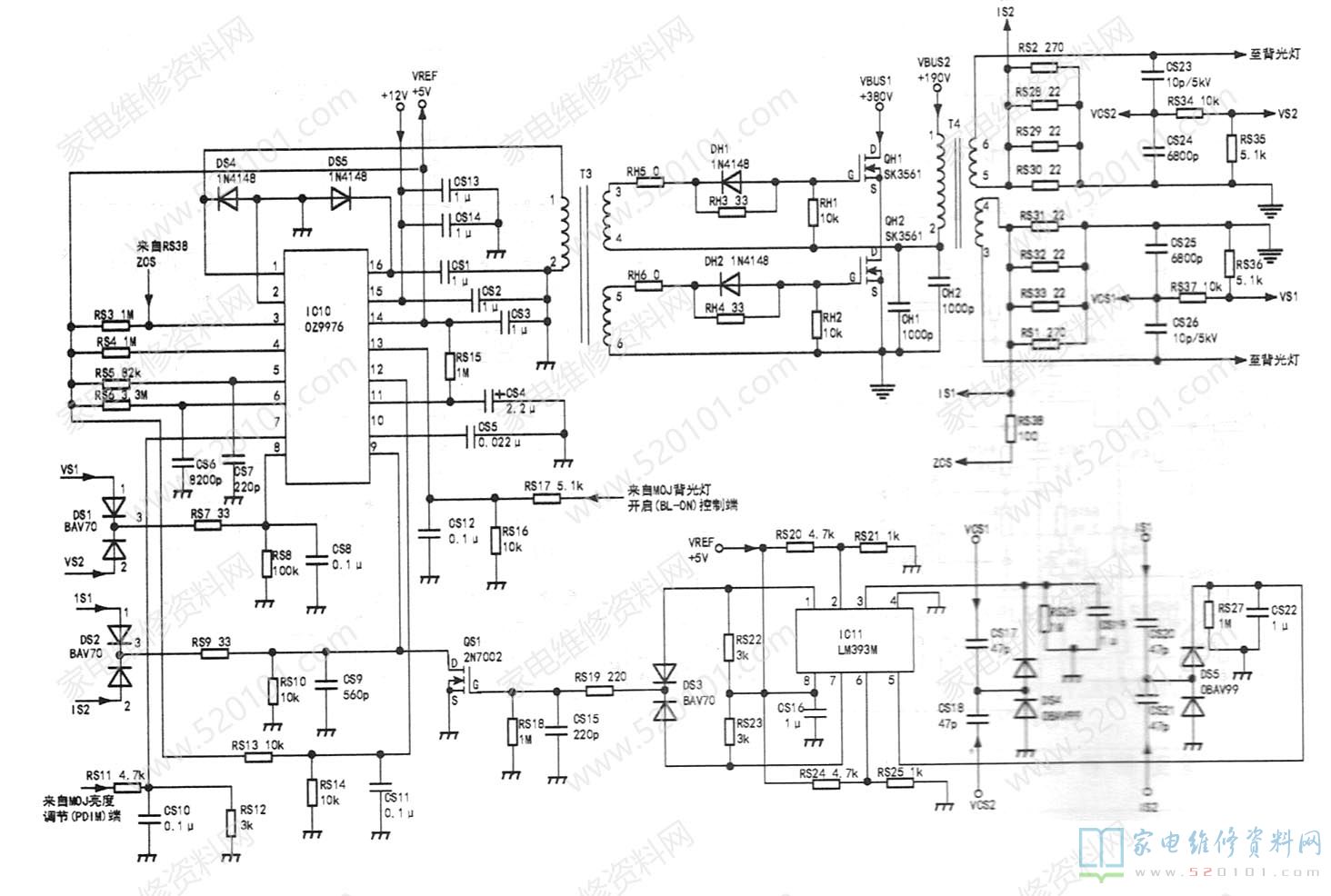
接修一台TCL L32E77液晶电视,故障表现为背光灯不亮。经查,背光板没有交流高压输出。进一步查得IC10(见图1)OZ9976的背光驱动信号输出端①、16脚无信号输出。据此分析,故障有可能是IC10周边元件损坏,也有可能是输出的背光高压过压或过流,从而引起保护电路动作所致。查IC10电源电压(+12V)正常。为保险起见,先断开交流高压回路,然后再断开IC10过压保护端试机,刚听到高压变压器T4的磁芯对线包有放电“咝"声,随即消失。看来,故障极可能是高压变压器打火,引起过流保护电路动作。从背光板上焊下T4,用无水乙醇仔细清洗后再用吹风机烘干,最后用704硅胶将整个变压器密封,待干透后复原试机,故障消失。

版权声明:本文为转载文章,版权归原作者所有,欢迎分享本文,转载请保留出处!