TCL DRY5510背光板电路工作原理分析

2022-09-25 17:54:47  阅读 910 次 评论 0 条
摘要:

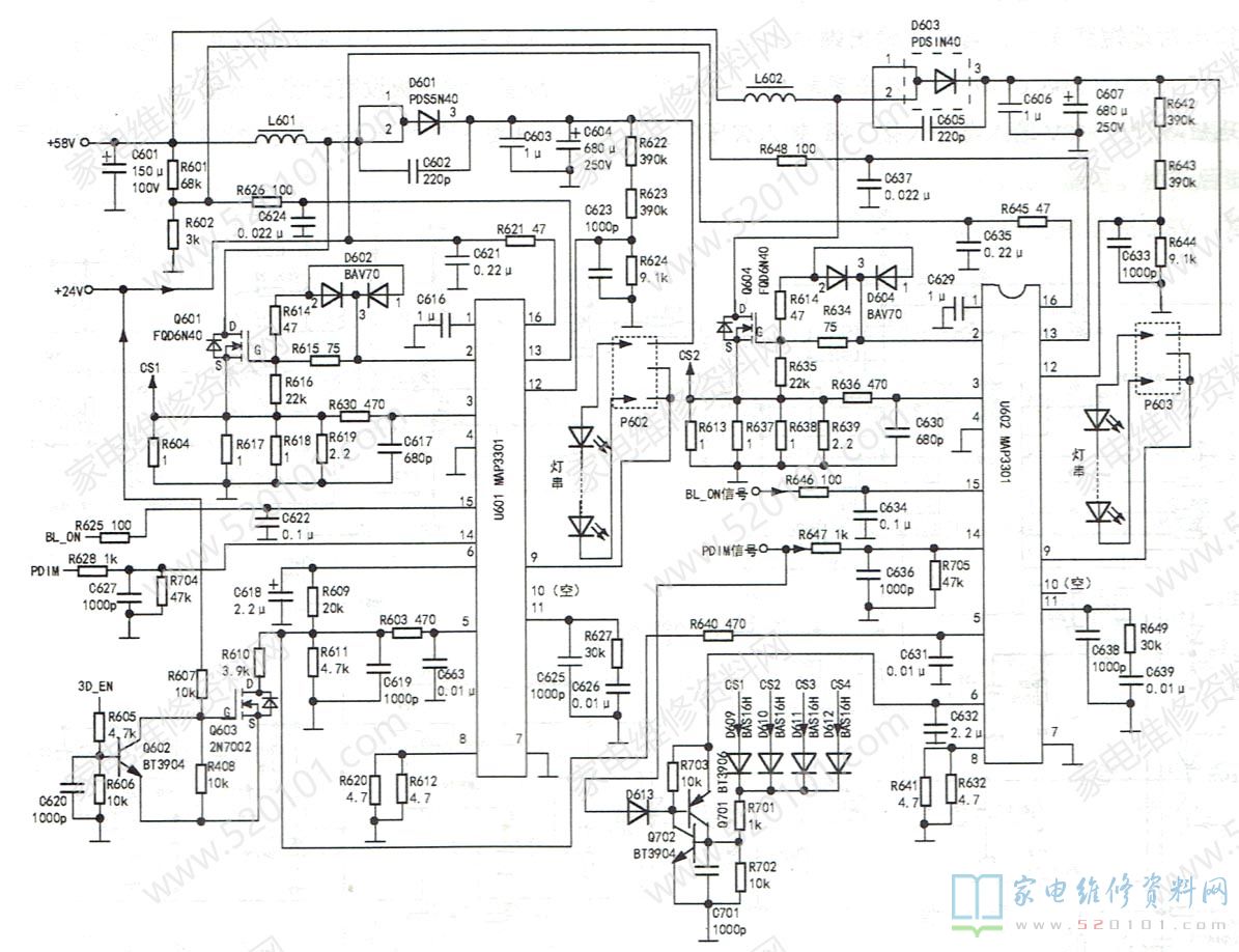
TCL DRY5510背光板有四个相同通道,现只画出第一、二通道,如图1所示。电源工作后,+24V电源电压将分别经过R621、R645送至振荡控制块U601 U602(均为MAP3301)的电源端16脚,主

    TCL DRY5510背光板有四个相同通道,现只画出第一、二通道,如图1所示。电源工作后,+24V电源电压将分别经过R621、R645送至振荡控制块U601 U602(均为MAP3301)的电源端16脚,主板送来的BL ON信号经R625送至MAP3301的使能端15脚,于是MAP3301内部的振荡电路开始工作,从MAP3301的②脚输出激励脉冲,由R615、R634送到开关管Q601、Q604( FQD6N40)的G极,开关管工作于开/关状态。在开关管截止瞬间,储能电感L601 L602感应出的自感电动势的方向是左-右+,与+58V叠加,经升压二极管D601 D603整流,C603、C604、C606、C607滤波后得到约170V电压,分为两路:一路送到LED灯串插座P602/P603的①脚,另一路经R622~R624、R642-R644等元件构成的分压电路分压后获得取样电压,被送到MAP3301的输出过压保护检测端12脚。

TCL DRY5510背光板电路工作原理分析 第1张

       LED灯串的负端通过插座P602、P603 接至MAP3301的⑨脚(内接大功率背光亮度控制管的D 极)。在亮度脉冲信号PDIM的控制下,MAP3301⑨脚内的亮度控制管导通,输出电压经LED灯串、MAP3301⑨、⑧脚(⑧脚内接大功率MOS背光亮度控制管的s极)、R612//R620及R632//R641等到地形成电流,LED灯串被点亮。当调大亮度时,主板送给MAP3301亮度控制端14脚的脉冲占空比增加->MAP3301⑨、⑧脚内的亮度控制管导通程度增加->流过LED灯串的电流增加->背光亮度增加。
      该型背光板的保护功能完善,主要有:(1)输入欠压保护,当LED驱动电路的输入电压过低( +58V低至+43V)时,经电阻R601、R602分压及R626/R648等送至MAP3301欠压保护端13脚的电压降到+1.8V->MAP3301内部的输入欠压保护电路动作->MAP3301的②脚无脉冲信号输出->避免电流过大而损坏MOS功率管;(2)输出过压保护,当经C603、C604/C606、C607滤波后输出的电压高达+207V时->由R622~R624/R642~R644分压送至MAP3301的12脚过压保护取样电压大于+3V->MAP3301立即停止工作并锁定;(3)过流保护,一是输出对地短路保护,当电压输出端对地短路(如C603、C604/C606、C607中某只击穿或LED灯串对地短路)时,+58V输入电压大幅下降,输入欠压保护电路动作,MAP3301停止工作;二是升压二极管短路保护,当升压二极管D601/D603短路时->流过Q601/Q604的过流取样电阻R604、R617~R619/R613、R637~R639的电流增大->它们两端的取样电压升高->MAP3301③脚的过流保护检测电压达到正常值的2倍( +0.46V)->MAP3301立即停止工作。如果某路保护电路出现故障,如信号传输电阻R630/R636开路或阻值变大,则过流保护信号电压CS1~CS4经D609~D612使R701、R702的分压增大->Q702导通->Q701导通->MAP3301的14脚(亮度控制)电压低于+1V ,MAP3301停止工作;三是灯串过流保护,如果LED灯串短路->MAP3301⑨、⑧脚内接的MOS亮度调整管输出过流->MAP3301⑧脚超过+1.5V->亮度控制管截止。
版权声明:本文为转载文章,版权归原作者所有,欢迎分享本文,转载请保留出处!