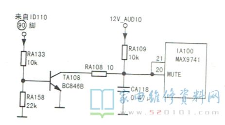
接修一台TCL L40H78F型液晶彩电(MC77机芯),故障现象是所有信道均无声音。测量音频功放块1A100(MAX9741)输出端48~48脚及53~56脚均无音频信号波形,但音频信号输入端27、17脚信号波形正常,看来故障在音频功放电路中。查IA100 31、32脚的5V供电及⑤、⑥、37、38脚的12V供电电压,均正常;IA10020脚(静音控制端)为低电平,即处于静音状态。该机的静音控制电路如图1所示。

当按下“静音"键时,主芯片ID110的90脚输出高电平->控制管TA108(BC846B)导通-->c 极为低电平->IA100 的20脚为低电平->实现静音。对这部分电路进行检查,发现TA108的c极负载电阻RA109(10k)已开路。更换RA109后试机,声音出现,故障排涂。
版权声明:本文为转载文章,版权归原作者所有,欢迎分享本文,转载请保留出处!