TCL LCD32K73液晶电视AV1通道声音不良的维修

2023-01-26 20:34:06  阅读 1238 次 评论 0 条
摘要:

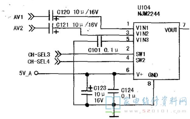
接修一台TCL LCD32K73型液晶彩电,AV1声音不良。开机测试,发现AV1的一个声道声音异常;切换其他信号测试,声音正常。根据信号流程可知,AV1的声音是直接通过插座耦合后送到切换电路U104,然后

      接修一台TCL LCD32K73型液晶彩电,AV1声音不良。开机测试,发现AV1的一个声道声音异常;切换其他信号测试,声音正常。根据信号流程可知,AV1的声音是直接通过插座耦合后送到切换电路U104,然后进入音频处理电路U105进行处理,再经过功放电路U107放大后推动扬声器发声。由于其他信号没有问题,说明音频切换后面的公共信号通道是正常的,问题在信号的耦合和切换部分。对比测量AV1输入插座R、L声道的对地电阻,没有发现异常。测量U104的L声道波形和R声道不一样,L声道的波形异常,问题在L声道,怀疑U104有问题。先检测U104外围元器件C101、C120、C121、C123、C124,发现C123击穿短路,造成U104损坏。更换C123及U104后,故障排除。相关电路见图1。

TCL LCD32K73液晶电视AV1通道声音不良的维修 第1张

版权声明:本文为转载文章,版权归原作者所有,欢迎分享本文,转载请保留出处!