TCL 42H78F液晶电视图像有雨点状干扰的维修

2022-06-23 19:34:06  阅读 750 次 评论 0 条
摘要:

接修一台TCL 42H78F型液晶彩电(MC77机芯),故障表现为图像上有雨状干扰点,但伴音始终正常。根据故障现象分析,判断问题出在图像处理电路中。该机的图像处理过程如下:首先由主芯片ID110对送来的图

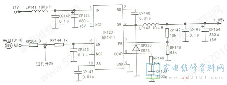
      接修一台TCL 42H78F型液晶彩电(MC77机芯),故障表现为图像上有雨状干扰点,但伴音始终正常。根据故障现象分析,判断问题出在图像处理电路中。该机的图像处理过程如下:首先由主芯片ID110对送来的图像信号进行解码处理,然后由ID100( FRC94XYH )进行数字化处理(包括隔行处理、图像缩放、加入数据使能及时钟信号),最后由LVDS编码器ID200、ID210进行LVDS编码处理。由于屏上有完整的图像,因此可确认图像解码处理电路无故障。于是首先对图像数字化处理集成块ID100供电端电压进行检查,发现1.05V供电为0V。该电压由IP120( MP1411 )变换得到,如图1所示。

TCL 42H78F液晶电视图像有雨点状干扰的维修 第1张

      测量IP120输入端④脚12V输入电压正常,但⑤脚输出为0V,且手摸IP120无明显温升,怀疑IP120并未工作。测IP120使能端⑨脚电压为OV,正常时应为高电平。经查,RP204至RP144之间的过孔开路。用一段导线连接RP204、RP144后:试机,1.05V电压恢复正常,故障消失。

版权声明:本文为转载文章,版权归原作者所有,欢迎分享本文,转载请保留出处!