TCL L46E77液晶电视二次不开机的故障维修

2022-05-23 19:32:40  阅读 940 次 评论 0 条
摘要:

接修一台TCL L46E77型液晶电视,故障表现为上电后面板红灯亮,用遥控器开机,红灯变绿灯,但无光无声。测主板送往主电源的POW-ON信号已是高电平,且在遥控开机时主电源输出电压瞬间上升然后又回到0V,

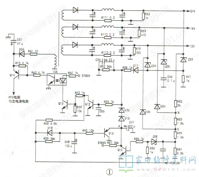
      接修一台TCL L46E77型液晶电视,故障表现为上电后面板红灯亮,用遥控器开机,红灯变绿灯,但无光无声。测主板送往主电源的POW-ON信号已是高电平,且在遥控开机时主电源输出电压瞬间上升然后又回到0V,这说明主电源启动后又停止了,可能是进入了保护状态。该机主电源输出12V、18V和24V共3组电压,如图1所示。

      拔掉电源板和主板的连线,用指针式万用表RX10挡,红笔接地,黑笔测3组输出电压端对地阻值,18V端是470Ω,和输出端的泄放电阻R53相当,而12V端和24V端对地电阻都是400Ω,不正常,因为12V端泄放电阻R79阻值是750Ω,24V端泄放电阻R52阻值是1k,取样电阻(图中未画出)阻值远大于泄放电阻,所以测出的阻值应该和泄放电阻阻值接近,怀疑这两组输出有短路。

TCL L46E77液晶电视二次不开机的故障维修 第1张

     经查,ZD3和ZD4都已击穿。换新后开机,故障排除。ZD3、ZD4短路后,上述所测对地电阻约等于R79与R52的并联阻值。

     若主电源输出的三组电压中任何一组超压,稳压管ZD3~ZD5中对应的一只导通,在R41两端产生的电压通过D17和R38、R36使Q12导通,则Q13截止,光耦IC5截止,Q14也截止,PFC电路和主电源失电停止工作。

     该电源启动电路比较特殊,上电后机器 处于待机状态时,POW-ON信号电压为低电平,电容IC48两端电压为0V,STB5V电压通过R87加到Q15的e极,Q15因其b极为低电平而导通,此时A点为低电平,Q13截止,主电源不工作,Q10也处于截止状态。当主板发出开机指令后,POW-ON信号变为高电平,Q13的b极因通过R42、R58得到偏置电压而导通,PFC电路和主电源得电开始工作。同时,POW-ON信号电压通过R39向C48充电,由于C48容量较大,C48两端电压缓慢升高,当升高到一定值时,Q15退出导通状态,A点电压升高,此时由于主电源输出电压已建立,24V电压通过R82、R83、R99使ZD8导通,Q10通过R86得到偏置电压而导通,接替将截止的Q15,使A点继续保持低电平。

     Q10 和R82、R83、R99、ZD8、R86、D34、D35组成输出电压过低或短路保护电路,若三组输出电压均正常,D34、D35反偏截止,Q10导通使A点为低电平,主电源正常工作。当24V电压过低时,由于D34、D35处于截止状态,Q10因失去偏置电压而截止,A点电压升高,Q12导通,Q13截止,主电源停止工作;当18V电压过低时,D34导通,B点电压被拉低,ZD8截止,Q10截止,A点电压上升,Q12导通,Q13截止,主电源停止工作;若12V电压过低,D35导通,c点电压降低,Q12导通,Q13截止。

      D18是C48的放电管。当POW-ON信号由低电平变为高电平时,C48通过R39充电;关机时,POW-ON信号由高电平变为低电平,C48通过D18快速放电,以准备下一次启动。由于开机时POW- ON信号变为高电平到主电源输出正常电压需要一定时间 ,所以Q15在C48的充电过程中使A点保持低电平。在三组输出电压正常后,Q10的导通维持A点的低电平。

      R110~R112分别是12V、24V、18V的电流取样电阻。当电流过大时,取样信号送到3个电压比较器(图1中未画出),比较后输出高电平,Q12导通.Q13截止,主电源停止工作。

版权声明:本文为转载文章,版权归原作者所有,欢迎分享本文,转载请保留出处!