技改电路修复夏普LCD-32NX330A液晶电视开关电源故障

2022-05-23 19:19:10  阅读 1300 次 评论 0 条
摘要:

接修一台夏普LCD32NX330A型液晶彩电,上电后,面板指示灯不亮。拆机检查,电源保险丝烧断,开关管击穿,接在开关管D极上的瓷片电容C7018及电源芯片均爆裂。分析认为:应该是C7018击穿引起开关管和

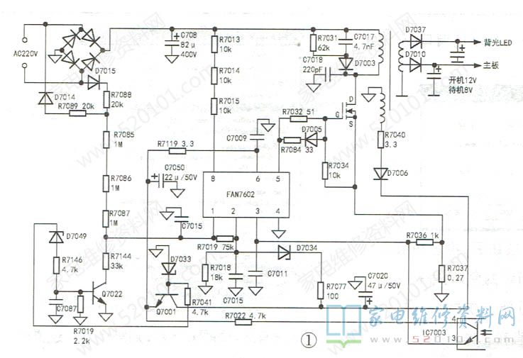
      接修一台夏普LCD32NX330A型液晶彩电,上电后,面板指示灯不亮。拆机检查,电源保险丝烧断,开关管击穿,接在开关管D极上的瓷片电容C7018及电源芯片均爆裂。分析认为:应该是C7018击穿引起开关管和电源芯片损坏。运直从电源芯片的引脚判断其型号是FAN7602,实绘电路如图1所示。

技改电路修复夏普LCD-32NX330A液晶电视开关电源故障 第1张

     上电后,300V直流电压经R7013~R7015给芯片的⑧脚供电,⑧脚内部恒流源向⑥脚外接的C7050充电,当该脚电压达到12V时,芯片开始工作,⑤脚输出驱动脉冲,开关管工作。开关变压器辅助绕组的感应电压经D7006整流、C7020滤波、Q7001稳压后,经R7119给芯片⑥脚供电,芯片内部恒流源停止工作。

      IC7003是稳压光耦,其反馈信号接芯片的③脚,当次级输出电压升高时,IC7003导通程序增加,芯片③脚电压上升,⑤脚输出脉冲变窄,电源输出电压降低,从而达到稳压目的。芯片③脚还是开关管过流保护脚,流过开关管的电流在R7037上产生一个脉冲电压,该电压通过R7036送往芯片③脚,当该电压大于1V时,芯片进入过流保护状态。

      D7034是辅助电源过压检测管,当辅助电源输出电压超过30V时,D7034击穿,芯片②脚电压高于4V时,芯片停止工作。芯片①脚和外围元件组成过压保护和市电电压过低保护电路,当辅助电源过高时;D7049导通,Q7022导通,芯片①脚电压降低,芯片进入保护状态;D7014和D7015检测市电电压,所得电压通过R7085~R7089送给芯片①脚,如果市电电压过低,当①脚电压低于2V时,芯片进入保护状态。

      由于笔者手头没有FAN7602,参照FAN6755电路发现,二者差别主要是光耦接法不同,于是按下面方法改动:(1)断开芯片②脚和外电路的连接;(2)拆去R7022,将IC7003的④脚接芯片②脚,IC7003的③脚接地,同时在IC7003的③、④脚极间接一只1nF电容;(3)短路R7019(否则,芯片①脚电压大于5.3V,FAN6755会进入保护状态)。

      按上述方法改动后试机,故障排除。

版权声明:本文为转载文章,版权归原作者所有,欢迎分享本文,转载请保留出处!