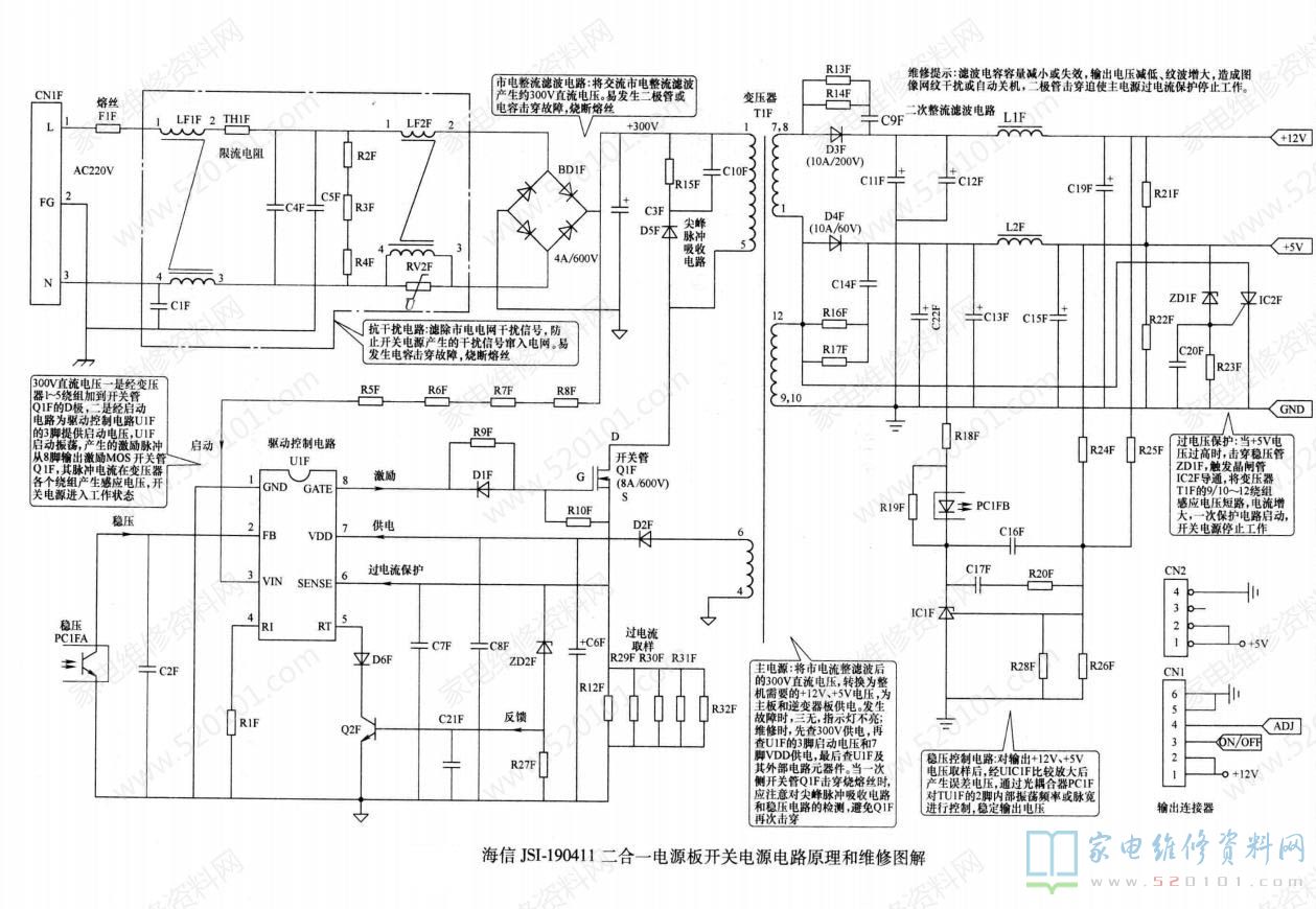
海信液晶JSL-190411电源板,为开关电源电路+背光灯逆变器电路二合一电源板,应用于海信TLM1933等液晶彩电中。可代换的电源板有JSI-170411、RSAG7.820.1569(图纸),代换时注意其输出电压和接口电路是否相符。海信JSI-190411二合一电源板实物图解如图1所示;电路组成框图如图2所示。
该电源板由开关电源电路和逆变器电路两部分组成。开关电源电路由驱动控制电路U1F和大功率MOSFET (开关管) QIF组成,将市电经抗干扰电路滤除干扰后,整流滤波产生的300V电压,转换为主板和逆变器板需要的+12V电压和+5V电压。逆变器电路由Q1、Q2为核心的启动控制电路、集成电路U1为核心的振荡控制电路、复合MOSFET(开关管) U2、 U3为核心的高压形成驱动电路组成。将开关电源提供的+ 12V电压转换为近千伏的交流高压,为背光灯管供电。
该机的开关机控制,不对电源板的开关电源电路进行控制,只对电源板的逆变器电路进行开启控制和亮度调整。开机通电后,电源板即开始工作,向主板和逆变器板提供+ 12V电压和+5V电压。开关电源输出的+5V电压为主板控制系统和电源板逆变器振荡控制电路提供电源,+12V电压为升压输出电路U2、U3供电。二次开机后,开关机控制电路输出的ON/OFF电压使Q1、Q2导通,为U1供电,逆变器电路启动工作,将背光灯管点亮,进人开机状态。
该电源板在开关电源电路和背光灯逆变器电路均设有保护电路:
开关管过电流保护电路:当开关电源二次整流滤波电路或负载电路发生短路、漏电故障,造成QIF电流增大,在源极过电流取样电阻R29F ~ R32F两端的电压降增大,送到UIF的6脚内部保护检测电路。当6脚电压达到设计保护启动值时,UIF 内部保护电路启动,开关电源停止工作。
晶闸管IC2F保护电路:在开关电源的二次侧5V整流滤波输出端,设有以IC2F为核心的高压保护电路,当开关电源输出的+5V电压过高时,击穿稳压管ZDIF,向IC2F的门极送人高电平触发电压,IC2F导通,将变压器的9/10 ~ 12绕组的感应电压短路,开关电源电流增大,一次开关管过电流保护电路启动,开关电源停止工作。逆变器保护电路:在逆变器高压输出端,设有过电压、过电流保护电路,当逆变器发生过电压、过电流故障时,送到U1的4、1 脚保护检测电压升高,U1停止输出激励脉冲。该电源板的集成电路引脚功能见表1、表2。
1、电源电路维修
当开关电源电路发生故障时,无电压输出,同时指示灯不亮。先查市电整流滤波后的300V电压,无该电压,检测市电整流滤波电路是否开路,熔丝是否熔断,如果熔丝熔断,说明电源板存在严重短路故障。再查驱动电路U1F的3脚启动电压和7脚VDD供电。上述供电正常,再查U1F及其外部电路和开关管Q1F;二次整流滤波电路发生击穿短路故障,也会造成开关电源过电流停振。当该电路出现问题时,可以先检查一下高压变压器的输出,只要用示波器的探头靠近升压变压器铁心,示波器便会感应出很强的交流信号。如果无信号,则表明高压变压器无输出,再检查控制芯片9、10 脚和11、12 脚的信号输出是否正常,正常工作状态应有脉冲信号输出。如果无脉冲信号输出,则应检查+ 12V供电及其U2、U3等电路是否良好;如果有脉冲信号输出,再检查Q1、Q2 是否良好。
2.逆变器电路维修
逆变器电路中元器件的损坏会引起背光灯不亮故障。如果背光灯全部不亮,则首先应检查+ 12V供电是否正常。如果某些灯不亮,则应检查相应的高压驱动电路是否正常。比较简便的方法是将液晶彩电通.电,利用示波器探头靠近灯座、升压变压器、场效应晶体管和PWM控制芯片,观察哪一部 分无高压信号,则是故障部位,对故障元器件进行更换,即可排除故障。当液晶彩电逆变器电路出现故障时,首先观察逆变器电路中的主要元器件是否有脱焊、烧焦及插口松动等现象。若没有观察到这些明显的故障现象,则可利用检测法对该电路部分进行逐步检测。
海信JSL-190411二合一电源板开关电源电路原理和维修图解如图3所示;背光灯逆变器电路原理和维修图解如图4所示。

