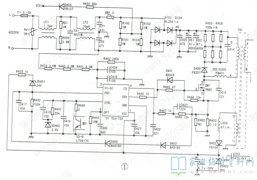
例1:电源无输出。分析检修:接通电源开关后,待机指示灯不亮,3.3V、24V电压均为0V。首先检查市电整流滤波后的HV(+300V)电压正常,但U1(TEA1733)电源端①脚电压为0V。此脚的启动电压来自R100~R103.R432及D403,如图1所示。经查,限流电阻R432( 100k)一端开焊。补焊后试机,故障排除。
例2:故障现象同例1。分析检修:上电,测得市电整流后的HV电压正常,U1电源端①脚有23V启动电压。关机后在U1③脚接好示波器,开机观察到u1③脚有激励脉冲输出,说明故障不是过流保护电路动作所致。接下来查开关管QW1的G极有激励脉冲信号,D极也有+300V电压,看来QW1可能损坏。焊下QW1检测,发现其G、S极已开路。用一只STF10N65型MOSFET管替换后试机,故障排除。
例3:故障现象同例1。分析检修:上电,测得市电整流滤波电路产生的HV电压和U1①脚启动电压均正常。接下来测U1激励脉冲输出端③脚波形,发现在开机瞬时有脉冲波形,但随后消失,看来该故障有可能是保护电路动作。于是断开输出部分L400右端(见图2)与电路的连接,在L400右端对地接-只电压表后试机,电压表读数为0,显然不存在过压问题。再监测U1过流保护检测端③脚对地电压,发现电压为0V,表明故障极有可能是QW1损坏或它的偏置电路有问题。经查,过流取样电阻R403(0.13Ω)一端开焊(见图1)。补焊后开机,故障消失。
例4:无3.3V电压输出。分析检修:经查,开关电源输出的+24V电压正常,转向查待机电源控制芯片U4( EUP3482 )及其外围元件,发现U4供电端②脚的+24VB电压正常,但⑦脚使能端电压却为0V。经查,电容C430严重漏电。换新后试机故障排除。
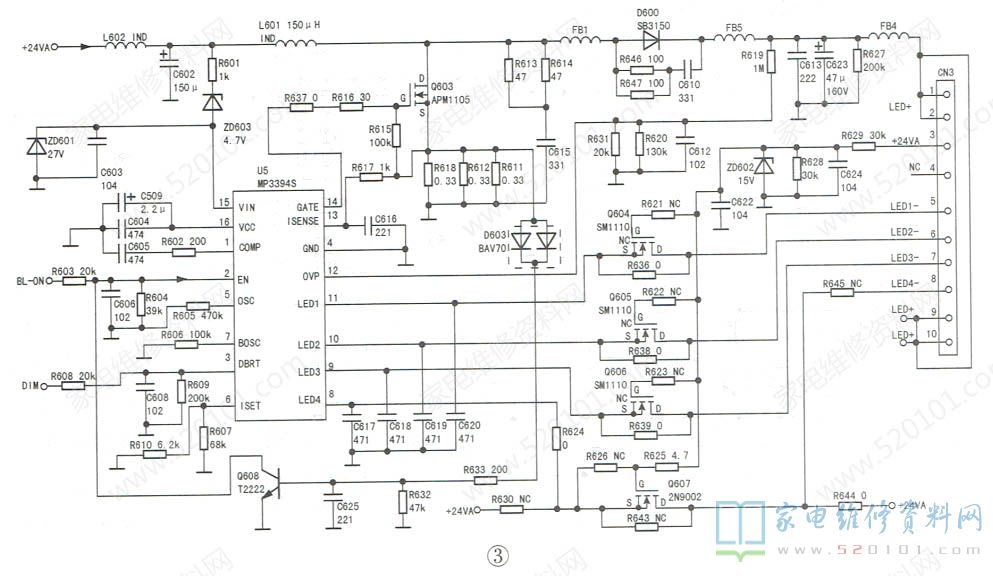
例5:黑屏。分析检修:经查,背光驱动升压电路的+24VA电压正常,升压电路输出端没有提升电压,LED背光灯串也不亮。接下来检查U5(MP3394S)背光点亮控制端②脚及亮度控制端③脚电压,未发现异常。接下来检查保护电路,如图3所示测得U5过流保护端③脚与过压保护端②脚电平均未达到保护阈值,怀疑以U5为中心的LED驱动电路有问题。经查,振荡器定时电阻R606引脚虚焊。焊后试机,故障排除。
例6:开机后屏幕瞬时点亮,随即黑屏。分析检修:此故障通常是LED过压保护电路动作所致。查升压电路+24V输入电压正常,测开机瞬时的LED+电压并未超过70V,估计过压保护电路本身存在故障。查U5过压保护检测端②脚电压,发现在开机瞬时已超过1.2V。 对取样电阻R619、R620、R631进行检测,发现R620( 130k)已开路。换新后试机,故障消失。团
