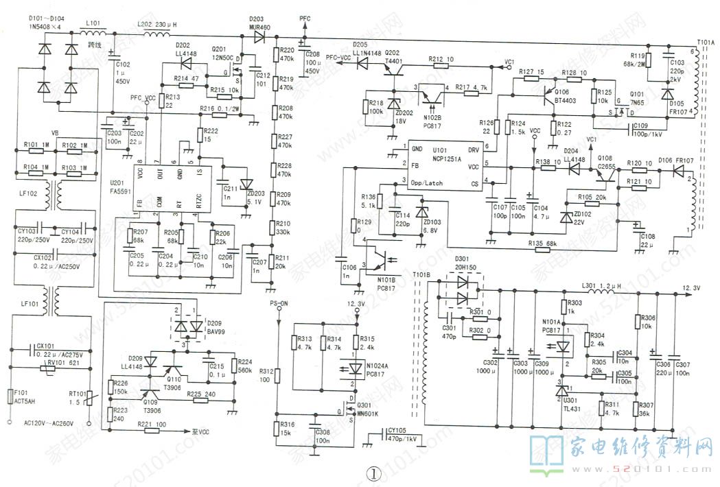
例1:电源无输出。分析检修:接通电源开关后,待机指示灯不亮(正常应闪烁数秒后变为常亮),12.3V电压无输出。测得U101( NCP1251A )电源端⑤脚(vCC )电压为OV,市电整流滤波后的300V电压正常。转向检查U101启动电源(如图1所示),发现整流二极管D208( BAV99 )③脚焊点开焊。加焊后试机,故障排除。
例2:同例1。分析检修:测市电整流后的300V电压正常,U101电源端⑤脚有16V 启动电压,开关管Q101的D极也有300V电压。随后用示波器观察U101⑥脚激励脉冲波形,发现波形幅度极低,怀疑U101质量欠佳,但换新后故障不变。为了判断故障部位,断开R126的一端后再测,发现U101⑥脚输出的激励脉冲波形正常,说明U101⑥脚外的驱动电路的确有问题(见图1)。经查,控制管Q106( BT4403 )已击穿。换新后开机,故障消失。
例3:同例1。分析检修:经查,市电整流滤波后的300V电压及U101⑤脚的启动电压均正常。测量U101⑥脚波形,在开机瞬时有激励脉冲输出,随后消失。显然,该故障可能是保护电路动作所致。断开12.3V电压输出端,并在断开处串接一只电流表后试机,发现电流表读数并不大,故排除过流问题。在U101③脚与热地间接上电压表开机,发现电压表读数超过3V,表明电路进入过压保护状态。接下来对稳压系统元件进行检查,发现光耦N101(PC817 )次级③、④脚内部已开路。换新N101后开机,故障排除。
例4:当图像亮度或声音变大时,自动关机。分析检修:这是负载能力变差的典型表现。测量市电整流滤波后的300V电压正常,但PFC电压滤波电容C208 (100pF/450V)两端电玉也为300V看来PFC电路没有工作。于是对PFC电路进行检查,发现控制芯片U201(FA5591 )电源端⑧脚电压为0V。检查U201的供电电路,发现续流二极管D205(LL4148 )开路。换新后试机,故障排除。
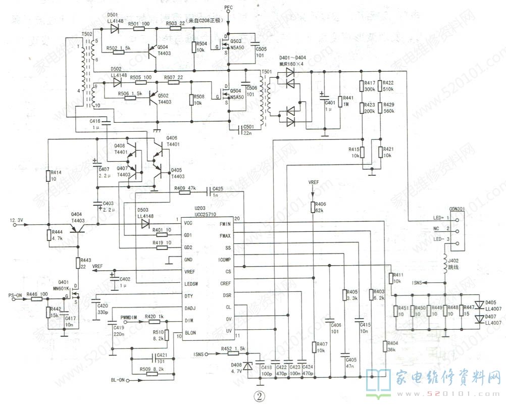
例5:黑屏。分析检修:上电试机,发现LED背光灯串不亮,并测得LED+电压为0V,控制芯片U203(UCC25710)电源端①脚有11.8V电压,相关电路如图2所示。再测U203亮度控制端⑨脚背光点亮控制端①脚电压,均未发现异常。接下来查U203②、③脚有激励脉冲波形输出。检查LED+电压的形成电路,发现开关变压器T502的①脚虚焊。补焊后试机,故障消失。
例6:黑屏。分析检修:上电测得LED+电压为0V,查u203的供电、亮度控制、背光点亮控制端的电压均正常。再查U203的②、③脚,无激励脉冲输出。试机发现,开机瞬时显示屏会闪烁一下。 在LED+端与冷地之间接一只电压表后试机, 发现开机瞬间电压表读数约为50V,但随后快速降为0V。拔下LED灯条插头,在CON301①、③脚之间接上一只7592/50W的线绕电阻作为假负载。开机,LED+电压升至约150V,这表明LED灯条有故障。更换LED灯条后开机,故障排除。刚.

