创维22L08IW液晶电视开机三无的故障维修

2022-05-22 19:22:59  阅读 770 次 评论 0 条
摘要:

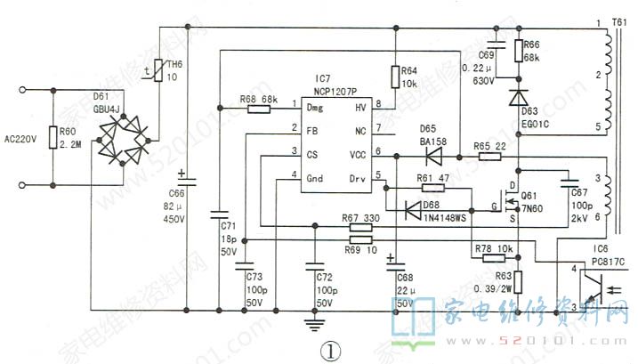
接修一台创维22L08IW型液晶彩电,故障表现为三无。拆机检测,电源板.上的保险已烧断,测得+300V电压滤波电容C66两端在路电阻为0Ω。进一步检查,发现开关管Q61(7N60)已击穿,电阻R64(10

       接修一台创维22L08IW型液晶彩电,故障表现为三无。拆机检测,电源板.上的保险已烧断,测得+300V电压滤波电容C66两端在路电阻为0Ω。进一步检查,发现开关管Q61(7N60)已击穿,电阻R64(10k)已烧毁,相关电路如图1所示。

创维22L08IW液晶电视开机三无的故障维修 第1张

       根据经验,怀疑电源芯片IC7( NCP1207A)已损坏。将上述损坏元件全部更换后开机,还是没反应。测量C68两端电压在8V左右波动,正常值约为12V,说明电源没起振。进一步在线检测 ,发现R67开路(见图2),换新后开机,故障排除。

创维22L08IW液晶电视开机三无的故障维修 第2张

版权声明:本文为转载文章,版权归原作者所有,欢迎分享本文,转载请保留出处!