168P-L3N01A-01电源板常用作于创维酷开系列液晶电视中,深圳酷开公司是一家平台运营服务公司,以"智能电视操作系统一酷开系统”为运营核心,生产创维旗下新高端互联网电视品牌,如K1、K2、U1、U2、K40、K50、U55、A55等系列产品,深受广大消费者的青睐,成为网络电视的主流产品。
创维43K2型网络电视,是酷开公司倾力打造的一款产品,市场占有率很高,其使用的电源电路为168P-L3N01A-01型电源板。该电源采用电源恒流二合一方案,实物如图1所示。
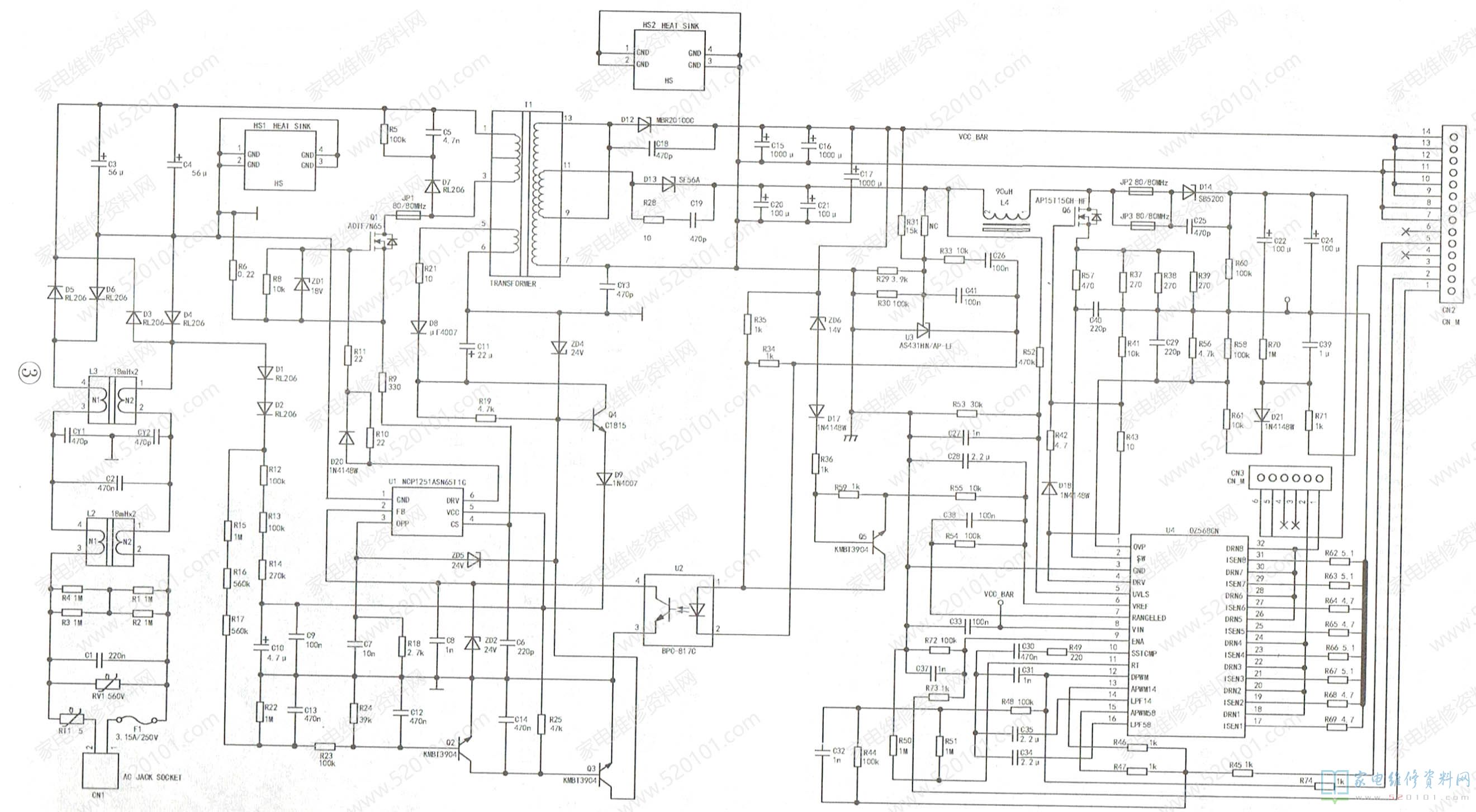
该电路由EMI抗干扰电路及全桥式整流滤波、PWM控制电路与稳压功率输出及恒流驱动三大电路部分组成。其中,电源部分采用NCP1251单芯片方案电路,具有PWM电路,电路未采用副电源电路;恒流驱动部分采用OZ568GN方案电路。
一、电路原理分析
本电源电路框图如图2所示,市电220V交流电经C1、C2、L2、L3等组成的EMI抗干扰滤波电路,再经D3~D6及C3、C4组成的桥式整流滤波后送往PWM电路NCP1251,使之正常工作,经开关管Q1和NCP1251电路控制后,再经变压器T1变压,经D12、C17整流滤波后,产生的12V电压送往主板电路,经过稳压后获得5V供电送给CPU工作。CPU正常工作后,输出开机信号(ON/OFF )再送往电源板,开/待机控制电路中的晶体管导通,输出vCC电压给背光控制电路,从而输出24V背光供电,为屏体供电,点亮液晶屏,使屏体正常工作。168P-L3N01A-01型电源板电路如图3所示。

1、EMI滤波电路
图3中,F1是保险丝,RT1是限流电阻,RV1是压敏电阻,CY1、CY2是共模滤波电容,L2、L3是共模电感,C1、C2是差模电容,R1、R2、R3、R4是泄放电阻。
2、PWM控制电路
市电220V交流电通过差模电感L2及全桥堆D3~D6及C3、C4组成的整流滤波后送到反激变压器T1初级,由泄放电阻及EMI电路获得启动电压,经二极管D1、D2和分压电阻R12、R13、R14送至PWM控制芯片NCP1251的⑤脚vcc端,作为它的启动电源,NCP1251正常工作后,控制开关MOS管Q1的通断,以起到控制T1次级线圈输出电压功能。正常工作后,由T1初级副线圈⑤-⑥绕组产生感应电压经R21限流D8、C11整流滤波,再经Q4、D9持续为NCP1251供电,最后使T1次级线圈产生12V、24V电压为主板及背光部分供电。
3、背光恒流电路
OZ568GN芯片是专为大尺寸设计的大功率、高电压的LED恒流驱动IC,芯片内部集成有BOOST升压控制模块、8路LED恒流输出通道,每路通道可输出90V/150mA电压。该控制器支持PWM(脉宽调制)模式和模拟调光控制LED,可接收外部脉冲宽度调制信号输入的调光控制。
OZ568GN是双排列32引脚,其中18、20、22、24、26、28、30、32引脚分别为8路LED恒流输出通道,17、19、21、23、25、27、29、31引脚分别为8路灯条电流反馈端,⑧脚为电源供电脚,①、②引脚分别为电压反馈和电流检测端,④脚为驱动输出、⑤脚为欠压检测、⑥脚为6V基准电压输出端,⑨脚是使能控制,10脚为软启动和控制回路补偿,11脚是BOOST工作频率设置,12脚为PWM控制信号输入端,13和15脚分别为1~4通道和5~8通道LED电流调节的模拟调光PWM信号输入端,14和16脚分别为1~4通道和5~8通道PWM模拟积分器的低通滤波器。经T1的⑦-13绕组得到的交流电压经D12和C15~C17整流滤波后得到12V的电压送至OZ568GN的⑧脚,使之开始工作,进入芯片内部的参考电压模块,提供参考电压偏置电流,为芯片各单元内核供电,内部的高频振荡器产生0Z568GN正常运行的时钟频率,从而使LED通道恒流电路各自产生独立的恒定电流且提供正常的反馈电流给芯片,内部的驱动模块提供驱动信号分别由18、20、22、24、26、28、30、32引脚输出以驱动外部NMOS进行升压工作,同时经过NMOS的电流会在电流模式控制下通过②脚电流检测端检测到,为电路提供多路保护电路。
二、常见故障检修流程
电源电路常见故障的检修流程见图4~图7。

三、常见故障检修实例
实例1:一台创维43E3500型液晶彩电(采用168P-L3NO1A-0O电源板),热机不开机,无电压输分析检修:经检查,发现U1的⑤脚供电在6V跳动。顺电路检查,发现稳压二极管zD4漏电。该管漏电造成三极管Q4给U1供电异常。目前已经维修多块此版号电源,均为ZD4不良,将其更换为16V的稳压管即解决问题。
实例2:一台创维43K2型液晶彩电(5S21 机芯),灯闪不开机。分析检修:根据故障现象,判断故障应在电源电路。灯闪不开机,说明有供电输出,但输出电压异常,相关故障电路多为PWM控制电路、T1变压器及相关电路、稳压功率输出电路等。首先检查稳压功率输出电路的12V和24V电压,发现12V和24V输出不稳定,电压来回波动。一般带有PFC功率因数的电路,应重点检查稳压取样电路,但此电源电路完全依靠PWM来控制变压器的输出,PWM异常自然会导致稳压功率输出电路输出异常,为此应首先检查NCP1251的持续供电是否正常。NCP251的供电采用传统射极跟随器电路,由T1初级副线圈⑤-⑥绕组产生感应电压经R21限流,D8、C11整流滤波,再经Q4、D9供给。测量C11输出电压约为16V (正常),NCP1251的⑤脚即vcc供电为12V~12.8V,且波动,说明故障在射极跟随器电路。检查Q4,未发现异常;顺查D9,发现反向阻值异常,将其换新,开机,机器恢复正常。
实例3:一台创维43K2型液晶彩电(5S21机芯),热机无输出。分析检修:冷开机一切正常,说明整流滤波、PWM启动电路稳压功率输出电路初始阶段都正常;热机无输出电压,判断为元件热稳定性变差所致,重点检查稳压电路和保护电路部分。首先查光电耦合器U2、U3取样IC、ZD6保护电路,未发现异常。仔细分析,当PWM芯片NCP1251异常保护也会导致无输出,③脚为PWM电路的各路保护脚,正常电压应为0V,实测电压约0.3V,说明此芯片的保护电路工作,导致内部振荡器关闭,从而后级无输出。检查NCP1251外围元件,发现R18 e接近开路将其换新后开机测量,③脚电压恢复正常,老化一天,故障未再出现。