S9300系列是2015年创维集团开始致力于OLED产品的研发产品,并成功开发出S9000、S9000C、S9300、S9A-1,S9D系列产品,尤其是S9300系列OLED产品,得到了广大消费者的青睐,具有很大的社会拥有量。本文对该系列彩电的电路原理及检修进行介绍,供广大维修同行参考。
创维S9300系列OLED彩电(8S87机芯)是一款4K OLED高端产品,具体机型有55S9300和65S9300,采用Mstar公司的MSD6A928+MSD6M50倍频方案,并采用创维专为电视设计的酷开5.0操作系统;安装有四核ARM cortex-A17,CUP最高频率为1.8GHz,六核ARM Mali-T760 GPU,双核V-Engine VPU,2.5G DDR3;支持4K 3D、2T USB、64GSD.All-HD单芯片一体机、DTMB地面数字电视;内置千兆双频WIFI、蓝牙4.0、 WIFI Direct.Hotsport;具有微信点播DLNA.AriPlay、Mieacast等功能;JBL全音域音响组合,具有JBL音效、DOLBY、DTS解码、TruSurroud、语音、空鼠交互功能,最大分辨率为3840X2160@60Hz,支持偏光3D及HDR功能。该系列彩电的主板实物图如图1所示,电路结构框图如图2所示。
电源板送出+5V STB供电给主板,经U1PO得到+3.3V_ STB给CPU供电;另外,+3.3V_ STB还给背光控制、SPI FLASH等电路供电,如图3所示。CPU得到供电和复位电压后外围晶振起振,CPU开始工作。MSD6A928(U100)内的主控系统先与UOM4进行通讯,然后主控制器运行UOM4内的启动程序(Mboot)。
U1工作后,CPU的部分IO引脚会输出默认电平,其中C2脚输出PWR-ON/ OFF开机信号(高电平),经Q0S3.Q0S4倒相后送往电源板。电源板得到PWR-ON/OFF开机信号后开始工作输出+24V_ NOR、+12V_ NOR电压。+12V_ NOR电压经UOP2稳压输出+1.2V给U1内核供电;+12V_ NOR经UOP17稳压输出+5V_ NOR,经U1P2、UOP19稳压得到+3.3V和+1.5V_ DDR。主控系统对NAND FLASH、EEPROM、DDR3 SDRAM进行初始化。主控系统与DDR通讯后,将NANDFLASH中的主程序装载到DDR中,并运行主程序,开始对各类寄存器进行初始化,检测音响等总线器件,并对其初始化,主控系统从UOM2中读取用户程序数据,初始化完成后系统处于开机状态。
一、单元电路
1.主板电路
(1)+3.3V_ STB供电稳压电路
该电路如图4所示,电源板上副电源电路送来的+5V_ STB电压经稳压器U1P1 (AMS117L/TR-HF)稳压,得到+3.3V_ STB供电,给U100中的待机CPU供电。
(2)开/关机控制电路
该电路如图5所示,U100正常工作后,其C2脚输出M_ PWR-ON/OFF开机信号(高电平),则QOS4的集电极为低电平,Q053截止,其集电极输出高电平开机信号,经插座CNOS1的④脚送往电源板,电源板正常工作,输出12V.24V电压。
(3)复位电路
该电路如图6所示,在开机瞬间,+5V STB电压分两路送给复位电路:一路经DOR1给COR2充电,待充满电后给QOR5的发射极供电;另一路经ROR2给COR6充电,待充满后经R1R0给QOR5的基极供电。上电后Q0R5由截止变为饱和导通,随着COR6不断充电,QOR5会由饱和导通变为截止,即U1的复位脚(B1)的电平变化是:低电平一高电平一低电平,从而完成高电平复位。
(4)+1.2V_ CORE供电产生电路
该电路如图7所示,电源板送来的+12V NOR电压加到UOP2为核心的DC/DC变换电路上变换得到+1.2V cORE电压,作为主芯片内核电路的工作电压。
(5)USB供电电路
该电路如图8所示,电源板DC/DC变换电路送来的12V供电加到以UOP18为核心的DC/DC变换电路.上变换得到+5V USB供电,给主板上USB电路供电。
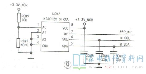
(6)EPROM电路
UOM2用于存储用户设置、开机状态.MAC地址、KEY码、数字电视序列号、串货条码等信息,其⑤脚为串行数据线,⑥脚为串行时钟线,⑦脚为写保护控制端,相关电路如图9所示。
(7)SPI FLASH 电路UOM10是一款16Mbit串行FLASH,用于存储6M50的引导程序,其电路如图10所示。①脚为片选控制输入,②脚为串行数据输入/输出,③脚为写保护控制,④脚为接地,⑤脚为串行数据输入输出,⑥脚为时钟输入,⑦脚为暂停控制,⑧脚为供电。
(8)数字音频功放电路
考虑到伴音功率,该系列彩电采用TAS5711+TAS5766双数字音频功放电路。其中,TAS5711是内置重低音功放,TAS5766为左、右声道功放。U0A3(TAS5711) 内部集成了数字音频处理、串行音频端口、数字音频接口、串行控制、微控制SRC、降噪、功放输出、保护逻辑等电路,其3、35、34、40、41、44、45脚为24V供电脚,17脚为3.3V模拟供电脚,⑧、27脚为3.3V数字供电脚,19(PND)脚是待机控制脚,四(RESET)脚是复位脚,23(SDA)脚、24(sCL)脚为数据、时钟总线脚,15(MCLK )脚为主时钟输入脚,20(LR-CLK )脚为串行音频数据左右时钟输入脚,21( sCLK )脚为串行音频数据时钟输入脚,22(SDIN)脚为串行音频数据输入脚,①[OUT. A)脚、46(OUT_ B )脚分别为左、右声道音频信号输出脚,36(OUT. D)、39(OUT_ C )脚分别为左、右重低音音频信号输出脚,其中,15、20、21、22脚是IIS数字音频信号输入脚。
2、电源板电路
创维55S9300电视采用板号为168P-P8F052-00的电源电路,它由EMI滤波、副电源、功率因数校正DC/DC变换、开/待机控制过压保护等电路组成,其框图如图11所示。
AC220V交流电经EMI及桥式整流滤波电路后,送往副电源与PFC电路。副电源产生的5V电压送往主板,在经过稳压后送给CPU。二次开机后CPU输出开机信号(ON/OFF )送往电源板,在开/待机控制电路作用下,VCC电压送到PFC电路,PFC电路工作,输出380V电压送给DC/DC变换电路,最后得到+20V、+12V、+24V电压。其中,+20V为OLED屏供电,+12V、+24V为主板电路供电。
(1)EMI与整流滤波电路
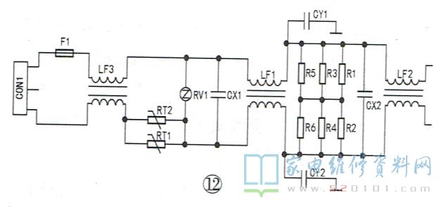
该电路如图12所示,F1是保险丝,RT1、RT2是限流电阻,RV1是压敏电阻,CY1、CY2是共模滤波电容,LF1、LF3是共模电感,CX1、CX2是差模电容,R1~R6是泄放电阻。
(2)副电源电路
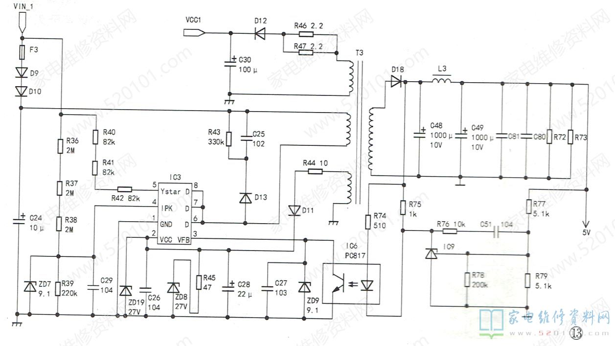
该电路如图13所示,IC3(FA8A01)为开关稳压电源控制IC,T3为开关变压器,IC6(PC817 )为光电耦合器;R43.C25.D13组成尖峰脉冲吸收电路,用于保护IC3内部的功率开关管;R77、R79是5V稳压的取样电阻;R74是IC6光耦的偏置电阻,C51.R76用于消除寄生振荡,防止电路误动作。(3)PFC功率因数校正电路该机采用交错式临界导通模式(BCM)功率因数校正电路,如图14所示。
IC1(FAN9611)为PFC控制IC,L1、L2、Q1、Q2、D14、D1组成PFC升压电路,D2为分流二极管,R14.R17.R13.R70为过流检测取样电阻;R24~R28为PFC电压检测取样电阻;C1~C3为滤波电容;C10.C11.R18为环路补偿元件。
(4) +20V DC/DC变换电路
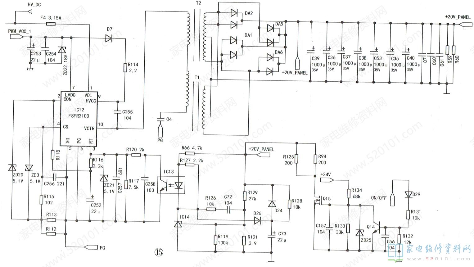
该电源DC/DC变换电路如图15所示,IC12是高效率半桥谐振开关电路,T1.T2为脉冲变压器,R114为限流电阻,R112.R113.R115是电流检测电阻,R129、R121为取样电阻,IC13为光电耦合器,IC14为具有电压基准的精密稳压集成电路,C72、R126用于防止寄生振荡。
(5)+12V、+24V DC/DC变换电路该DC/DC变换电路如图16所示.IC2是高效率半桥谐振开关电路,T5为脉冲变压器,R35为限流电阻,R103.R33是电流检测电阻;R69.R67为取样电阻,IC5为光电耦合器,IC10为具有电压基准的精密稳压集成电路,C47.R65用于防止寄生振荡。
二、故障检修实例
S9300系列彩电属于自发光的OLED产品,由于OLED主动式高精密发光屏体具备完善的保护措施,开机及关机必须要有标准的上电及放电时序(类似电脑开机启动及关机),并且屏体具有自我数据恢复和屏自锁功能,当部分电路工作异常时,为防止对屏体造成损坏,屏体会进入锁死状态。所以,检修时要判断准确,不可轻易更换机芯板和部分元件,这点要切记。同时,部分故障现象与传统液晶电视有所不同,下面举例说明。
例1:一台55S9300彩电,二次不开机。
分析检修:为准确判断,先连接串口工具读取打印信息,显示机器在等待状态,操作遥控和键控都无法开机。重新升级软件后可以正常开机,遥控、键控操作也恢复正常,打印信息显示机器处于上电开机状态,但待机后机器又无法开机了。此时已排除软件问题,怀疑待机电路异常。拆机实测,待机状态,12V和24V输出电压均正常;断开主板,12V和24V电压均为0V,说明电源电路基本正常。再次接入主板,发现无论主板电源控制POWER ON/OFF为何种电平,电源板上的12V和24V均有输出,这显然不正常。正常开机时序是,主板上复位电路先输入12V,完成复位动作后,此12V应该消失。此机由于12V不消失,导致主板状态异常。检查开/待机控制电路,发现控制管Q12异常,换新后故障排除。小结:此机主板的复位需要12V电压,并对上电时序有严格的要求。检测供电不能单纯的检查供电有无,而应结合时间段进行检测。
例2:一台S930系列液晶彩电,上电后电源指示灯闪烁。分析检修:本系列OLED产品的指示灯规律如下:主板锁死一呼吸灯不亮,电源指示灯闪烁;数据恢复一呼吸灯常亮,电源指示灯闪烁。结合故障现象分析,此机屏体进入自锁状态,说明主板或操作系统异常,或者主板误动作,须人为解锁进行确定,具体操作如下:连接TV160刷机盒子(或串口小板),打开超级终端软件,敲击电脑ENTER键,插上交流电源,直接打印信息停在BOOT命令状态:输入' printenv"查询信息,如图17所示。
返回的信息出现“ShutDown=1",如图18所示,说明屏坏引起主板锁死。接下来输入"setenv ShutDown 0"、' save" 、“ res"三条命令,解除主板锁死状态,如图19所示。
解锁后,可以看到屏显示是否异常,若出现花屏、屏裂、竖线等现象,说明屏已损坏。此机解锁后,屏显示完全正常,由此怀疑主板误动作,重新更新软件后,进行正常老化,2天后机器完全正常,故障排除。小结:此例故障为软件系统紊乱导致的屏锁误动作,碰到这种情况,一定要老化足够量的时间来确定,并更新软件,以确保故障隐患彻底消除。
例3:一台65S9300彩电,二次不开机。
分析检修:根据故障现象,分析软硬件故障均能导致,本着先简后难的检修思路,接入TV-160刷机盒子,连接串口,通电检测打印信息,回馈信息如下:
UART_ 115200
AC_ ON
MIU0_ DQS-OK
MIU1_ DQS-OK
MIU2 DQS-OK
BIST0-OK
BIST1-FAIL
UART 115200
AC_ ON
MIUO_ DQS-OK
MIU1_ DQS-OK
MIU2_ DQS- -OK
BISTO-OK
BIST1-FAIL
UART_115200
此信息中出现"BIST1-FAIL"提示,说明主芯片与DDR的通讯异常。先检查主芯片和DDR的供电,实测1.8V.3.3V、1.05V供电均正常。由于主芯片或DDR损坏可能性较小,且更换较烦琐,故先查连接两者的排阻。检测RP321已开路,换用一只新的2202排阻后通电,打印信息显示正常,故障排除。
小结:检修二次不开机故障时,如有条件可先看开机打印信息,减少误判,提高维修效率。
例4:一台5559300彩电,不开机,电源指示灯及呼吸灯均不亮。
分析检修:此机电源指示灯和呼吸灯都不亮,这既不符合数据恢复状态特点,也不符合屏锁状态的特点。为快速判断故障部位,试用TV160刷机盒子进行解锁,无法成功,说明故障出在电源板或负载部分。拆机维修,实测电源板输出的5V电压正常,待机控制STB信号电压为1.5V,也基本正常,但无12V和24V电压输出,检查负载未发现短路现象,确定故障在电源板上。检测PFC电压为380V,正常;vCC电压为18V,也正常,判断PFC电路和副电源电路正常。检查主电源电路,测IC1(FAN9611)的①脚电压为380V(正常),14脚vcc供电为10V,低于正常值18V很多,说明此路供电有问题。IC1的14脚供电电路如图20所示,副电源初级绕组的感应电压经D12.C30整流滤波后得到vcc1电压(见图13),再经Q5.Q6稳压后输出,为主芯片和PFC芯片供电。检查上述元件,发现Q6损坏,换新后开机,测得IC1的④脚供电为18V ,此时主电源输出的12V和24V电压均正常,故障排除。
例5:一台5559300彩电,黑屏。
分析检修:该机电源指示灯亮,说明电源的副电源5V基本正常,故障部位应在主电源输出或负载电路中。首先测量24V供电只有5.8V,断开24V负载电路,电压没有变化,排除负载短路的可能性。该电源的各组输出电压由独立的芯片控制,24VDC/DC电路由FAN7631控制。为进一-步判断故障点,人为断开光耦PC1,发现24V电压瞬间升到30V,由此判定控制芯片正常,故障应出在稳压电路。检查取样IC及取样电阻和光耦,未发现异常;检查周边电容,发现C12漏电,换新后开机,24V电压输出正常,故障排除。
例6:一台55S9300 彩电,有图像,无伴音。
分析检修:据故障现象分析,电源电路正常,故障部位应在伴音处理、伴音功放部分。拆机,先检查伴音功放电路,发现供电保险电阻已开路。换新后测量,发现后级短路,为找到短路点,逐个断开供电负载元件,当断开滤波电容C8A64后,短路现象消失,说明C8A64漏电,将其换新后开机,伴音恢复正常。小结:OLED电视的伴音电路与液晶电视的伴音电路基本一样,可按照液晶电视的检修方法进行检修。
例7:一台6559300彩电,CA卡显示无效。
分析检修:在一体机状态下选择区域重置,电视重启后只显示“通用永新视博”,无法识别当地CA卡,提示其为无效卡。升级最新软件恢复出厂设置都无效。咨询技术人员得知,该故障解决方法如下:在本机信息界面按遥控器上的“上、上、下、下、左、右、左、右”键进入工厂菜单,在“其他设置”菜单中将“工厂单键”设置“关闭" ,重新进行区域重置,最后重启电视,这时电视机将自动进入“设置向导”,按步骤设置后,搜台即可恢复正常。
小结:该系列电视在有线信号状态下第一次开机,都会出现“设置向导”,按提示操作即可,之后开机就不会再显示“设置向导”。因此,若人为进行一体机的区域设置,电视将无法自动识别非工厂设定的“永新视博”以外的CA卡,从而显示CA卡无效,这点须注意。



