创维49K1Y液晶电视通电指示灯不亮且不开机的故障维修

2022-06-06 19:20:41  阅读 1512 次 评论 0 条
摘要:

接修一台创维49K1Y型机(8A16机芯),通电后指示灯不亮,不开机。此故障与开关电源、主板均有关。测试接主板插座CN5②脚12V电压为0V,拔下此插座再测12V电压仍为0V,电源输出24V电压也为0V,

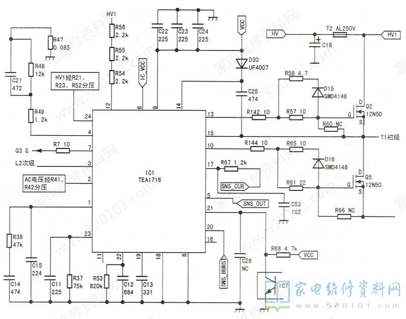
       接修一台创维49K1Y型机(8A16机芯),通电后指示灯不亮,不开机。此故障与开关电源、主板均有关。测试接主板插座CN5②脚12V电压为0V,拔下此插座再测12V电压仍为0V,电源输出24V电压也为0V,由此判断故障在开关电源。此机电源板型号为168P-P42EXL-01,板上仅有一个IC,其型号为TEA1716(IC1),如图1所示。此IC有24个引脚,集成有PFC及主电源振荡控制器(HBC)两部分电路,相关引脚功能如下:

创维49K1Y液晶电视通电指示灯不亮且不开机的故障维修 第1张

       (1)与PFC有关的引脚:①脚,外接PFC控制器频率补偿网络R38、C14、C15。③脚,PFC功能过零检测端,接PFC自举储能电感I2的次级。④脚,PFC过流检测,外接功率管Q3的e极过流检测电阻R47及R48、R49。当此脚电压超过0.5V时,过流保护启动。⑦脚,PFC驱动输出,接Q3 G极。國脚,PFC(HV1)检测多功能脚,一是作PFC稳压控制,PFC波动电压与内接2.5V基准电压比较器比较,输出误差信号经①脚外接RC滤波形成控制电压,调整⑦脚驱动频率,实现PFC输出稳压控制。二是PFC输出过压检测,当此脚电压超过2.63V时,PFC电路保护。三是PFC输出欠压保护,当此脚电压低于1.6V时,PFC保护。四是PFC电路短路检测,当PFC输出过载时,PFC电压快速下降,当此脚电压低于0.4V时,IC因过载而保护。正常工作时,④脚电压为2.5V。

       (2)与供电有关的引脚:②脚,为AC掉电、过压检测端,外接分压电阻R41、R42,正.常时此脚电压为3.1V,当该脚电压低于0.89V时,IC欠压而锁死保护。②脚电阻R54~R56接HV1电压,启动内电流源对⑥脚外接电容充电产生15V启动供电。HBC电路工作后,T1初级第二绕组整流滤波所得的直流电压接入⑥脚(24.4V),持续给IC供电。当⑥脚电压低于13V时,IC停止工作。⑨脚内部电源调整输出11.3V,当⑥脚有电压建立时,此脚才将产生此电压,该电压为HBC桥式驱动电路和PFC驱动电路供电。22脚是IC使能、软启动端,外接RC元件。当此脚电压在1.2V~2.2V时,IC启动工作。23脚内接保护及重启动定时器,外接R37、C11到地。

       (3)与HBC电路有关的引脚:⑤脚(SNS_OUT),主电压过压监测端,当⑤脚电压升到3.5V时,表明主电源输出过压;当此脚电压为0V时,说明电路发生突发故障,这常与20、21脚有关。20脚内接突发激活电路,21脚(FB)为12V、24V稳压反馈端。10脚,驱动下管脉冲输出,接Q5栅极。13脚,驱动高边管脉冲输出(197V),接Q2栅极。14脚,HBC电路高边驱动器供电端,⑨脚电压经自举二极管D30接入此脚。在HBC电路工作后,半桥振荡脉冲经自举电容C25连接14脚,使14脚电压达201V。17脚,半桥振荡脉冲监控电压输入端,通过内电路控制LLC振荡。此脚正常电压在-1.75V~+1.75V之间,若超出此范围,将关闭驱动输出。19脚,HBC电路最小振荡频率设置端,外接电容C13到地。
     根据故障现象分析,该机故障出在HBC电路中。测IC1 12脚高压供电为0V,⑥脚、⑨脚电压均为OV,Q2 D极电压也为0V,而大电容C18电压为300V。由此推断,300V电压没送入上述电路中。经查,保险管F4开路,Q2、Q5等元件正常。更换F4后试机,故障排除。

版权声明:本文为转载文章,版权归原作者所有,欢迎分享本文,转载请保留出处!