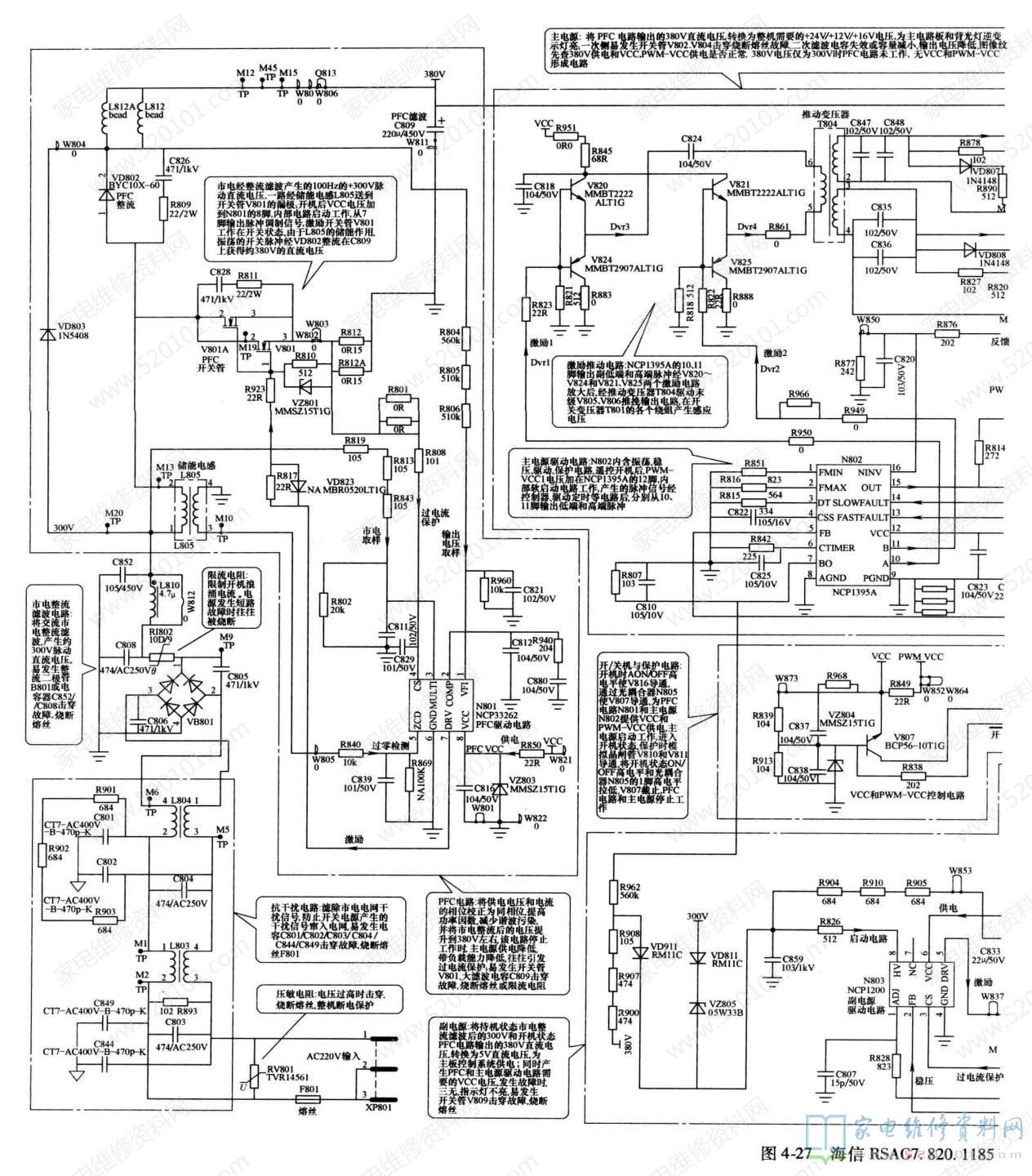
海信液晶彩电采用的RSAG7.820.1185电源板,应用于海信TLM4039CP、TLM40V69P 、TLM42V68P、TLM42V88GP、TLM42P69GP、TLM42E58P等液晶彩电中。海信RSAG7.820.1185电源板实物图解如图1所示;电路组成框图如图2所示。该电源板集成电路采用NCP33262 (N801) + NCP1200 (N803) + NCP1395A (N802) 组合方案。
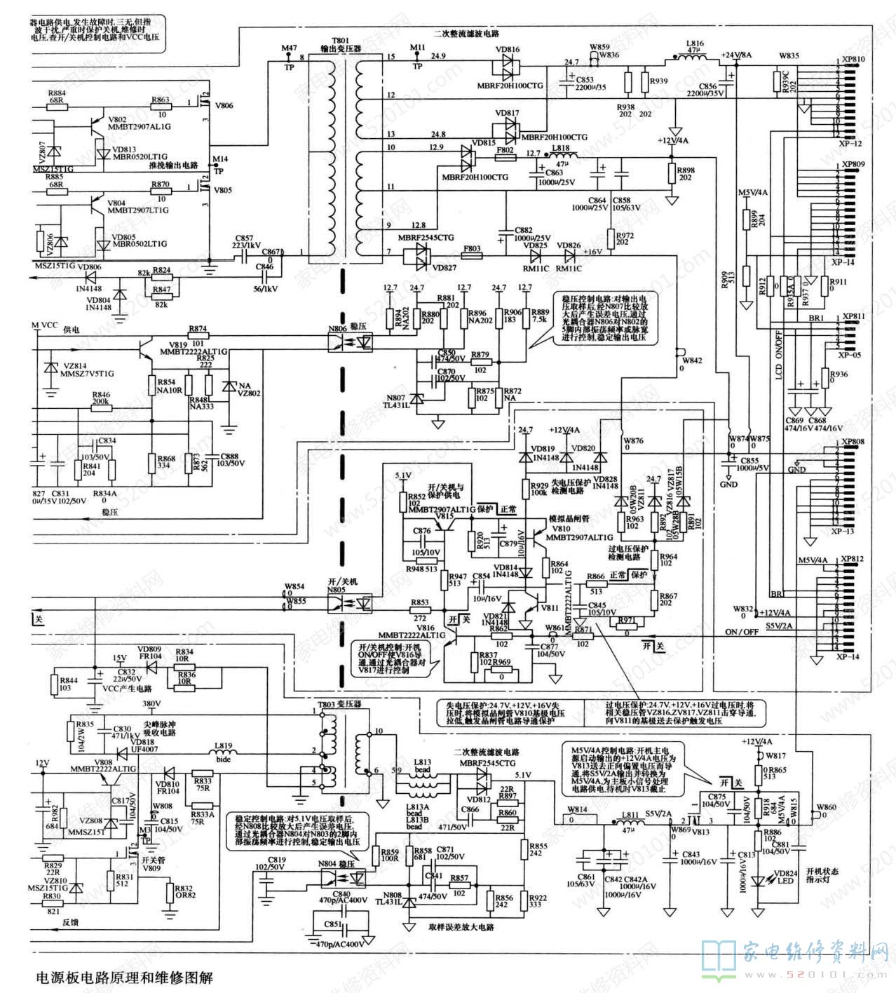
该电源板由三部分组成: 一是以集成电路NCP33262 (N801)为核心组成的PFC电路,将整流滤波后的市电校正后提升到380V为主开关电源供电;二是以集成电路NCP1200 ( N803)为核心组成的副开关电源,产生+5V电压,为主板控制系统供电,同时产生PFC电路和主电源驱动电路需要的vCC电压;三是以集成电路NCP1395A ( N802)为核心组成的主开关电源,产生+24V/8A、+12V/4A、 +16V 电压,为主板和逆变器板供电。
待机采用控制PFC电路N801驱动电路vCC和主开关电源N802驱动电路PWM-VCC供电的方式。接通市电电源后副电源首先工作,产生vCC和+5V电压,其中+5V电压为控制系统提供电源,二次开机后待机控制电路将VCC和PWM-VCC电压送到N801、N802, PFC 电路和主电源启动工作,为整机提供+24V/8A、+12V/4A、 +16V 电压,进入开机状态。该开关电源还设有以模拟晶闸管V810、V811 为核心组成的过电压检测和失电压检测保护电路,保护电路启动时,将开关机控制电路ON/OFF高电平拉低,进入待机保护状态。
该电源板的集成电路引脚功能和参考电压见表1 ~表3。
1.指示灯不亮
故障在副电源电路。先测量熔丝F1是否熔断,如果已经熔断,说明开关电源存在严重短路故障,注意检查抗千扰电路和市电整流滤波电路电容、二极管是否击穿,PFC电路和主、副电源MOS开关管是否击穿。再查300V或380V供电是否正常,N803 的8脚启动电压是否正常。上述工作条件正常,再查N803及其外部电路元器件,如果V809击穿,注意检测尖峰脉冲吸收电路是否开路失效,避免二次击穿V809。如果发生开机的瞬间指示灯亮,遥控开机后指示灯熄灭,则是过电压保护电路启动。
2.指示灯亮
主电源始终无电压输出,故障是主电源未工作。测量NCP1395A的12脚有无PWM-VCC供电,无PWM-VCC供电,检查开关机控制电路;有PWM-VCC供电,则测NCP1395A的10、11 脚有无PWM驱动脉冲。无PWM驱动脉冲,重点检查NCPI395A的外围元器件和各脚电压、电阻;有PWM驱动脉冲,查激励推动电路和推挽输出电路。
3. PFC电路故障
如果测PFC电路输出的电压为300V,则是PFC电路未工作,重点检查PFC电路。首先测量N801的8脚有无VCC供电,如果VCC电压正常,则检测N801的7脚有无PFC驱动脉冲输出。如果无PFC驱动脉冲输出,查N801的外围元器件;如果有PFC驱动脉冲输出,则检查7脚外部的V801。4.自动关机如果测主电源开机的瞬间有24V、12V、16V 电压输出,然后自动关机,测量保护电路V811的基极.电压变为高电平0.7V以上,则是以模拟晶闸管为核心的过电压保护电路启动。可采取解除保护的方法进行维修。全部解除保护:将V811的基极对地短路。逐路解除保护:对于过电压保护电路,逐个断开VZ811、VZ816、 VZ817; 对于失电压保护电路,逐个断开VD819、VD820、 VD828 。
海信RSAG7. 820. 1185电源板电路原理和维修图解如图3所示。

