该机开关电源采用日本FAIRCHILD公司生产的KA3S0680R新型电源厚膜集成电路,它被广泛用于大屏幕彩电电源电路。该模块内部含有基准电压源、振荡器、精密误差放大器、比较放大器、缓冲放大器、逻辑电路及软启动电路,具有过流、过热、过压、欠压等保护检测电路。由于采用KA3S0680R电源模块构成的开关电源输出功率大,外接元件少、保护功能完善等优点,故被国内外许多品牌彩电采用。
一、开关电源工作原理
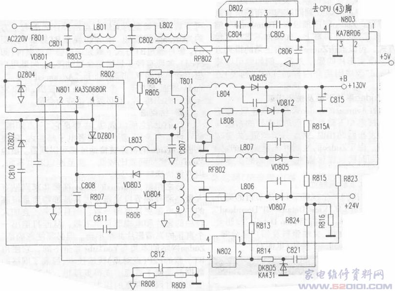
接通电源,如附图所示,220V交流电经L801、C801、L802、C802等元件滤出电源中的干扰源后送入整流全桥D802的②、③脚,经D802全波整流、C806滤波后形成300V左右的直流电压,此电压经开关变压器T801①-④绕组、电感L803送入N801(KA3S0680R)③脚(内场效应开关管D极)。
同时交流电源另一路经R802、R803、VD801、C808组成分压整流滤波由DZ804、DZ801钳位后得到约15V左右的直流启动电压,并送至N801③脚,此时N801内部软启动电路启动,振荡电路工作,当振荡频率达到150kHz时,N801内部将输出的脉冲信号进行放大整形,使内部场效应开关管导通,T801①~④绕组便有电路流过,同时使T801各绕组产生感应电压。
N801①脚外接电容C807构成谐振回路,在N801内部场效应开关管截止时,T801⑧脚感应电压经VD804整流及R806、R807分压,再由R807、C811组成延时电路延时后送入N801的⑤脚,经N801内部比较器内所设的值进行比较后,精确地控制场效应开关管在谐振电压达到最低点时导通。T801⑧脚感应电压经VD803、C808整流滤波后输出约16V左右的直流电压,为N801③脚提供稳定的工作电压。当某种原因引起负载开路或变轻时,T801各绕组输出的电压会升高,同时N802①、②脚内部发光二极管发光亮度增强,③、④脚内阻变小使N801④脚电位降低,经N801内部基准电压与比较器比较后改变开关脉冲的占空比,使输出电压保持稳定。
二、保护电路
1.过流保护
当彩电因故障使负载加重或短路时,流过场效应开关管D、S极的电流必然增大,于是N801内部检测过流现象,便触发电路进入保护状态,使之避免N801过流损坏。
2.过热保护N801内部设有过热检测电路,当某些原因造成N801内的基板温度上升到140℃时,内部过热保护电路启动,使振荡器停止振荡,并锁定状态。
3.过压保护
当市电电压上升到270V以上时,加在N801③脚的电压就会升到25V以上,内部过压保护电路便动作,使电源停振进行保护。
4.低压保护
当220V交流电压低于90V时,N801③脚电压将会降低于9V,此时N801内部的电压比较器会输出负误差电压并通过逻辑电路分析,最后使振荡器停止工作。
三、常见故障检修方法
1.+B输出电压过低
造成此故障的原因有:(1)稳压环路出现故障;(2)过流保护电路动作所致。
对于稳压电路出现的故障,重点检查N802③、④脚是否击穿,稳压管DZ801有无漏电现象,精密稳压集成块DK805(KA431)是否损坏。对于过流保护引起的输出电压过低,重点检查T801次级整流输出的各组电压有无短路现象,包括负载电路(可逐级断开检测)若以上检测正常可直接代换N801(KA3S0680R)。
2.开机烧保险
该故障重点检查C801、C802及消磁电阻、整流全桥D802、摅波电容C806,如上述元件正常也检查N801①、②脚内部开关管是否击穿。
3.开机无+B电压
造成无+B电压的原因有:(1)开关电源未进入工作状态。(2)保护电路动作。
对于第一种原因重点查C806正端有无300V直流电压,若有应继续检查启动电阻R802、R803有无阻值变大或开路现象,VD801 C808有无击穿漏电现象,若以上检测正常,应检查保护电路,重点查是否因稳压电路故障导致过压保护电路动作所致。测N801③脚电压正常与否,可判断是否因市电过高所引起的保护,通常该脚的电压正常应在16V左右。检测N801④脚电压,可判断是否因稳压环路失控所引起的过压保护,通常该脚电压高于2V则表明电路已处于过压保护状态,应对稳压环路进行检查。若以上几项检测都正常,则表明N801损坏,可代换一试。