海信液晶电视RSAG7.820.5536型电源二合一板将开关电源和LED背光灯驱动电路集中到一块印制板上,其开关电源电路采用NCP1251(N852),背光电路采用SELC2010M(N803), 应用于海信LED32K20JD LED32K30JD、LED32EC260JD、LED39K20JD、LED40K20JD等LED液晶彩电中。该板实物、电路组成框图参考《海信RSAG7.820.5536二合一电源板维修图解》一文。
一、电源电路工作原理
1.抗干扰和市电整流滤波电路
AC220V市电经电源开关控制后,首先进入抗干扰和市电整流滤波电路,如图3所示。该电路由电压过高限制电路、防浪涌冲击电路、进线抗干扰电路、市电整流滤波电路组成,产生+300V直流电压,为开关电源电路供电。
2.启动与欠压保护电路
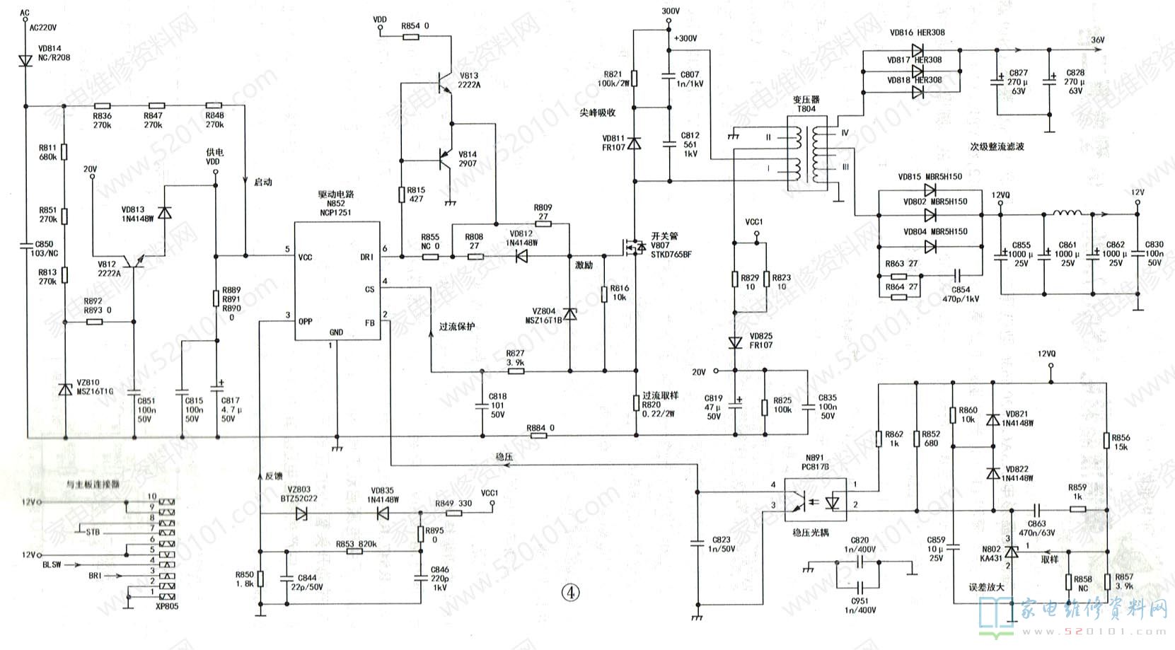
开机后,市电整流滤波后产生的+300V电压经T804的初级绕组I为V807的D极供电,如图4所示。
同时,AC220V市电经VD814、C850整流滤波及R836、R847 R848降压后,为N852的⑤脚提供启动电压,开关电源启动工作,N852的⑥脚输出激励脉冲,推动开关管v807工作于开关状态,其脉冲电流在T804中产生感应电压。其中,T804初级绕组I产生的感应电压vCC1分为两路: 一路经R829、R823限流、VD825整流、C819滤波后产生20V电压送到V812,经V812、VD810稳压控制后,代替启动电路为N852的⑤脚提供启动后的工作电压;另一路送到由VD835、ZD803组成的过功率反馈和保护电路中。T804次级Ⅲ、Ⅳ绕组产生感应电压,一组经VD802、VD804整流, C855、C861、L811.C862滤波后产生12V电压,为主板等负载电路供电;经开/关机电路控制后输出12VCC电压,为背光驱动电路供电;另一组经VD16~VD818整流,C827、C828滤波,产生36V电压为LED升压电路供电。N852的引脚功能与实测数据见表1。
3.稳压电路
本电源稳压采用过渡响应及电流模式控制方式,通过光耦N891控制N852②脚输出电流的大小,实现输出电压的稳定。当负载变轻或输入电压升高时,输出的12V电压也跟着升高,N802产生误差电压,通过光耦控制N852②脚的电流,从而控制N852⑥脚输出的PWM脉冲占空比,达到稳压控制的目的。
4.过功率(OPP)保护
过功率保护功能主要由N852的③脚及外部元器件组成。正常工作时,当某种原因造成vCC升高时,N852的③脚电压也跟着变高,在IC内部电路的控制下v807的导通时间减少,输出功率下降。当vCC1过高时,N852内部工作电路复位,重新启动。若OPP状态没有改变,则电路一直工作在“启动一+保护一启动"状态,直到OPP状态解除为止。
5.开关管过流保护
N852的④脚为电流检测输入端。若流过开关管V807的电流过大,则S极电阻R820两端的电压降随之增大,N852的④脚电压升高,当④脚电压超过保护阈值时,④脚内部保护电路启动,⑥脚停止输出脉冲。
6.市电欠压保护
AC220V市电经VD814整流、C850滤波后产生直流电压,经R811、R851、R813降压、VZ810稳压后为V812的b极提供偏置电压,V812导通;当市电电压过低时,V812因b极电压过低而截止,N852工作于临界状态。
二、背光电路工作原理
该板的背光电路由SELC2010M(N803 )、V712、L701、VD835/836、C717/718.V713等元件组成,如图5所示。将开关电源输出的36V电压提升,为LED背光灯串供电,并对LED背光灯串电流进行控制和调整。
1.SELC2010M简介
SELC2010M是LED背光灯驱动控制电路,内含偏置电路、参考电压、检测逻辑控制电路、振荡器、驱动输出电路、电流检测电路等,其引脚功能见表2。
启动升压过二次开机后电源板输出的36V电压经储能电感L701加到升压开关管V712的D极,主板发出的背光开启信号BL-SW和亮度BRI信号同时送到背光电路中,BL-SW信号使开/关机控制管V717.V718导通,输出12vCC电压为N803及其外部电路供电,背光电路启动工作。N803启动后,其振荡频率和脉宽受②、⑥、⑦、⑨、15脚外部元件控制,同时从①脚输出基准电压。N803从③脚输出升压激励脉冲,当V712导通时,36V电压通过储能电感I701及导通的V712流通到地,此时电感处于储能状态,L701上的自感电势极性为左+右-;当V712进入截止时,因电感中的电流不能突变,此时电感中的自感电势极性变为左-右+,与36V电压叠加,经过升压二极管VD835.VD836整流,C717、C718滤波后得到的电压为LED灯条供电。
3.LED恒流控制电路
N803的11脚输出LED电流控制脉冲,控制调流开关管V713的导通和截止,达到调整LED灯串电流和背光亮度的目的。V713的S极电阻R738//R739是恒流检测电阻,其两端压降经R714、R715反馈到N803的16脚,与内部的基准电压进行比较,从而调整11脚输出脉冲的占空比,在一定范围内调整LED灯条电流。
4.亮度调节和3D模式调整
主板送来的模拟亮度调整BRI电压经V912、V942放大后,经VD832对N803的14脚内部振荡电路频率和占空比进行控制,以达到亮度控制的目的。因3D模式需要较高的背光亮度,所以在进入3D模式时,主板送来的3D-EN开启电压,一是经V918将N803的16脚电流反馈电压拉低,使V713导通时间延长,流过LED电流增加,背光亮度增加;二是通过V938、V936、V939对N803的13脚数字亮度电压进行控制,达到增加背光亮度的目的。
5.升压开关管过流保护电路
N803的⑤脚CS内设过流保护电路,R745~R748为升压回路电流检测电阻。当该电路电流过大时,检测电阻上的压降也相应增大,当N803的⑤脚电压大于1V时,芯片内保护电路动作,减小输出PWM脉冲占空比,则输出电压变低,流过升压管的电流减小。
6.升压输出过压保护
当LED灯条开路或插座接触不良时,输出电压升高,电阻R750~R753分压取样的OVP1电压也随之升高,N803根据②脚电压对输出脉冲占空比进行调整以稳定输出电压。当OVP1电压达到N803保护阈值时,内部保护电路启动,停止输出激励脉冲。
三、背光电路维修实例
例1:开机时屏幕闪一下,声音正常。分析检修:测得N803的①脚12VCC供电和为升压电路36V供电均正常,测试LED+在开机瞬间有升现象,随即降为36V,判断过压保护电路动作。采用脱板接假负载的方法维修。首先判断是否因灯条不良引起的过压保护,估算并调整假负载电阻阻值,接入电路,测得LED+电压为稳定的60V,判定屏内LED灯条有问题。小心拆开屏后,发现底部灯条挨近插座的第一颗灯珠变黑。 因手头无合适的灯条和灯珠更换,考虑只有一颗灯珠损坏对屏亮度影响不明显,于是用导线将坏灯珠短接后上电试机,故障排除。
例2:黑屏,指示灯亮。分析检修:指示灯亮,说明开关电源正常。二次开机后仔细观察,发现背光没亮。检查LED驱动电路的供电、点灯控制、亮度调整电压都正常。测量LED+升压输出端电压,开机瞬间升到45V,然后降到35V左右,说明升压电路已启动。测量调流开关管V713的G极电压,开机瞬间为9V,S极电压为0V。按理说,V713应导通,S极电压不应为0V。测量s极电阻正常,判断V713内部开路,更换V713后故障排除。

