一、电路信号流程
1、主板信号流程
入,第一路经插口P912输入,第二路经插口P913输入,第三路经插口P914输入;VGA视频信号经插口P910从U212的29~35脚输入;VGA音频信号经插口P911输入;两路色差分量信号,第一路Y1.Pb1.Pr1及L1、R1信号经插口P906输入,第二路Y2、P62、Pr2及L2、R2信号经插口P905(注:与VGA音频信号输入脚共用)输入;LAN (局域网络)信号经插口P501 送入U501(IP101A )的30、31、33、34脚,经解调后从U212的147、148...156等脚输入;两路AV信号,第一路CVBS0、L0、R0信号经插口P908输入,第二路CVBS1、L1、R1信号经插口P915输入;卡拉OK L、R话筒信号MC经插口P609送入运放U700( RC4558 )②、⑥脚,被放大后再送入U212的的69、70脚;一路AV输出信号是从U212的52、63、64脚输出,经射随放大电路放大及阻抗变换后,接插口P909对外输出,一路SPDIF信号经插口P1对外输出。软件升级、键盘及鼠标等输入插口图1中省略,其余请参见图1,在此不再赘述。
2、供电流程图
该机芯的供电流程框图如图2所示。由图2可知,来自开关电源的+3.3VSTB待机电压与+24V主电压,被送至主板上插座P801的⑧脚与④脚。其中,④脚送出的+24V电压,一路作为音频功放电源被送至音频功放块( TAS5706)的8、51、52、58脚;另一路经DC/DC变换块U803( MP1593DN )降为+12V,+12V电压被分为四路:第一路作为屏电源VCC_PANEL经Q202 (BT3904 )及U207(A04803)作开关控制后,送往逻辑板;第二路作为静音电路主电源,被送往静音电路;第三路经DC/DC变换块U103(LD1117S50)变为+5V_IF,作为高、中频电路工作电源。另外,+5V_IF还经振荡升压电路变为+33V,作为高频头BT端子调谐电压;第四路经DC/DC变换块U801(RT8110)降为+5V。该+5V电压被分为八路:第一路经L701滤波作为HDMI0_5V电压,被送往HDMIO输入插口P912电源端,及保存有HDMI输入显示格式存储器U901( M24C02 )的供电端;第二路经L702滤波作为HDMI1_5V电压,被送往HDMI1输入插口P913电源端,及保存有HDMI输入显示格式存储器u902( M24C02)的供电端;第三路经L703滤波作为HDM12_ 5V电压,被送往HDMI2输入插口P914电源端,及保存有HDMI输入显示格式存储器U903( M24C02 )的供电端;第四路经L705滤波作为VGA_ 5V电压, 被送往VGA输入插口P910电源端,及保存有VGA输入显示格式存储器U904(M24C02)的供电端;第五路经DC/DC变换块U208( MP1482)变为VDDC( +1.26V)电压,给主控芯片U212( MST6i58 )的83、92..脚供电;第六路经Q910.Q912开、关控制后作为5V_ USBO电压,被送往USB1插口供电端;第七路经Q911、U906(RT9711)开、关控制后作为5V_ _USB1电压,被送往USB2插口供电端;第八路经DC/DC变换块U211(AIC1084 )变为33V_NORMAL( +3.3V)电压。该电压又被分为十六路,见图2流程图。U211 输出的3.3V还经DC/DC变换块U210 (LD1117S) 降为vCC1.8V,该电压被分为二路:第一路经L313滤波作为AVDD_DDR( +1.8V)电压,被送至主控芯片U212的171、176等脚;第二路经L314滤波作为DDR1.8V-1电压,给DR存储器U201( EDE1116AEBG )提供电源。
来自P801⑧脚的+3.3V_STB待机电压主要为指示灯电路、遥控电路、键盘电路、复位电路、小微处理器U1(MSP430F2111)及电源管理控制芯片uo01( wT6702F )等供电,详细情况从略。
3、视频信号流程

由图3可看出,电视中频信号从高频头11脚输出,被Q100预中放后,由C107耦合至图像声表面滤波器X102( K6274D )进行信号幅频选择,然后送入中放及信号解调块U104( TDA9885T )的①、②脚,在内部经AGC中频放大PLL视频检波等处理后解调出图像信号,并从U104的17脚输出,再由Q104放大及阻抗变换后经C121、C124送入主控芯片U212 (MST6i58)TV信号输入端48、49脚,随后被送入信号选择开关。被选择后的TV图像信号经A/D格式转换、3D梳状滤波等-系列处理后,被送入视频格式转换电路,经LVDS编码后形成的LVDS数据和时钟信号从U212的139、140...117等脚输出,通过插座P204送入逻辑板,再驱动液晶屏重现图像,见图1。三路HDMI信号分别经插口P912、P913 及P914从U212的11、12..19脚、1、2、10及96、97、106脚输入,VGA信号经插口P910从U212的29、30...35脚输入,两路YPb、Pr信号分别经插口P906、P905从U212的27、25、28、38、37、40脚输入,P501输入的网络信号最终从U212的147、148...156脚输入,AV1、AV2信号分别从46、43脚输入。AV信号经主控芯片选择,将经过与TV信号一样的处理过程,而其他信号,如HDMI信号可省掉A/D转换,直接转换成Y、Pb、Pb数字信号,经格式转换、LVDS编码形成LVDS数据和时钟信号,由显示屏重现图像。两路USB1、USB2插口的输入或输出信号,则经过U212的108、109、233、234脚进行。
4、音频信号流程

该机芯音频信号流程框图见图4。由图4可看出,从高频头11脚输出的中频信号,被Q100预中放后,由C107耦合至伴音声表面滤波器X101(K9352M)进行伴音中频信号幅频选择,然后送入U104的伴音中频信号输入端23、24脚。在内部经AGC伴音中频放大、鉴频等处理后解调出音频信号,并从U104的12脚输出,经C131、C137耦合至主控芯片U212的TV音频信号输入端55、56脚,然后送至信号选择开关。经选择后的伴音音频信号在U212内部经音频数字化处理及音效处理后的音频数据与时钟信号,从其222、223、226、227脚输出,经R607、R602、R605、R601等送往数字音频功放块U601(TAS5706 )的信号输入端34、22、23、25脚。音频信号经U601进行功率放大后,分别从U601的4、5;1、64;49、50;45、46脚输出,再经数/模转换电路转换后推动两路扬声器及外接扬声器发声。VGA/Y2、 Pb2、Pr2/Y1、Pb1、Pr2/AV1/AV2音频信号/卡拉OK MC话筒信号送入U212相关引脚后,经音频选择开关选择后,经与TV音频信号相同的处理过程,然后由扬声器发声。该机芯的AV音频信号从U212的63、64脚输出。U601的21脚为静音控制端,当该脚为低电平时U601的放大器将关闭输出,即扬声器静音。至于开/关机时的自动静音及观看过程中的人为静音原理,将在后述的故障检修中叙述。
二、典型故障检修思路
1、不开机
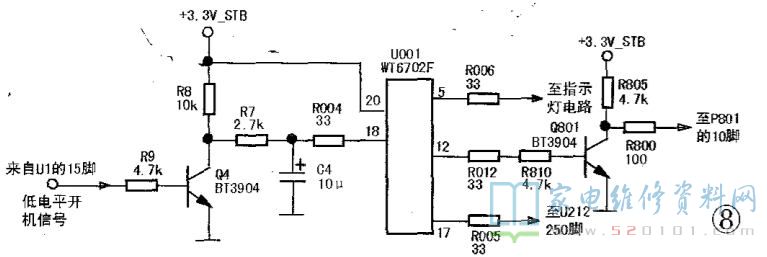
不开机,是指开通电源开关,按下开/待机键后待机指示灯不能改变颜色(比如本机芯应由红色变为绿色),机器声光全无。本机芯的开机过程是:开通电源开关,开关电源中的待机电源首先工作,并产生+3.3V_STB待机电压。此电压将作为指示灯电路、遥控电路、键盘电路、复位电路、按键板上的单片机u1( MSP430F2111)及电源管理芯片U001( WT6702F )等相关电路的工作电源,并使它们进入工作状态。这时,若按下开/待机键: (假定彩电此前是用遥控器开/待机键关的机),按键板上的U1接收到开机指令从U1的15脚输出低电平开机信号->控制管Q4截止(相关电路参见后面检修实例1的图8)->c极输出高电平->U001的18脚高电平,这时U001⑤脚输出高电平,使待机指示灯由红色变为绿色。与此同时,一方面12脚输出低电平->Q801 截止->插座P801的10脚为高电平->开关电源中的主电源工作->P801①、②、④脚有+24V电压输出,经各类DC-DC转换形成控制系统所需电压,主控芯片U212内嵌CPU的时钟电路、复位电路也将得电工作,另一方面遥控信号输入U001的17脚输出低电平同时也接入主控芯片U212的250脚得到低电平开机信号->220脚输出ON_PBACK高电平背光灯点亮信号、219脚输出ON_PANEL高电平显示屏供电信号、亮度控制端231脚输出显示屏出厂时设置的初始ADJL PWM2亮度信号->显示屏点亮、并出现“TCL王牌”字符,全过程历时约10s。若上述开机过程因故障受阻,主控芯片U212上述控制将输出与开机相反的电平,主电源停止工作,红色待机指示灯重新点亮。因此,在确认待机电源正常但不开机故障时,检修可按图5所示的流程图进行。

2、无图像
无图像,是指各种信号源均无显示,但伴音正常,显示屏为黑屏或灰屏或彩色条纹(俗称“花屏”)。由于各通道图像信号的数字化处理基本上都是在主控芯片U212内进行完成的,因此检修白屏或花屏或黑屏无图像可按图6所示的流程图进行。若是某个信号源无图像,应重点检查主控芯片U212该信号输入端,有无这个信号源的信号波形。若没有,应检查该信号源输入电路;若有信号波形,说明U212内部的信号切换开关或负责该信号处理的相关电路有故障。可尝试升级软件(可到厂家维修部或厂家技术网上下载),若无效,可考虑更换主控芯片U212或数字板。

3、无声音
如果是所有信号源都无声音,可按图7流程图来进行检修。为帮助读者检修静音电路故障,下面介绍本机芯开、关机时自动消除“噗”声及观看时人为静音工作原理(参见图4)。

开机时,+12V电压经R641、D601、D602给电容C611充电->控制管Q600 (BT3906)e 极电压升高->当Q600的b-e结正偏电压大于0.75V时->Q600导通->控制管Q601 (BT3904)c极高电平->Q601 导通->功放块U601静音控制端21脚低电平,实现开机时静音。随后,由于电容C651已充电完毕,故Q600的b极电位高于e极电位->Q600截止->Q601的b极重为低电平->Q601截止->U601的21脚恢复高电平->静音解除,保证观看过程声音正常。关机时,C651存储的电荷通过D600、12V电源端对地放电->Q600的b极电位低于e极电位0.75V时->Q600再次导通->Q601随之导通->U601的21脚低电平->实现关机时静音。当观看者按下遥控器静音键时,主控芯片U212的114脚输出高电平,经R654使Q602导通,经R655使U601的21脚低电平,实现人为静音。为避免开、关机时带来的冲击导致EEPROM存储器中所存数据丢失,在开、关机时通过D603给EEPROM存储器U204写保护端⑦脚送去一个高电平,以保护所存数据。如果只是某一信号源无声,可检查该信号源的输入电路,如果没有问题,可能是主控芯片U212内部的信号选择开关电路或该信号源的相关处理电路存在故障。可考虑更换U212或更换数字板来排除故障。
二、故障检修实例
例1:一台L32P10BE型液晶彩电,不能开机。经查,主板,上插座P801①、②、③脚上无+24V电压,但⑧脚+3.3V_STY待机电压正常。再查12脚无高电平指令(约2.5V)。该指令来自单片机U1的15脚,开机时u1 15脚输出低电平->Q4截止(见图8)->c极为高电平->U001的18脚高电平->U001的10脚输出低电平->Q801截止->P801的12脚获得约+2.5V高主电源工作指令。经查,U1的15脚已输出低电平开机信号,U001的12脚已输出约0.2V电源低电平工作指令,但P801的12脚却为约0V低电平,显然,故障应为Q801的c、e极间击穿或Q801的c极负载电阻R805开路。最后发现R805的一脚焊点存在虚焊,重焊后试机,P801的12脚电平恢复正常,故障排除。

列2:一台L42V10FBE型液晶彩电,无图像(花屏)。该机无论是在TV状态还是在AV等其他状态,图像均为彩色条纹(即花屏)。由前述可知,出现无图像(花屏)的原因比较多,考虑本机先前未被其他师傅修过,故不会出现LVDS信号格式电平选择错误的情况。先检查DDR存储器U201( EDE1116AEBG )及相关供电端电压( +3.3V),均未发现异常。那会不会是逻辑板.上的LVDS连接器插座与上屏线插头接触不良而导致该故障的出现呢?于是拔下上屏线插头观察,发现的确有几个插针有疑似氧化的现象。用油画排笔蘸上无水酒精将LVDS上屏线插头仔细清洗、烘干,再复原电路后试机,正常图像终于出现,故障消失。
例3:一台L37V10FBE型液晶彩电,无声。在AV状态下注入影碟机信号,用示波器测功放U601的信号输入端25、23、22、34脚信号波形,发现除25脚无信号波形输入外,其余三脚都有输入信号波形(注:若无示波器,在U601的信号输入端有信号输入的情况下,用万用表电压挡可测得2V左右的直流电压),接下来测主控芯片U212 227脚对应U601的25脚的信号输出端有波形。显然,U212的227脚U601的25脚间传输电路有开路故障。最后查出是限流电阻R601(100Ω、参见图4)有一脚焊点出现裂纹,经重焊后试机,声音出现,故障排除。
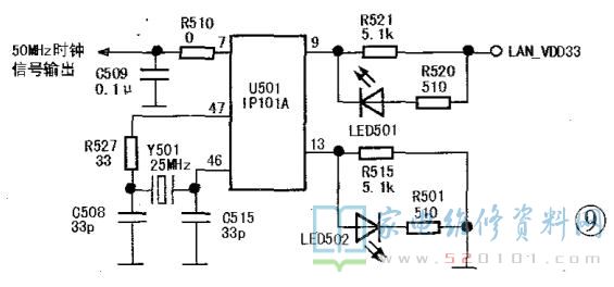
例4:一台 L40P10FBE型液晶彩电,不能上网。开机后点击“网络连接"屏显“网络连接失败”。经观察,网络处理块U501 (IP101A) 旁边的网络指示灯Led501、LED502点亮旦不闪烁(指示灯能点亮,表示电视机.与外部网络已连通。如果已成功上网,指示灯将会闪烁)。查U501相关端子+3.3V供电无异常,试重新抄写MAC地址,故障依旧;测U501⑦脚没有输往U212的151脚的50MHz时钟振荡波形,怀疑U501的46、47脚外接时钟振荡电路(见图9)有故障。试更换晶振Y501( 25MHz )试机,故障消失。
