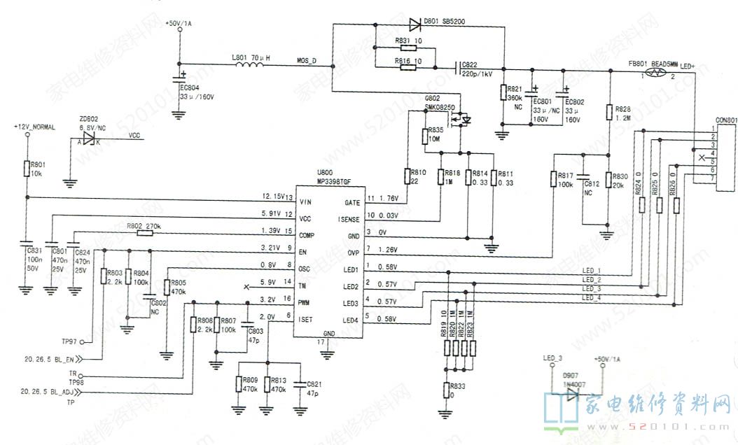
接修一台海尔LE32A31型液晶彩电(RTK2969机芯)的背光恒流控制芯片采用MP3398TGF(U800),如图1所示。二次开机后,开关电源输出约50V直流电压,通过蓄能电感L801加到Q802的漏极(D);13脚输入12V直流电压,⑨脚( EN)得到点灯开启电压,16脚(PWM)得到调光电压,U800进入工作状态,11脚(GATE)输出PWM方波脉冲控制Q802工作在开关状态。L801 在Q802饱和期间蓄能。当Q802截止时,L801中的输出电压与输入的50V直流电压叠加,经D801(SB5200,肖特基二极管)、EC801、EC802滤波后输出77.67V直流电压,加到屏内灯串的正极。
灯串的负极分别与U800的①、②、④、⑤脚相连,进行恒流控制。U800 的⑥脚( ISET )是灯条电流设置端,外接电阻R809、R813、U800工作后,芯片根据设置的基准电流与①、②、④、⑤脚反馈电流进行比较,以改变⑨脚输出的PWM脉宽,通过L801蓄能量的变化来改变升压输出电压,从而达到恒流控制的目的。
U800的⑦脚(OVP )为过压保护输入端,外接分压电阻R817、R830。当该脚电压超过1.3V时,U800关断⑦脚激励输出,背光熄灭。U800的①脚是升压管Q802过流检测端。当流过Q802的电流过大时,电阻R811、R814两端压降升高,即U800的①脚电压大幅升高,经过IC内部电路比较判断后,关断⑨脚激励脉冲。
故障现象1:背光不亮。
分析检修:开机后,测试灯条两端供电为50V,说明升压电路未工作。检查主板送来的背光开启电压(测试点为TP97 )和调光电压(测试点为TP98),均正常;测量U800的13脚供电也正常,怀疑U800损坏,将其换新后试机,故障排除。
故障现象2:开机后背光一闪就灭。
分析检修:背光一闪就灭,说明屏内灯珠没有完全断路,故障原因可能是部分灯珠正向压降增大,或者回路中存在接触电阻,导致背光供电升高,触发过压保护。开机后监测背光插座两端的电压,发现该电压升到90多伏后又迅速降到50V。经查,灯条中一颗灯珠接触不良,如图2所示。取下聚光罩,抹上一点BGA焊膏在灯珠引脚处,然后将热风枪设置为260°C,补焊即可。另外,在安装聚光罩时,一定要对准灯芯,尽量 与灯芯贴合,不然会出现光圈现象。需要说明的是,有些灯珠用点灯测灯仪能点亮,亮度也基本正常,但上机后一闪就灭,电路进入过压保护状态。测试灯珠,不是电流越大越好。在实际检修中,可用指针万用表Rx10k挡,黑表笔接灯珠正极,红表笔接灯珠负极,看灯珠是否被点亮,若能点亮,再对比其他灯珠的亮度,只要亮度一样,就没问题;如果灯珠不发光或发光很暗,则说明这只灯珠正向特性变差,需更换。3V或6V供电的灯珠均可用这个方法来测试。
另外,笔者发现用万用表RX10k挡测试不亮的灯珠,在用点灯测试仪点亮的时候,这只灯珠亮起来的速度比其他正常灯珠要慢一点点。
故障现象3:开机正常,热机后不定期出现背光熄灭现象,有时重新开机可恢复正常。
分析检修:此故障的原因多是灯条插座接触不良,即存在接触电阻。静态时,测试该接触电阻阻值在0.5Ω~1Ω之间变化。通电后,接触电阻两端产生较大的压降,导致过压保护动作。解决方法:拔下插头,如图3所示,用尖锐物体将内部金属片往外偏一些,或者去掉插座,将线头直接焊接到灯条上。
故障现象4:背光无规律自动熄灭。
分析检修:在确认灯条插座接触正常的情况下,故障原因多为过压保护电路误动作,解决方法有以下两种:(1)适当降低灯珠电流,间接降低OVP取样电压。U800的⑥脚外接两只并联的灯条电流设置电阻R809、R813,阻值均为470k,则并联后的总阻值为235k,此时灯条电流为0.34A。改变⑥脚外接电阻的总阻值,即可改变灯条电流,实测数据见表1。
实修时,可先拆下R809和R813,然后再装上一只270k(274)的电阻,如图4所示。这时测得输出电压为75.39V,灯条电流约为0.31A,降低了约0.03A。由于该机屏幕中间没有安装灯条,是靠反光纸反射一部分光线到中间,所以灯条电流不能降低得太多,一般降至0.25A~0.36A即可。否则,图像亮度不均。

(2)不降低灯珠电流,直接降低过压保护取样电压。本机的LED+过压保护取样采用两只电阻分压的形式,实测上偏电阻R828的阻值是1200k,下偏电阻R830的阻值是19.74k,在背光电压为77.67V,背光电流为340mA时,⑦脚取样电压为19.74x[77.67/( 1200+19.74)]=1.2570V。根据串联电路分压原理可知:增大R828的阻值或减小R830的阻值均可降低过压保护取样电压。笔者在R830两端并联一只100k的电阻(安装在C812的位置上,参见图4)后试机,U800的⑦脚电压降为1.0386V ,故障再未出现。