接修一台康佳LED32F3300液晶电视,开机后,有伴音,无图像,背光始终不亮。判断背光灯电路有故障。该机背光灯电路如图1所示。编号为35017303的三合一主板。 该主板将开关电源、主板和背光灯板合为一体。开关电源驱动电路采用FAN6755W ,输出+100V/0.3A和VCC 12V/3.5A两组电压,为背光灯电路和主板其他电路供电;主板电路小信号处理采用超级单片电路MT8227 ,完成各种信号的接收放大、解码转换,输出图像和伴音信号,伴音功放电路采用STA33W;背光灯驱动电路采用OZ9902,与升压电路配合,将+100V电压提升到170V左右,为背光灯串供电。
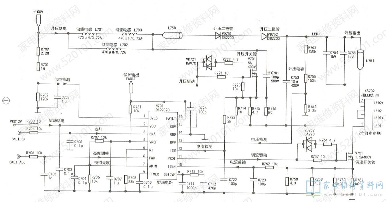
该背光驱动控制电路以OZ9902C(N701 )为核心组成,开机后开关电源输出的+100V/0.3A电压为升压输出电路供电,vCC12V/3.5A电压经R703降压后为N701的②脚供电,主板来的BKLT-EN点灯电压送到N701的③脚,亮度调整(BKLT-ADJ,高电平)送到N701的同脚,N701启动工作,从15脚输出升压驱动脉冲DRV,使升压开关管V701工作于开关状态,在储能电感1701/L703(I702未装)和升压二极管VD751(VD752)、升压电容C753( 10p F/400V)配合下,将电压提升到170V左右,通过连接器XS702的⑦脚为LED灯串供电。两个背光灯串串联,LED+电压经XS702的⑦脚LED2+->⑤脚LED2- ->③脚LED1+->①脚LED1-流出,送到调流开关管V751的D极。同时,N701的①脚BROT输出电流调整驱动脉冲,控制V751的导通程度,达到调整LED灯串电流的目的。
测量开关电源输出的100V电压,开机瞬间约为87V,几秒钟后上升到97V左右,这时伴音出现,测量背光灯供电电压为97V左右,说明背光灯升压电路没有工作。关机后,用万用表电阻挡测量背光驱动电路元件,发现升压二极管VD751(SB2200,见图2)及升压开关管V701击穿,R714( 10Ω)、R715(4.7Ω)烧断(见图3)。将上述损坏元件全部换新后,故障排除,此时LED+电压为168V。
