康佳LED42E320N液晶电视背光闪烁的故障维修

2022-06-23 19:53:48  阅读 1320 次 评论 0 条
摘要:

接修一台康佳LED42E320N型液晶彩电,故障表现为冷机开机后背光忽明忽暗,声音断断续续,蓝屏有拖尾现象,七八秒后背光、伴音恢复正常,白屏,关机后再开机,图像、声音正常。此机采用三合一板(35016895

     接修一台康佳LED42E320N型液晶彩电,故障表现为冷机开机后背光忽明忽暗,声音断断续续,蓝屏有拖尾现象,七八秒后背光、伴音恢复正常,白屏,关机后再开机,图像、声音正常。此机采用三合一板(35016895),没有PFC电路。故障时测量主电压VBL在75V~85V之间波动,12VSB电压在6.5V~9V之间波动。灯条插座XS701的⑦脚(LED+ )电压在170V~190V之间波动,③脚(LED+ )在225V~255V之间波动。此时拔下XS701灯条插头,声音仍然断断续续;再插上XS701,声音正常,电压也稳定,但白屏、无图像,估计白屏系逻辑板程序因供电异常所致,判断故障部位在开关电源、背光驱动电路或LED灯条中。为了快速判断故障部位,在冷机时先断开LED灯条供电插头XS701试机,故障出现,几秒后断电插上XS701再次开机,一切正常,此时XS701的③、⑦脚电压均稳定在175V。接下来调换两组灯条插线再试机,XS701的⑦、③脚电压与上述相同,说明灯条正常,故障在主板。

康佳LED42E320N液晶电视背光闪烁的故障维修 第1张

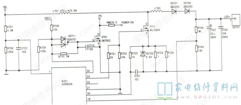
     该机的背光控制芯片 采用OZ9902A(N701),其24脚为错误保护输出,经V701形成PS信号,与POWER-ON信号相连,如图1所示。断开连接电阻RW974(即取消负载异常保护)开机,VBL电压稳定在95V。XS701 的⑦脚LED+电压上升到110V后又降至95V,③脚LED+电压为175V,光栅左边暗右边正常。调换两组LED灯条插线后试机,光栅右边变暗。综合上述检测,判断灯条、电源都正常,故障原因为V711不升压。

     对比另一路升压电路进行检测,尤其是19脚(OVP )外围元件,发现取样电阻R746( 1MΩ)在路阻值偏小,但是拆下测量阻值正常,估计电阻底部粘胶漏电,除去粘胶并更换R746后试机,故障排除。
     提示:正常时该机VBL电压在开机后从65V升至110V,随后又降到95V,并保持稳定;LED+电压从65V升至110V,然后骤升到175V;LED-电压在开机后由0.2V升到11.5V,几秒后降至0.8V,并在0.8V~4.8V之间波动。
版权声明:本文为转载文章,版权归原作者所有,欢迎分享本文,转载请保留出处!