康佳42J39AW液晶电视开机背光一闪即灭的故障维修

2022-03-15 17:12:35  阅读 1544 次 评论 0 条
摘要:

接修一康佳42J39AW型液晶彩电,开机后背光一亮即灭,但指示灯仍然是绿灯,此时键控、遥控均失控。从故障现象看怀疑LED灯珠有问题引起电路保护。用测试仪检测,两组灯条均正常,点亮电压为120V。该机采用三

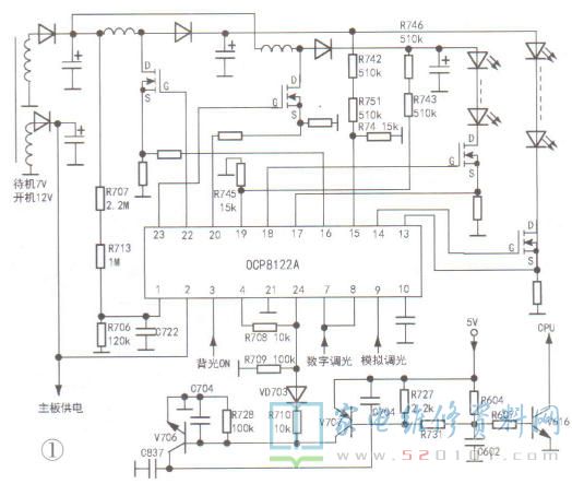
       接修一康佳42J39AW型液晶彩电,开机后背光一亮即灭,但指示灯仍然是绿灯,此时键控、遥控均失控。从故障现象看怀疑LED灯珠有问题引起电路保护。用测试仪检测,两组灯条均正常,点亮电压为120V。该机采用三合一主板,开关电源输出两组电压,一组供应主板,一组供应背光。测量供应主板的一组电压,上电时为TV,然后升高到12V ,在背光亮时马上又降到7V。监测背光电路的供电电压以及LED灯条正端电压,发现开机后这两个电压。上升到120V时就迅速下降,看来背光升压电路没有工作。该机背光芯片采用OCP8122A,实绘其外围电路如图1所示(和OZ9902A芯片电路结构完全一样)。芯片②脚是故障状态输出,正常情况下是低电平。监测该脚电压,发现在背光亮时马上变为高电平。由于LED灯条正端电压只有120V,刚达到灯条点亮电压,所以怀疑过压保护电路误动作。

康佳42J39AW液晶电视开机背光一闪即灭的故障维修 第1张

       芯片的15脚和19脚是灯条供电过压保护端,R742、R751和R741以及R746、R743和R745组成两组取样电路(这几只电阻在线路板的背面)。在正常工作时,由于R742.R746两端电压较高,且在潮湿环境下易漏电,于是先用指针式万用表Rx10k挡在路测量,R742阻值为120k,R746阻值仅为30k。由于有升压整流二极管的存在,关机时灯条正端对地是开路的,在路测R742和R746的阻值应该接近其自身阻值(因为有滤波电容漏电影响,测得值稍小于自身阻值,且测量过程中有充电现象)。

        拆下R742和R746再测量,R742阻值为不稳定的350k,R746 阻值为280k,可能是电烙铁加热电阻后其阻值回升了,或者线路板底胶有漏电现象。把底胶清理干净,换上同规格非贴片电阻后开机,背光正常点亮,图声正常,故障排除。该芯片的①脚是供电电源欠压保护端,当该脚电压低于3V时,芯片进入欠压保护状态。另外,当芯片检测到外围电路不正常时,②脚会发出高电平,V706和V707组成的模拟可控硅导通,向CPU发出保护信号,CPU会关断POW-ON信号,电源回到待机状态,但上屏电压与背光ON信号仍正常,面板灯还是绿灯,机器处于死机状态。 

       提示:有的背光芯片没有故障信号输出端,当背光电路不工作时(含进入保护状态),主板仍然会正常工作,此时会出现有声无光现象,且键控、遥控都正常,和上述故障表现情况完全不一样,须本机现象和上述现象都不一样,并且故障时上屏电压和背光ON信号均正常。

       在本机维修中,曾强行让开关电源始终处于开机状态,也不能点亮背光。再者,背光芯片是否发出故障信号与软件数据无关。维修中,为验证Flash存储器25Q80内的启动程序是否有效,短路该芯片的⑤、⑥脚后上电,机器没有任何反应,面板灯一直都是红灯,连自检也无法进行,所以判断该机软件正常。

       提示:OZ9902A可以和OCP8122A互换,OZ9902A与0Z9902C完全不一样,前者采用24脚封装,控制两路LED灯条;后者采用16脚封装,控制一路灯条。

版权声明:本文为转载文章,版权归原作者所有,欢迎分享本文,转载请保留出处!