本文接续上一篇文章《康佳液晶电视35017517四合一驱动板开关电源、背光电路分析与故障检修(上)》
二、LED背光驱动电路分析
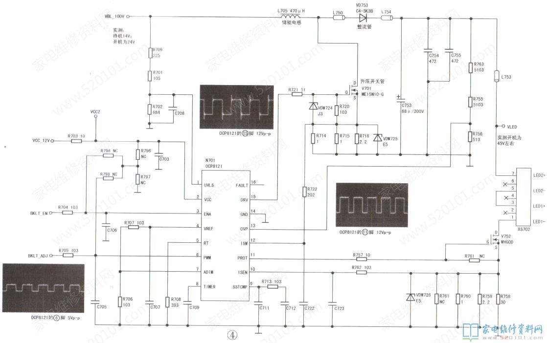
LED背光驱动电路由三部分电路组成,一是由OCP8121(N701)为核心组成的升压和恒流驱动控制电路;二是由储能电感L705、升压开关管V701升压二极管VD753、滤波电容C753组成的升压电路;三是由开关管V752为核心构成的LED背光灯恒流控制电路。LED背光驱动电路如图4所示。
1.OCP8121简介
OCP8121是灿瑞半导体有限公司开发生产的专用于液晶电视的LED背光驱动IC,内部集成PWM升压变换控制和LED灯串恒流驱动两种功能电路。OCP8121引脚功能与实测电压见表2。
2.LED驱动芯片启动电路
二次开机后,开关电源输出的VBL_ 100V(实测为24V)为升压输出电路供电,同时经R709、R701与R702分压取样后为N701①脚提供3V以上高电平检测电压;VCC.12V经R703限流为N701②脚供电;主芯片送来的BKLT_ EN点灯电压,经R704送到N701③脚( ENA )后驱动控制芯片启动工作。
3.LED升压电路
OCP8121启动后,从其脚( DRV )输出升压驱动脉冲,经R721送到升压开关管V701的G极,使V701工作于开关状态。当DRV升压驱动脉冲为高电平时,V701导通,电感L705储能;当驱动脉冲为低电平时,V701截止,I705产生反向的电感电压与输入的24V电压叠加,通过二极管VD753续流和电容C753滤波后得到约45V的直流电压,送给屏内LED灯条。该机屏内有两根灯条,两根灯条串联。
4.恒流控制、调光电路
开机后,主芯片送来的调光控制脉冲信号(BKLT_ ADJ)经R705送到OCP8121⑥脚PWM调光信号输入端。OCP8121 在PWM信号的控制下,从①脚(PROT )输出调光驱动脉冲,经R757送到开关管V752的G极。当调光驱动脉冲为高电平时,V752导通,VLED电压经LED灯串、V752和恒流电阻R758~R761到地,LED灯串有电流流过被点亮;当调光驱动脉冲为低电平时,V752截止,没有电流流过LED,LED被关闭cV752导通期间,恒流电阻R758-R761有电流流过,恒流电阻两端产生压降,该电压经R762反馈到oCP8121①脚( ISEN)内部,内部电路根据①脚反馈电压调整①脚输出脉冲的占空比,从而调整V752在-个周期内的导通与截止时间比,使流过LED的平均电流保持在设计要求上,以达到恒流控制的目的。从电路来看,这是一个典型的负反馈电路。改变电阻R758~R761的阻值,可改变通过LED灯串的电流大小。
OCP8121可以支持两种方式调光,当采用PWM数字脉冲调光方式时, PWM调光脉冲输入至集成块⑥脚(PWM);当采用模拟电压调光方式时,模拟调光电压输入到集成块⑦脚( ADIM),该脚电压在0.5V~1.5V之间,可调整背光灯亮度。该驱动板采用pWM数字调光方式,将⑦脚电压置于最大亮度设置电压2.5V左右。当用户调整电视机亮度时,主芯片送至OCP8121⑥脚的PWM调光脉冲信号的占空比会发生变化,内部电路根据⑥脚输入的PWM信号调整①脚输出的调光驱动脉冲的占空比,使开关管V752在一个周期内的导通与截止的时间比发生改变,从而改变流过LED的平均电流,这样就可实现背光亮度调整的控制。
5.保护电路
背光驱动控制块N701 (OCP8121)具有多种保护功能,当背光灯升压电路和恒流控制电路发生过压、过流、短路、开路故障时,均会进入保护状态,背光灯电路停止工作。
(1)输入欠压保护
VBL_ 100V经R709.R701与R702分压加至N701①脚(UVIS )升压电路输入电压欠压保护检测脚,当①脚电压低于3V时,IC立即进入锁死保护状态,同时⑥脚(FAULT)输出高电平。只有当①脚电压恢复到大于3V时,IC才能重新启动工作。
(2)升压开关管过流保护
升压开关管V701的S极接有电流取样电阻R714~R716,开关管的电流流过取样电阻时产生的电压反映了开关管电流的大小,该取样电压经R722反馈到N701②脚,开关管V701电流过大,输入到N701②脚的电压过高,当达到保护设计值500mV时,N701内部保护电路启动,停止输出激励脉冲。
(3)输出过压保护(OVP)
升压电路的输出端接有VLED电压取样电阻R763.R755与R756,取样电阻分压后得到取样电压OVP,该电压反馈到N701③脚( OVP)过压保护检测输入端。当因故障(如升压电路的24V输入电压升高、灯串开路等)使升压电路输出电压过高时,送至N701③脚的取样电压高于3V时,N701内部电路开始对⑧脚(TIMER) 外接电容C709充电,当⑧脚电压升至3V时,OVP电压依旧大于3V,则IC关断锁死,需故障消除后,重新启动IC,背光驱动电路才能恢复工作。
(4)输出对地短路保护
若VLED输出电路出现对地短路,过压取样电压OVP低于0.2V,⑧脚( TIMER )开始动作(电压升高),⑧脚电压升至3V,OVP电压依旧小于0.2V时,则IC关断锁死,需故障消除后,重新启动IC,背光驱动电路才能恢复工作。
(5)LED灯条短路、开路保护
当LED灯串出现短路故障时,流过灯串的电流增大,较大的电流流经恒流管V752 S极接的灯串电流检测电阻R758~R761,在检测电阻两端产生较高的电流取样电压,该电压通过R762加至N701①脚(ISEN),当①脚电压大于正常值的1.5倍时,①脚停止输出调光驱动脉冲。当LED灯串出现开路或电流检测电阻对地短路故障时,检测电阻两端的电流取样电压为0V,也会进入保护锁死状态。
本文未结束,请继续阅读《康佳液晶电视35017517四合一驱动板开关电源、背光电路分析与故障检修(下)》一文。
