一台长虹LED46760X型液晶彩电(屏型号:LTA460HM04),故障现象为满屏横线且一亮一黑,偶尔能看到有竖条闪动。
此机器一开机就满屏横线且一亮一黑闪动,在屏幕上仔细观察能看见无规律竖条,但观察背光无明显闪动变化,由此初步判断该故障是由于逻辑板工作不正常,或是屏电极打火及主板LVDS信号异常引起的。该机采用的三星公司生产的ITA460HM04液晶屏,逻辑板是(A60MB4C2V0.2 )同( A60HM01C2LVO),实物见图1。
检查逻辑板INV-12V正常,测量VDD-3.3V(TCON芯片高电平供电)正常,1.2VICL(TCON芯片低电压供电)正常。当检测到AVDD-15V(屏A/D变换电路、伽马电路等供电)的时候,发现这个电压在7V~14.7V跳变,VOFFE (vSS 形成之前的电压)为oV,VONE(TFT开启电压)为7V~20V跳变,VSS(TFT关闭电压)为0V。由这些实测数据可以看出,逻辑板TCON芯片的供电正常,AVDD和VOFE形成电路异常,而这些电压都是屏工作必需的电压。为进一步确定故障部位,先断开上屏RSDS线,复测这些电压均无变化,说明该故障是因逻辑板AVDD和VOFFE形成电路异常引起的。
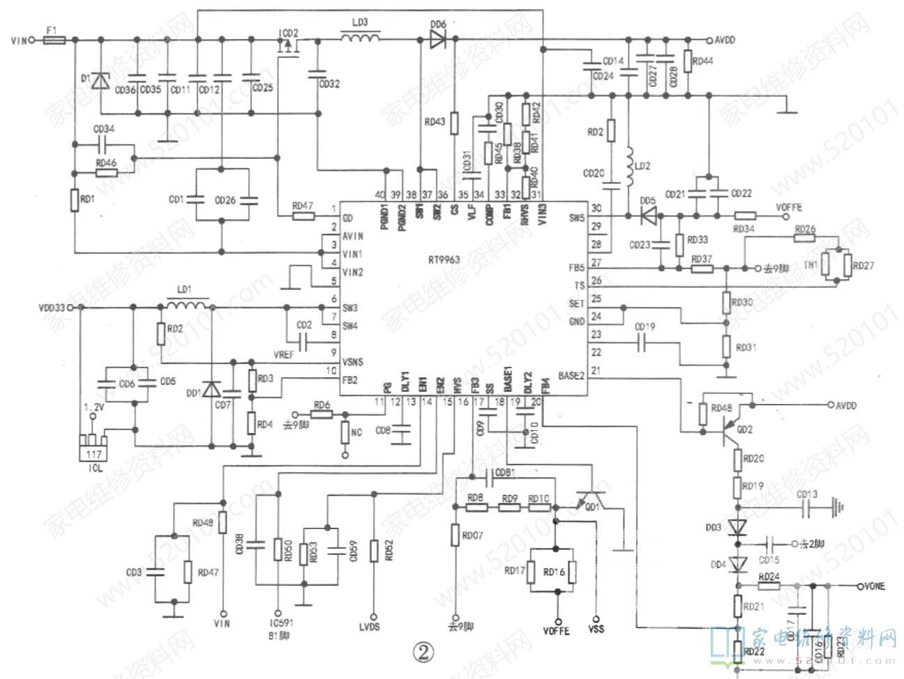
根据上述实测电压分析,确定故障出在逻辑板电源管理部分。该板使用的电源管理芯片是RT9963,由于找不到该逻辑板的图纸,为了便于分析,就根据实物测绘了一份电源部分图纸,见图2。
该逻辑板的电源管理芯片是RT9963,虽然没有查到RT9963的相关资料,但是查到TPS65166 和RT9963内部电路和工作方式类似,所以就以TPS65166 的时序图为参考来分析这部分电路的工作情况,见图3。
芯片的工作时序图,也是逻辑板为屏供电的时序图,逻辑板能否正常工作,屏能否正常点亮和这个上电时序是息息相关的,所以能否修复一块逻辑板必须先读懂它的工作时序。
从图2可以看出来RT9963有两个使能控制脚(电源芯片的开启引脚):13脚EN1和14脚EN2,也就是说这个芯片要正常工作就必须要给这两个使能控制脚外加开启信号(高电平)。从时序工作图结合实物电路可以看出,当VIN电压进来后经过RD48和RD47分压得到使能信号EN1,这时首先启动电源芯片⑥、⑦脚输出激励与外接LD1和DD1构成的BUCK电路工作为TCON芯片供电,而其他电压必须在使能信号EN2得到开启信号后才会建立。EN2 是否工作取决于TCON芯片能否正常工作,当TCON芯片工作后,数字时序芯片81脚经过RD50送出开启信号EN2,14脚得到开启信号后才启动电源芯片30脚输出激励,与外接DD5和LD2构成的BUCK电路开始工作, vOFFE电压形成后VSS电压也才能建立。此时内部电路为12脚DLY1外接电容CD8充电,当达到一定值后①脚GD变为低电平ICD2导通,这时候电源芯片37、38脚输出激励与外接DD6和LD3构成的BOOT电路开始工作,AVDD电压输出。AVDD电压正常后内部电路为19脚DLY2外接电容CD10充电,当充到一定值时21脚开关信号经由QD2、CD13、CD15、DD3、DD4构成的vONE电压形成电路工作,从而完成逻辑板工作,上电时序。
那么,现在很明显故障就在AVDD、vONE、VSS及VOFFE形成电路了。而由于时序控制电路的先决条件,因此就需要从VSS和VOFFE电压产生电路查起。VSS电压是由vOFFE电压经过三极管QD1整流电容滤波后得到。在路测量VSS和VOFFE无明显短路,断开QD1,vOFFE也无电压输出。从前面的分析可以得出,该电路是由RT9963的30脚内部激励,开关MOS内置,外部接储能电感LD2,续流二极管DD5形成的BUCK降压型开关电源。当EN2为高电平时VOFF电压就会输出,这时候块子的30脚应该输出一个矩形波。当用示波器测量30脚的时候发现无波形输出,说明块子已经损坏。于是更换RT9936,更换后测量VOFFE电压有输出,但是输出电压为-1V左右,而正常板子上标注-11V。经分析此块27脚为VOFFE反馈电路,该电路由RD33和RD37组成反馈回路,接芯片②脚。其中,RD33接VOFFE,RD37接芯片⑨脚VREF基准电压上。测量反馈电压约等于VERF电压3.3V ,说明反馈回路无异常,测量vOFFE电路也无明显短路。这就奇怪这个疑问再次检查vOFFE电路,当断开vOFFE滤波电容CD21的时候电压升起来了,取下CD21测量无短路,测其容量只有0.5uF,而标称容量为4.7uF。很显然,这个故障就是因CD21性能不良引起的(注:CD21属于MLCC电容MLCC:多层瓷片叠加然后在两端加金属片,形成特有的电容结构,它损坏通常是击穿的比较多,此电容虽然没有完全击穿,但是通过容量测试说明里面瓷片肯定有损坏现象),于是直接取掉电容CD21,装回QD1,开机测量各组电压,AVDD为14.8V、VOFFE为-11V.VSS为-7.4V.VONE为27.6V,各组电压均恢复正常,装好RSDS排线开机,故障排除。
小结:故障维修重在思路,有了明确的思路才是排除故障的关键所在,所以在维修实践中不能仅用惯性思维去看待一个问题,就如此机的vOFFE电压形成一样。一般机器的vOFFE电压都是经12V或者AVDD供电,电源管理芯片内部形成脉冲的电荷泵电路,如果按照传统的维修思路,当检查VOFFE没有而AVDD又不正常的时候,我们通常是去检查AVDD形成电路。如果按照这个思路检修下去,不仅不会走捷径反而会走很多弯路,因此在维修不熟悉的机器时,最好先找到相关的电路资料,或者根据实物绘制图纸,这样才能做到事半功倍。经验不是没用的,但经验不是唯一的出路。
