接修一台长虹iTV42738X型等离子彩电,在收看过程中听到“啪”的一声响后黑屏,无伴音。该机采用三星S42AX-YD13等离子屏,扫描板(y板)为42U2P-Y-MAIN, 维持板(X板)为42U2P-XM( ILAYER )。加电检查,+5VSTB电压正常;二次开机后,电源板上继电器发出吸合声,扫描板上有“啪”的放电声,随即继电器断开,电源处于待机状态。
拔下电源板通往扫描板的插头CN5000,在VA、VS端接上假负载,二次开机,测得电源板输出的VA电压为54V,VS电压为210V,均正常。此时,电视机有声音出现,这说明主板、电源板基本正常。
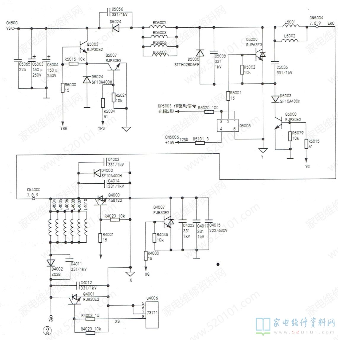
拆掉扫描板,检查各元件在路电阻,发现能量回收电路中二极管D5000及IGBT管Q5000阻值异常,分别脱开其引脚检查却正常。沿线路查找,发现电容C5036 ( 331/1kV)已击穿烧黑,如图1所示。放电声应是C5036击穿发出的。更换C5036后再次测量扫描板主要元件在路阻值,无明显异常。装机后加电开机,继电器吸合后随即断开,VA.VS电压也随即降为0V,Y板、X板浮地与地间电压为0V,整机处于待机状态。
用万用表电阻挡检测发现,维持板上浮地与主板地处于短路状态。拆下维持板检测,发现能量维持管Q4001、Q4007击穿短路。回头检查扫描板发现,原本正常的Q5003、Q5007、Q5008、D5003在试机中也击穿短路。相关电路如图2所示。
用同型号元件RJP30E2更换损坏的Q5003、Q5007、Q5008,用SF10A400H 更换D5003, 用RJH30E2更换Q4001 、Q4007之后,测其他元件在路阻值,没有发现异常。加电开机,故障排除。分析认为:在Y板电容C5036击穿时,已造成能量回收电路ERC电压不正常,从而使X板上的能量维持高、低管(Q4001、Q4007)击穿。因两块板共用能量回收电路,未检查X板元件好坏就上电试机,造成Y板上Q5003、Q5007、Q5008、D5003击穿损坏。正常时,上电待机过程中,逻辑板到X板上插座CN4001的②脚(DS-RESET ,保护执行信号)电压有一个0V到5V又回到oV的跳变过程;二次开机过程中,还有一个0V到5V又回到0V的跳变过程。开机后,测量X板浮地与主板地之间有78V电压,Y板浮地与主板地之间有109V电压。
