创维32E350D液晶电视(A8M410机芯)自动重启的故障维修

2022-09-10 18:00:14  阅读 990 次 评论 0 条
摘要:

接修一台创维32E350D型液晶电视(A8M410机芯),开机后出现蓝屏并显示“创维”标识后黑屏,几秒后自动重启,并重复上述现象。开盖,测量电源板(板号5800-P32EXM-0500)输出插座CN2处1

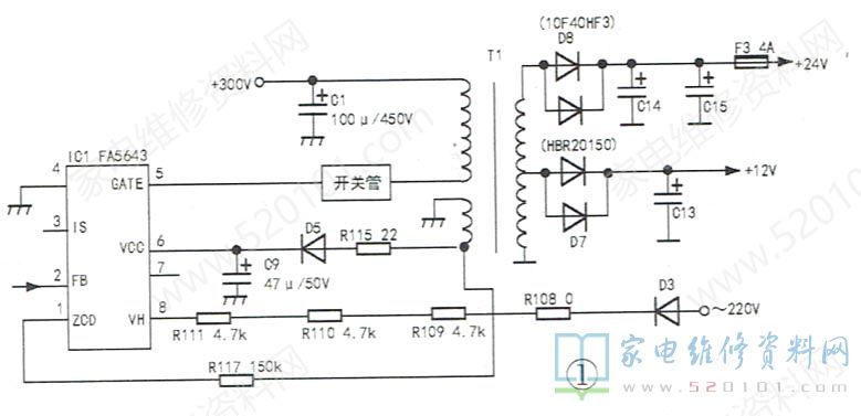
      接修一台创维32E350D型液晶电视(A8M410机芯),开机后出现蓝屏并显示“创维”标识后黑屏,几秒后自动重启,并重复上述现象。开盖,测量电源板(板号5800-P32EXM-0500)输出插座CN2处12V、24V电压在屏亮后均下降:12V降至9V,24V降至16V,判断电源带负载能力不足或者LED灯条短路引起保护。先在输出电压滤波电容上并接电容,无效。用自制电压检测仪逐一测5组LED灯条,都可以正常点亮而且电压值基本一致,基本排除灯条异常的可能。为准确判断,断开恒流电路的24V供电贴片保险F3,外接24V/2A的电源,开机,图、声正常,由此确定故障在以IC1(FA5643)为中心的电源电路。因空载电压正常,分析电源IC1稳压、反馈正常,重点检测次级电路,如图1所示。代换电容C9、C13、C14、C15无效;检测12V、24V整流管D7、D8(均为肖特基二极管HBR20150)均正常。

创维32E350D液晶电视(A8M410机芯)自动重启的故障维修 第1张

      该机电源芯片为FA5643 (IC1),其⑥脚(VCC)正常时电压为11V~26V。电源启动时,启动电路通过⑧脚给⑥脚外接电容充电,⑥脚电压开始上升,当该电压超过阈值电压14V时(FA5642芯片的启动阈值为10V),IC开始运行。如果此时由开关变压器辅助绕组提供的电压高于9V,则⑥脚改由辅助绕组供电;如果此时辅助绕组提供的电压低于9V,则启动电路反复开启/关断。由此看来,IC1的⑥脚是检测重点。上电,测得IC1的⑥脚电压在9V左右波动,这说明辅助供电异常,经查贴片电阻R115(22Ω)已开路,换新后故障排除。正常工作时,IC1的各脚电压见表1。

创维32E350D液晶电视(A8M410机芯)自动重启的故障维修 第2张

      FA5643属于半桥LLC谐振变换器,没有单独的开/待机控制端,而是通过检测②脚(FB)电压来切换。在轻负载(待机)时,②脚电压会降到设定阈值以下,芯片自动工作于突发模式,从而最大限度地提高轻负载时的效率。

版权声明:本文为转载文章,版权归原作者所有,欢迎分享本文,转载请保留出处!