长虹LT26630X(L22)液晶电视黑屏有声音的故障维修

2022-09-08 17:47:02  阅读 1198 次 评论 0 条
摘要:

接修一台LT26630X(L22)型液晶彩电,有伴音,黑屏。分析检修:开机后发现背光不亮,测主板U5的⑤~⑧脚送给TCON板的5V供电正常,LVDS信号电压也在1.1V左右波动,由此判定故障在由STR-H3

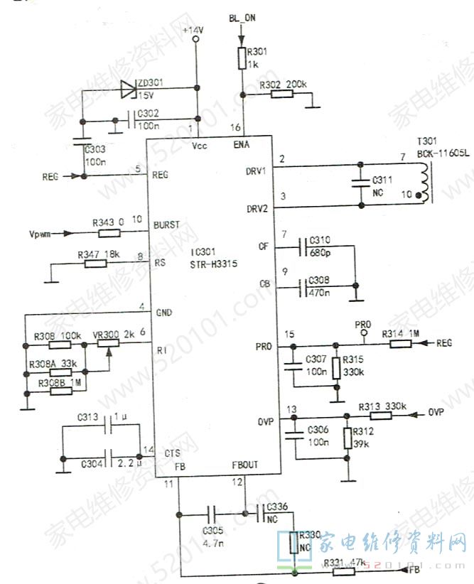
     接修一台LT26630X(L22)型液晶彩电,有伴音,黑屏。分析检修:开机后发现背光不亮,测主板U5的⑤~⑧脚送给TCON板的5V供电正常,LVDS信号电压也在1.1V左右波动,由此判定故障在由STR-H3315( IC301 )组成的背光电路中,如图1所示。

长虹LT26630X(L22)液晶电视黑屏有声音的故障维修 第1张

       测IC301的①脚14V供电、16脚使能端电压为2.8V、10脚亮度控制端电压为3.2V,⑤脚5V参考电压形成端电压为5V,均正常。测试②、③脚的波形,在开机瞬间有倒相的方波信号输出,随后停止输出,判定IC301启动工作,但因某种原因进入了保护状态。

长虹LT26630X(L22)液晶电视黑屏有声音的故障维修 第2张

       IC301的13脚为过压检测端。供给灯管的高压脉冲先经C321、C322或C323、C324分压,如图2所示,一路通过D314、D315、D320、D321双相整流,R313、R312分压C306滤波后接入13脚。当背光电路工作正常时,13脚电压约为1.4V;另一路经C405和C404、D401整流,再经R410和R411分压,然后送给U302(LM358)的③脚(正相端),与②脚(反相端)基准电压比较。当③脚电压超过②脚时,U302的①脚输出高电平,通过R314使IC301的⑤脚电压升高,保护启动,背光熄灭。正常工作时,IC301的⑤脚电压为1.2V。
       D316、D317、C330等元件是用于监测T302中的电流大小,此检测信号FB接入IC301 11脚,对IC301输出的驱动脉冲频率进行调整,以此控制由Q306、Q307、C301等元件组成的LIC半桥电路的工作频率,从而改变T301次级输出的电压。
       为快速判定故障,断开IC301 与脚外围电路后开机,背光亮,这说明IC301的15脚外围电路有故障。经查R411开路,换新后故障排除。
版权声明:本文为转载文章,版权归原作者所有,欢迎分享本文,转载请保留出处!