长虹欣锐HSL60D-4MB电源二合一板的12.3V电压形成电路控制芯片采用安森美公司生产的NCP1271,PFC电路采用安森美公司生产的相位交互式控制器NCP1631,LED驱动控制电路采用PF70001S,其电路组成如图1所示,实物如图2所示。
一、待机电源
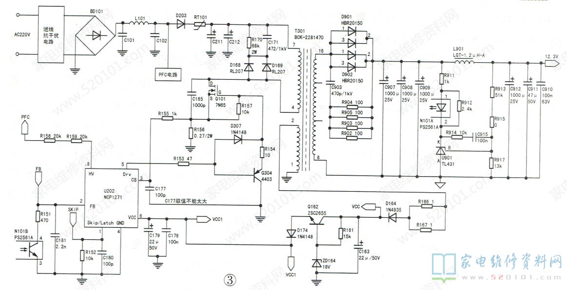
1.启动过程
AC220V电压经进线抗干扰电路进行滤波后,由BD101整流,C101、C102和L101滤泼,形成100Hz脉动直流电压,经D203隔离,RT101限流,C211、C212滤波后,形成300V不稳定直流电压如图3所示。
300V电压分成两路:一路经开关变压器T301的⑦-④绕组加到Q101的漏极,另一路经R158、R159加到U202 (NCP1271)的⑧脚(HV),经内部高压恒流源电路向U202的⑥脚外接电容C179充电。当C179上的电压达到15.8V时,IC内部振荡器工作,从u202的⑤脚输出PWM驱动脉冲,当pWM脉冲为高电平时,场效应功率管Q101饱和导通。300V电压经T301的⑦-④绕组->Q101的D、S极->R156->地,T301的⑦-④绕组储能。当U202的⑤脚输出低电平时,Q101的栅极电荷经R154、Q304 的e、c极到地,Q101迅速截止。T301的⑦-④绕组储存的磁能经次级绕组感应放电,次级各绕组感应的脉冲经整流管输出不同的直流电压。其中,①-②绕组感应的脉冲经D164整流、C163滤波后形成vcC电压。同时,vCC电压经Q162、R161、ZD164稳压成15.3V(vcC1),经D174隔离后加到U202的⑥脚,为U202工作供电。此时,U202内部的高压恒流源关闭,U202进入正常工作状态。
T301的⑧-16绕组产生的感应脉冲经D901 D902整流,C907~C912和L901滤波后,形成12.3V直流电压,为主板供电。U202的引脚功能与实测电压见表1。

2.稳压电路
当12.3V电压升高时,R913和R915、R917的分压也跟着上升,加到u901(TL431 )的R极电压上升,U901的K极输入电流增大,N101内部的发光二极管发光强度增加,N101内部的光敏三极管等效电阻降低,U202的②脚输出电流增大,经内部电路处理后,PWM脉冲输出的占空比下降,Q101的导通时间减少,次级整流滤波后的电压下降。当12.3V降低时,其稳压过程与上述相反。C915和R914组成消谐振电路,防止U202进入谐振状态,避免稳压环路失控。C181是干扰信号吸收电路,防止干扰脉冲进入稳压回路引起电源自激,从而损坏电源。
3.保护电路
(1)短路保护
当T301的次级输出短路时,N101内部的发光二极管不发光,光敏三极管截止,U202的②脚电压升高。当②脚电压高于3V且持续130ms后,U202进入保护状态。
(2)初级过流检测
该电路主要由R156、R155、C177和U202的③脚内部电路组成。当初级电路过流时,流过Q101源极的电流增大,R156压降增大,U202的③脚电压升高,经内部电路处理后输出的PWM脉冲占空比下降,Q101的导通时间减小。
(3)打嗝保护
在U202的⑧脚加有HV电压后,当u202的⑥脚降到9.1V时,将由辅助绕组提供供电电压,U202就会工作在打嗝保护模式,⑥脚电压在5.8V~12.6V之间波动。
(4)交流电压欠压保护
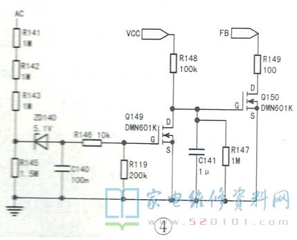
该电路如图4所示。
正常工作时, 交流输入电压经R141~R143和R145分压后,5.1V稳压管ZD140反向导通,Q149饱和导通,Q150因G极为低电平而截止,不影响U202的②脚电压。当输入的交流电压过低时,R141~R143和R145的分压不能使ZD140反向导通,则Q149截止,Q150饱和导通,U202的②脚电压低于0.8V,U202进入跳周期工作模式。电容C141为干扰滤除电容,防止交流输入时出现低峰值信号,使Q150误导通,造成电路误动作。
(5)过压保护电路
该电路如图5所示。
正常工作时,zD604截止,Q607因基极无电流输入而截止,N609内部的发光二极管不发光,对控制电路无影响。当12.3V电压大幅升高时,ZD604反向导通,Q607饱和导通,N609内部的发光二极管发光,N609内部的光敏三极管等效电阻降低,Q162输出的电压经N609、R123和R152分压后,加到U202的①脚,U202进入过压保护状态。同理,当24V输出电压过高时,U202也会进入过压保护状态。
二、开/待机控制电路
开/待机控制电路主要由Q804、N102、Q176及外接元器件构成,如图6所示。
待机时,主板送入的PS-ON信号为低电平,Q804截止,光电耦合器N102截止,Q176截止,VCC3和vCC2电压为0V,PFC电路不工作。二次开机后,PS_ ON信号变成4.6V左右的高电平,Q804饱和导通,N102导通,Q176导通,输出12.8V电压vCC3,再经R210限流后变为vCC2,为U902的12脚供电,PFC电路进入工作状态。
三、功率因数校正电路
该板的功率因数校正电路以交错双相控制型PFC芯片NCP1631(U902 )为核心组成,如图7所示。u902 的引脚功能与实测电压见表2。
1.启动过程后,加到U902的⑦脚。当⑦脚电压高于1V时,U902内部电路工作,从14脚和11脚输出相位相反的驱动信号。下面以14脚输出的DRVI信号为例介绍。
当14脚输出信号为高电平时,Q202饱和导通,电感L203储能:当14脚输出信号为低电平时,Q206导通,Q202栅极电压经R227、Q206到地。Q202迅速由饱和转为截止,L203中的感应电动势极性变为⑧脚+⑥脚-,与输入的+300V电压叠加,通过D201、D207向负载供电,并向滤波电容C211、C212充电,在C211、C212上形成约393V的PFC电压。同理,U902的11脚输出的DRV2信号的驱动原理跟上述一样。采用交错双向驱动既增强了PFC带负载的能力,又减小了L203、L204、C211和C212的体积。
2.过零检测
为防止开关管在电感未放完电前导通,PFC电路必须设有过零信号检测电路。电感L203的④-⑤绕组产生的感应电压ZCD1,经R225 R207加到U902的16脚(过零信号检测输入端1),与内部设定的开关管最大导通时间基准信号进行比较,当Q202的开关周期达到设计值时,过零比较器翻转,关闭14脚DRV1信号输出,Q202截止,避免Q202损耗过大而损坏。同理,U902的①脚输入的信号为另一路PFC的过零检测信号。
3.稳压电路
PFC电压经R214~R216、R221、R222、R230、R238和R239分压后,形成取样电压FB2,经R201(实际电路未装Q203,装有02电阻R201 )加到U902的②脚,形成反映PFC输出电压高低的反馈信号。C215为干扰吸收电容,吸收送入②脚的高频干扰信号,防止稳压回路自激损坏Q202、Q204等器件。当交流输入电压变高或其他原因造成PFC电压升高时,经分压取样网络加到U902②脚的电压也跟着升高,IC内部误差放大器
二次开机后,12.8V的vCC2电压加到U902( NCP1631 )的②脚,同时,300V脉动直流电压经R228、R235、R243、R237和R204分压输出的电压下降,即⑤脚电压下降,经C209、R212、C214补偿后,14脚和11脚输出的脉冲占空比下降.Q202和Q204的导通时间缩短,L203和L204的储能减小,PFC电压下降,从而达到稳压的目的。当PFC输出的电压降低时,稳压过程与上述过程相反。
4.保护电路
(1)过压保护(OVP)
PFC电压先经R214~R216、R221、R222、R230、R238和R239分压,再经R223和R233分压,送入U902的⑧脚。若PFC电压升高,u902的⑧脚电压也跟着升高。当⑧脚电压超过预定电压(Vret)时,内部oVP比较器动作,关闭14脚和11脚信号输出,Q202和Q204截
(2)欠压保护(UVP)/开环保护
若PFC电压降低,U902的⑧脚电压也会跟着降低。当稳压环路开路时,u902的⑧脚无取样电压输入。当IC内部UVP欠压比较器检测到⑧脚的电压低于Vref的12%时,UVP欠压比较器动作,关闭14脚和11脚信号输出Q202和Q204截止。
(3)外部保护锁定
u902芯片内部预设有一个电压比较器,负端接Vref电压,正端接LATCH信号输入。当U902 的10脚电压高于Vref电压时,比较器动作,关闭14脚和11脚信号输出,Q202和Q204截止。本机未使用此功能。
四、主电压产生电路
该板主电压电路采用安森美公司生产的谐振控制芯片NCP1393( U401 )作为初级控制器,如图8所示。
NCP1393是一种自振荡高压MOSFET管驱动器,内置高压半桥驱动器和振荡器,采用安森美专有高压技术,驱动器耐压高达600V,其引脚功能与实测电压见表3。
1.功率转换电路
二次开机后,U401的①脚得到VCC3供电,经100ms延时后,振荡电路开始工作,从⑤脚和⑦脚输出同频半桥驱动信号。当⑤脚输出高电平信号、⑦脚输出低电平信号时,Q402饱和导通、Q401截止,谐振变压器T401的初级感应电压通过Q402的D:S极到地,C410放电;反之,Q401饱和导通、Q402截止。PFC电压经Q401的D.S极,T401的初级及谐振电容C410到地,T401储能,感应电压为②+、⑥-。
T401的次级⑧-⑨、10-⑨绕组产生的感应电压经D304、D305整流后,送入由C324、L902和C325、C326组成的LC滤波器滤波,形成24VA电压,为主板和LED驱动IC供电。R317~R319、R321~R324为泄放电阻。
T401的次级11-⑨、7-⑨绕组产生的感应电压经D426、D427整流及C417~C419滤波后,形成约90V电压,为LED驱动电路供电。
2.稳压电路
当24VA电压升高时,R313和R315、R314的分压升高,即U303的R极电压升高,U303的K极输入电流增大,流过N401内部的发光二极管电流增大,U401的②脚电压下降,U401输出脉冲占空比下降,Q401和Q402 导通时间缩短,T401储能减小,24VA电压降低。当24VA电压降低时,其稳压过程与上述过程相反。
3.保护电路
(1)VCC欠压保护
vCC3电压经R403和R407分压后加到U401的③脚,与内部的BO比较器负端接入的VrefBO(设定为1V)电压进行比较,当BO脚电压大于1V时,输出BO OK信号,电路正常工作。若vCC3下降,当BO脚电压低于1V时,比较器翻转,关闭驱动信号输出。
(2)过载保护
T401的⑥脚脉电压经C411、R418~R420、R423取样、D405整流得到一个直流电压。正常工作时,该电压未达到33V ,ZD402截止,对电路无影响。当T401的⑥脚脉冲电压大幅升高时,D405整流所得电压超过ZD402的稳压值,ZD402导通,经R401、D404加到U401的③脚。当③脚电压达到2V时,内部比较器自锁,关闭驱动输出。
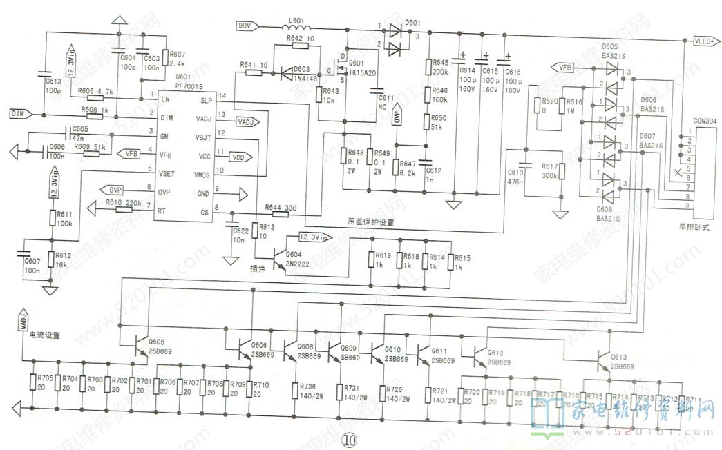
五、LED驱动电路
1.背光开关控制电路
该电路由Q651、Q653及外围元件组成,如图9所示。二次开机后,24VA电压经R604和R605分压加到PF7001S(U601)的①脚,BL-ON信号变成高电平,Q653饱和导通,12.3V电压经R651~R653.Q653的D、S极到地,Q651导通,经D604隔离后输出12.3Vin电压,送给U601的①脚(使能信号输入端),U601进入工作状态。
2.升压驱动电路
该板的升压、恒流控制芯片采用PF7001S,如图10所示。
PF7001S内含一个电流模式PWM控制器,能直接驱动大功率MOS管,其引脚功能与实测电压见表4。
升压驱动电路由U601、Q601、D601、L601及外围元器件构成。U601 工作后,从10脚输出PWM驱动信号,当10脚输出高电平时,Q601饱和导通,90V电压经电感L601->Q601的D、S极->R648、R649->地,L601储能,感应电压为左+ 右一,二极管D601截止,电容C614~C616充当电源,为灯条供电。当U601 的10脚输出低电平时,Q601截止,L601两端的感应电动势变成左-右+,与输入的90V电压叠加,输出VLED+电压,D601导通,为C614~C616充电,同时为灯条供电。
二极管D605~D608组成VLED+电压检测电路,当任何一只二极管因③脚电压过低而导通时,VFB电压均被拉低。假设CON304⑥脚的灯条压降最大,当VLED+电压降低时,由于灯条的压降变化较小,从CON304的⑥脚反馈回的电压降低,D605的①、③脚导通,VFB电压降低,经U601内部电路处理后,10脚输出PWM脉冲变宽,Q601导通时间增加,L601储能时间增加,VLED+电压上升。
3.恒流控制电路
Q605、Q606、Q608~Q613及外围元件组成的8路镜像恒流电路,对四组灯条实行恒流控制。这里以Q605、Q606支路为例进行介绍。当DIM信号为高电平时,U601的12脚输出高电平,经R613加到Q604的b极。12.3Vin 电压经Q604的c、e极及R614、R615、R618、R619后,加到Q605和Q606的b极,Q605.Q606导通。其中,Q605 e极流出的电流经R701~R705到地,Q605的e极产生电流取样信号VADJ,送入U601的13脚。当流过CON304⑥脚的电流变大(即流过该组灯条的电流增大)时,VADJ电压上升,即U601的⑧脚(内部比较器反相端)电平上升,比较器输出电压降低,Q605 b极的电流减小,Q605的导通程度变浅;则流过灯条的电流减小,以保持灯条电流的恒定。
4.调光电路
本电源使用的是PWM调光,即利用人眼的视觉特点,通过调节单位时间内LED亮灭时间的比例,来达到调整LED亮度的目的。主板送来的调光控制信号经插座cON202的①脚输入,经R608限流后送入U601的②脚。C613、C604是干扰滤除电容。
当DIM信号为高电平时,U601内部电路根据④脚输入的电流检测信号控制升压激励电路,使VLED+电压满足最大压降LED灯串的驱动电流,LED灯条正常发光。当DIM信号为低电平时,U601停止驱动脉冲输出,升压电路不工作,LED灯串不发光。由于DIM信号的频率是在100Hz~800Hz 之间,远高于人眼的视觉暂停的50Hz. 上限,所以人眼看不见LED闪烁,只会看见LED亮度发生变化。改变DIM信号脉冲的占空比,就改变了单位时间内LED灯的点亮时间,从而实现了背光亮度的控制。
5.保护电路
(1 )过热保护(OTP)
当U601内部温度达到140C时,OTP电路动作,升压电路停止工作。
(2)过压保护
VLED+电压通过R645、R646、R650和R647分压,送入U601的⑥脚(内部oVP比较器和开环检测比较器正端)。当U601的⑥脚电压超过2.5V时,过压保护电路动作,LED驱动电路进入保护状态。
当稳压环路开路造成U601的⑥脚电压低于0.3V时,开环检测器动作,LED驱动电路进入保护状态。
(3)LED灯条局部短路(压差)保护
当LED背光中一组灯串开路时,对应灯串无电流流过,D605~D608中对应二极管导通,U601的④脚电压被拉低,导致升压电路输出的VLED+电压升高。剩下的三路灯条要保持电流恒定,就会使cON304的⑥~⑨脚电压差异较大。D605~D608的②、③脚组成检测比较电路,所得高电平信号经R616、R620和R617分压后送入U601的14脚。当14脚的电压达到1V时,压差保护电路动作,LED驱动电路进入保护工作状态。
单当LED灯条局部短路后,通过恒流电路调节,对应灯条负端电压就会升高。通过D605~D608的②、③脚组成的与门电路检测后,送入U601的14脚电位升高。当14脚的电平达到1V时,压差保护电路动作,LED驱动电路进入保护状态。
(4)过流保护电路
当升压电路负载过重时,流过升压管Q601的电流会增大,R648、R649的压降增大,即U601的⑧脚电压升高。当⑧脚电压达到0.3V时,OCP比较器动作,LED驱动电路进入保护状态。
六、检修举例
例1:一台长虹UD65D2000型液晶彩电,通电后指示灯亮一下后马上熄灭。
分析检修:通电后指示灯亮,说明待机电路基本正常,故障可能是电路保护造成。首先测量12.3V电压,发现开机后该电压升至12V时马上下降说明稳压不正常。取下Q607,断开输出过压保护电路开机,故障依旧,说明故障不是输出过压保护电路动作引起,可能是交流电压检测电路异常所致。参见图4,测量Q149的G极电压为3V,而正常值应接近6V。在路检测,发现ZD140正端对地电阻偏小。检查抗干扰电容C140和分压电阻R146、R119,发现C140漏电。更换C140后通电试机,故障排除。
例2:一台长虹UD65D2000型液晶彩电,二次开机后,背光一闪即灭,伴音一直正常。仔细看屏幕,能看见较暗的图像。有时工作一段时间后黑屏。
分析检修:首先测量12.3V电压和PFC电压,均正常。用瞬间测试方法,测得VLED+电压升到约110V时马上保护。在电视能正常工作时,测量CON304的⑥~⑨脚电压,发现⑦~⑨脚电压为1.8V,⑥脚电压为5.6V。当图像亮度较亮时,⑥脚电压上升,并随即黑屏。上述检测说明LED灯珠短路引起压差保护电路动作。因手上无该机灯条,遂决定更改电路,使电视正常工作。因该电源的LED驱动电流为400mA,结合上面测得cON304的⑥脚与其他脚的压差近4V,故用一只10Ω/5W电阻串入此电路中,如图11所示。

串好电阻后试机,故障排除。为降低LED灯串电流,找到Q605~Q613发射极对地电阻,每组拆下一只。
例3:一台长虹UD65D2000I型液晶彩电,背光闪一下或闪烁几次后熄灭。
分析检修:电视能二次开机,说明主板基本正常。测12.3V电压正常,背光开/关信号BL ON电压为1.14V、ADJ信号电压为1.73V,均正常,但PFC电压约为300V,有时在关机瞬间达到360V。检查PFC电路,参见图7,在开机以后测得U902的2脚电压约为11V,且波动。该脚正常电压为12.69V。测试供电三极管Q176的c、b、e极电压分别为:17.65V、12.47V、11.46V,b、e极压差约为1V,明显不正常(正常应为0.5V~0.7V)。代换Q176后,U902的②脚电压升到12.91V ,故障排除。


