长虹LED32C2JDi液晶电视右声道无声音的故障维修

2022-04-20 03:27:20  阅读 1022 次 评论 0 条
摘要:

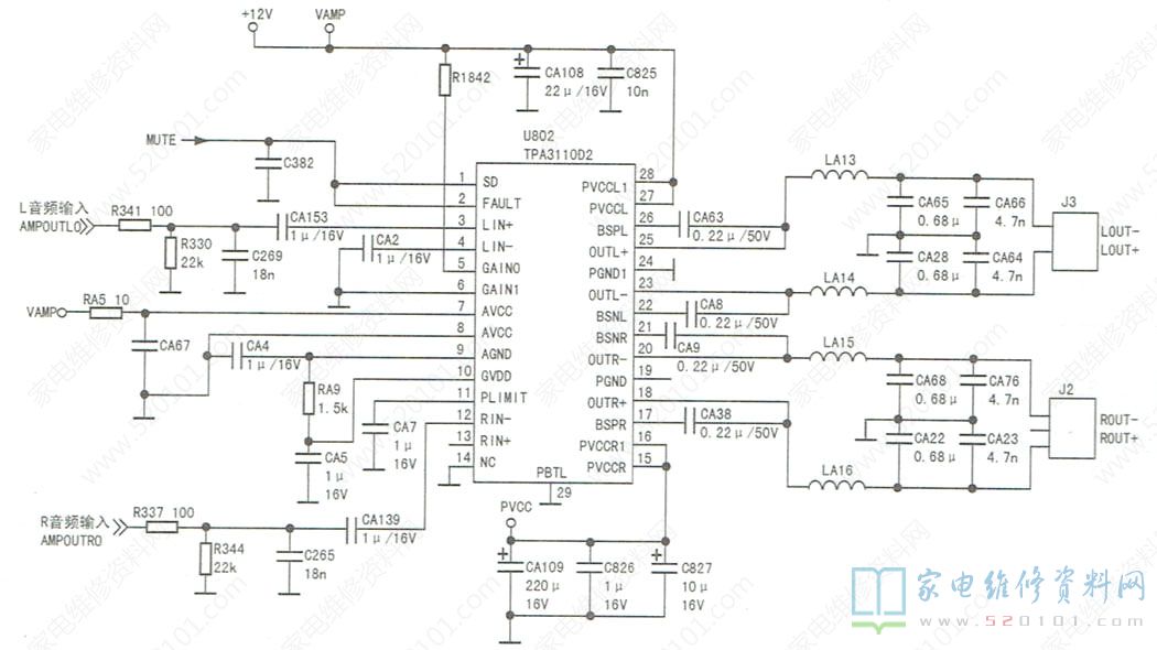
接修一台长虹LED32C2JDi液晶电视(ZLM41G-ij机芯),故障表现为左声道声音正常,但右声道无声。据故障现象分析,问题应该出在信号切换或功率放大电路中。用不同信号源试机,均是左声道正常,右声道无

       接修一台长虹LED32C2JDi液晶电视(ZLM41G-ij机芯),故障表现为左声道声音正常,但右声道无声。据故障现象分析,问题应该出在信号切换或功率放大电路中。用不同信号源试机,均是左声道正常,右声道无声。这就基本排除了信号切换电路有问题的可能,故障应出在功率放大电路中。此机功放集成电路采用非总线控制的D类功率放大器TPA3110D2 (U802), 如图所示。

长虹LED32C2JDi液晶电视右声道无声音的故障维修 第1张

       测量TPA3110D2各引脚电压,基本正常,见表1。用镊子干扰U802的②脚( 正相右声道音频输入脚),扬声器发出“喀喀"声,说明故障在前级电路。顺着电路往前检查,干扰到信号耦合电容CA139右端有干扰响声,而干扰其左端无声,说明故障就在CA139上。用1uF/16V的贴片电容更换CA139后,故障排除。

长虹LED32C2JDi液晶电视右声道无声音的故障维修 第2张

版权声明:本文为转载文章,版权归原作者所有,欢迎分享本文,转载请保留出处!