长虹液晶电视采用的背光电路型号较多,但大多标注有背光输出电压如图1、图2所示(图中的“驱动输出”、"LED输出”均指LED+端对地电压),同时还标注有LED灯串组数,如图3、图4所示。
一、背光电路关键测试点
在实修中,若要测量LED+电压,须将数字万用表置于1000V直流挡,黑表笔接地,红表笔接LED+端,接好后开机,读取读数。须注意的是:由于大部分背光电路具有保护功能若背光电路或灯条有故障,开机后LED+电压会慢慢下降。
另外,若不接灯条或灯条开路,测得的LED+电压会略高于标注值。提示:更改背光限流电阻(常为多只并联)的阻值,可以改变灯条亮度:总阻值越小,亮度越高;总阻值越大,亮度越低。在实修中,建议取消一两只电阻。
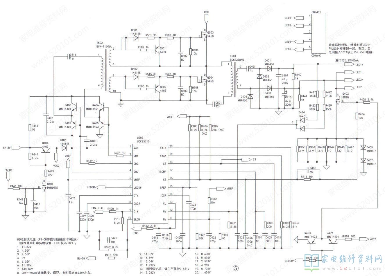
为说明背光电路的其他关键测试点,下面以HSL35D- 2MC型电源二合一板为例,其背光电路如图5所示。
U203(UCC25710)是一款LLC桥式控制器,常用于多串LED控制电路中。二次开机后,开关电源中的PFC电路输出390.3V的PFC电压,供给背光驱动电路。同时,主芯片输出的PS-ON信号为高电平,Q401导通后Q404也导通,U203①脚(VCC)得到12V供电,BL-ON、PWRDIM信号分别经电阻R418、R420隔离后加到U203①脚⑨脚,U203开始工作,从②、③脚输出激励脉冲,经Q405~Q408激励放大后,从激励变压器T502⑤、⑥、⑨、10脚输出,经Q501、Q502再次放大后驱动开关管Q503.Q504,开关变压器T501的⑦-⑨绕组产生感应电压,经D401~D404全波整流和C409、C410滤波后,输出两组LED+电压,供给屏内两组LED灯条。
该背光电路的易损元件如图6、图7所示。
其中,整流二极管D401 ~D404损坏率较高,其击穿或开路均会造成无背光电压输出。
二、检修实例
例1:一台UD55C600OD型机(ZLS47 机芯),三无。
分析检修:拆机检查,发现电源板(型号:HSL60D-12M7)上的Q501、Q502、U501、F101损坏。输出电压正常,但背光闪烁,约1min后再次三无。断电后测量背光电路接口对地阻值,发现LED+端对地阻值仅为22,如图8所示,判断屏(型号:C550U13- E1-L(G1))内灯条对地短路。更换灯条后试机,故障排除。
例2:一台LED32C3000型机(LPC42机芯),开机后黑屏,但声音正常。分析检修:开机,测量BL-ON信号电压正常,背光电路65V供电也正常,怀疑背光升压电路或灯条有问题。此机采用JCS30D-1MB191型电源二合一板,板上标注的LED+电压100V,但实测只有65V,严重偏低。检查背光控制芯片IC3的供电电路,如图9所示,发现IC3①脚( VDD )电压为0V,QS2基极电压为0.65V,集电极电压为12V,明显不对,判断QS2损坏。
更换QS2后试机,LED+电压升到123V,背光点亮,故障排除。
例3:一台42D2000N型机(ZLS53机芯),黑屏。
分析检修:开机,测量LED+电压,与板上标注一样,但LED-端电压约为0V,判断屏内灯条有问题。拆开液晶屏试机,发现灯条上的LED灯珠发光均很暗。逐一测量各组灯条的压降(正常值为12V),其中一组的压降为17V,怀疑此组灯条异常。试将该组灯条的正、负极短接,其他灯珠发光亮度恢复正常。检查该组灯条,发现LED灯串负极与最后一只灯珠之间的铜箔断裂,如图10所示。镀锡补焊后试机,故障排除。
例4:一台LED50C20001型机,开机后图像暗。
分析检修:.上电开机,图像很暗,但伴音与各种操控均正常,活动图像也很流畅,基本排除主板或者屏电路出问题的可能性,怀疑背光电路异常。测量LED+电压为96V(正常应为115V),LED-电压为7V(正常应为27V),判断电源背光二合一板(型号:HSL35D-2MC 400图纸), 上的背光控制电路有问题。
首先检查背光控制IC周围电路,未发现异常,转向检查升压电路,发现高压变压器旁边的电容C501已损坏。将C501换新后试机,故障排除。相关电路参见图5。
例5:一台LED42A6000L型机,三无。
分析检修:上电试机,电源指示灯不亮,遥控、按键均没有反应。测量开关电源输出电压,发现24V电压开机后迅速升到17V,随后慢慢下降。断开24V的主要负载 -- LED 驱动板,再测24V电压恢复正常,电源指示灯亮,遥控开/关机正常,由此判断LED驱动板有问题。检查该板,发现电容C38两端短路。断开LED灯串连线,C38两端阻值恢复正常,判断屏内灯条短路。更换屏内灯条后试机,故障排除。
