家电维修技术网-长虹ZLM65HIS机芯主板电路维修图解 家电维修技术网
X
  • 首页
  • 彩电维修资料
  • 彩电总线调整
  • 维修基础
  • 电子线路
  • 电子制作
  • 空调制冷
  • 说明书
  • nbsp
  • 电压
  • 故障
  • 电路
  • 输出
  • 开机
  • 电源
  • 信号
  • 电容
  • 伴音
  • 电阻
  • 检查
  • 更换
  • 代换
  • 击穿
  • 查看更多热门标签

首页 > 长虹彩电维修 > 正文

长虹ZLM65HIS机芯主板电路维修图解

2022-03-21 18:53:19  阅读 776 次 评论 0 条
摘要:

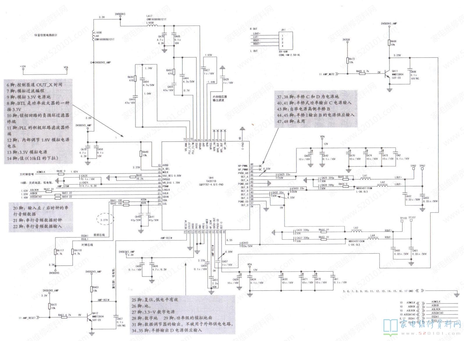
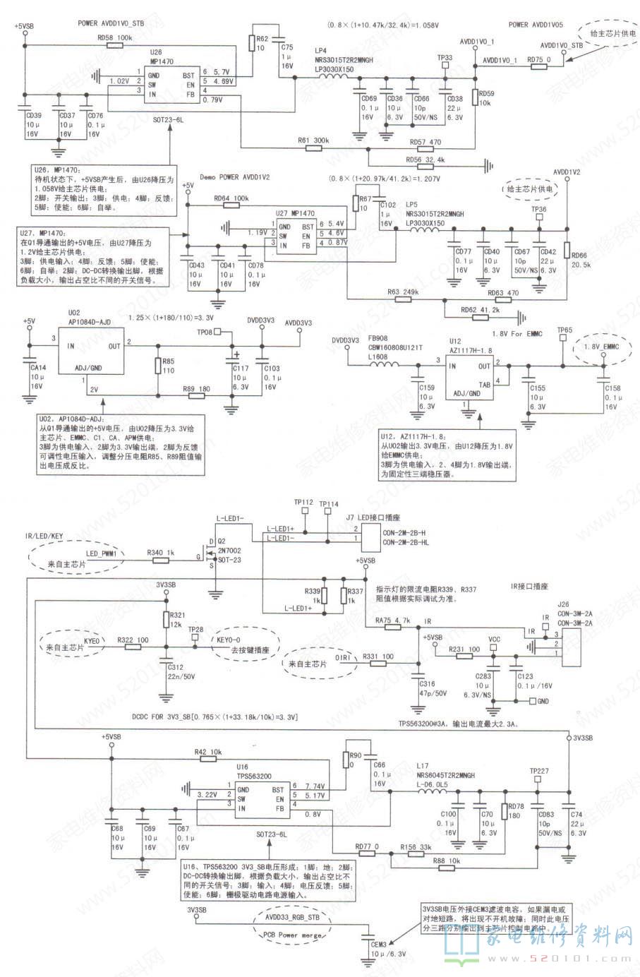
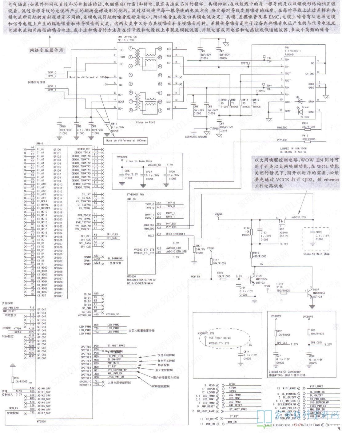
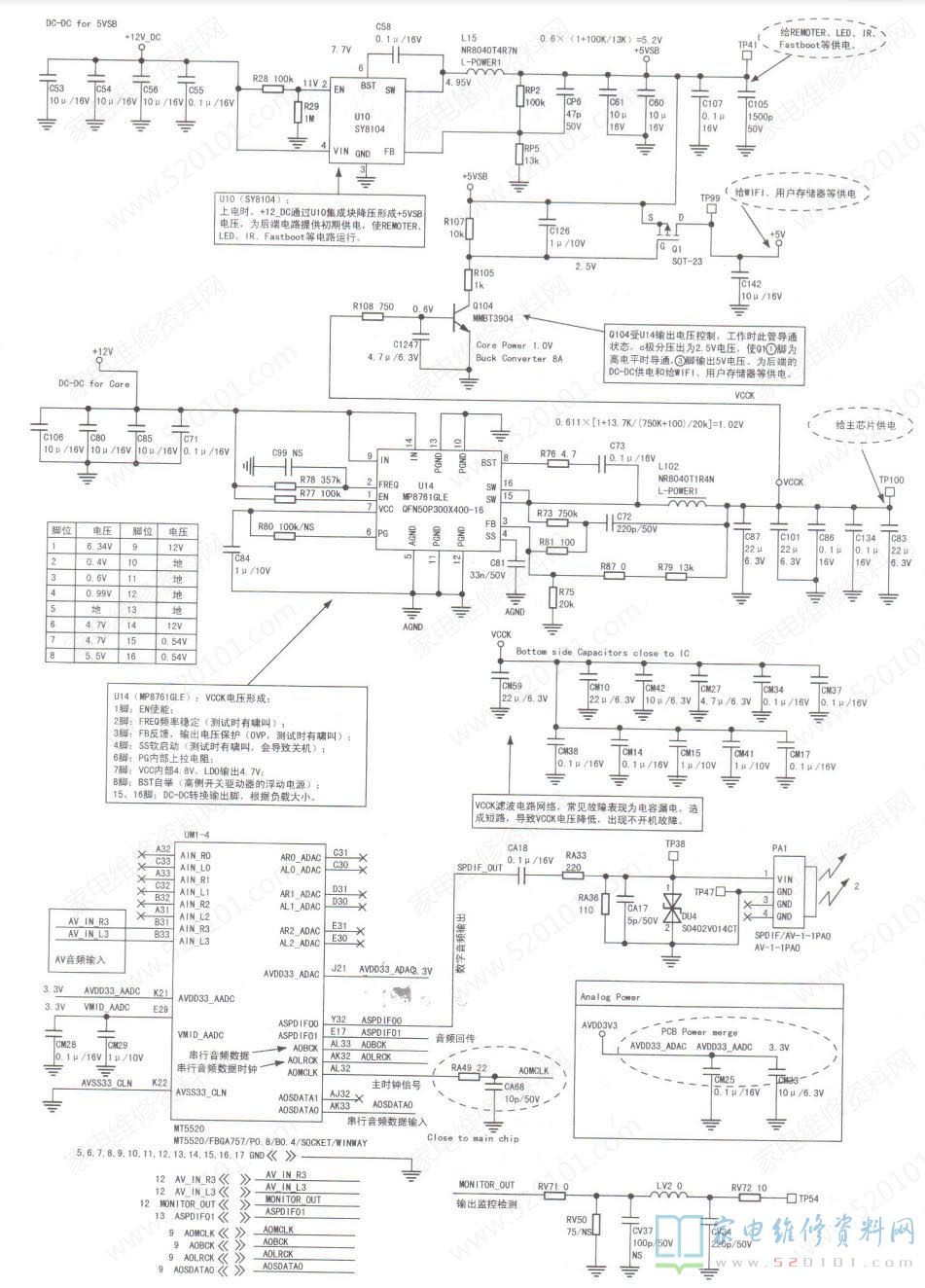
长虹ZLM65HIS机芯主板电路维修图解 第1张

长虹ZLM65HIS机芯主板电路维修图解 第2张

长虹ZLM65HIS机芯主板电路维修图解 第3张

长虹ZLM65HIS机芯主板电路维修图解 第4张

长虹ZLM65HIS机芯主板电路维修图解 第5张

长虹ZLM65HIS机芯主板电路维修图解 第6张

长虹ZLM65HIS机芯主板电路维修图解 第7张

长虹ZLM65HIS机芯主板电路维修图解 第8张

长虹ZLM65HIS机芯主板电路维修图解 第9张

长虹ZLM65HIS机芯主板电路维修图解 第10张

长虹ZLM65HIS机芯主板电路维修图解 第11张

长虹ZLM65HIS机芯主板电路维修图解 第12张

长虹ZLM65HIS机芯主板电路维修图解 第13张

长虹ZLM65HIS机芯主板电路维修图解 第14张

长虹ZLM65HIS机芯主板电路维修图解 第15张

长虹ZLM65HIS机芯主板电路维修图解 第16张

长虹ZLM65HIS机芯主板电路维修图解 第17张

长虹ZLM65HIS机芯主板电路维修图解 第18张

版权声明:本文为转载文章,版权归原作者所有,欢迎分享本文,转载请保留出处!
点赞
分享:
PREVIOUS:夏普LCD60DS20A液晶电视灰屏的故障维修
NEXT:海信RSAG7.820.6173主板电路维修图解

文章导航

相关文章 关键词:关键点电压标注电路功能模块维修功能分布主板电路图
  • •创维40X6液晶电视开机三无的故障维修
  • •创维47E600Y液晶电视无伴音的故障维修
  • •三星UA50F5080AR液晶电视红灯瞬间闪烁而后常亮不开机
  • •康佳LED32F3600CE液晶电视黑屏的故障维修
  • •三洋43CE2562A1液晶电视红绿蓝交替显示的故障维修
  • •创维32E381S液晶电视开机困难的故障维修
  • •乐华TSUMV36KU机芯液晶电视电路原理与维修
  • •TCL L50E5090-3D液晶电视不开机的故障维修

最近发表

  • 27/02月
    创维40X6液晶电视开机三无的故障维修
  • 26/02月
    创维47E600Y液晶电视无伴音的故障维修
  • 26/02月
    TCL液晶电视TV3205-ZC02-01(A)电源板电路原理与故障维修
  • 25/02月
    长虹UD42C6080iD液晶电视电源指示灯闪不开机的维修
  • 25/02月
    创维42E380S液晶电视指示灯绿灯亮无背光
  • 25/02月
    三星UA50F5080AR液晶电视红灯瞬间闪烁而后常亮不开机

标签列表

nbsp 电压 开机 故障 检查 电容 行管 电源 击穿 信号 电路 高压包 伴音 电阻 负载 光栅 输出 存储器 焊点 晶振
    Copyright © 2023 Howtod.com 浙ICP备16006877号-11