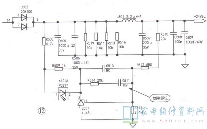
接修一台长虹58Q1N液晶电视(机芯:ZLS50Hi),故障表现为黑屏。上电后指示灯亮,二次开机黑屏,初步分析其原因,应与电源电路、背光驱动电路、背光灯条、液晶显示屏有关。为快速判断故障范围,首先检测电源电路输出电压,结果发现12.3V电压正常,而背光驱动供电24VBL却在17V~20V之间跳变,此时断开给LED驱动电路供电的插座CON401负载后,再测24VBL输出电压依旧,所以判断故障在电源电路。该机电源板型号为HSL50S -1M2 7A2,且为单电源电压结构(不含背光驱动电路),也就是说,只需检查背光驱动电路供电即可。因24VBL电压偏低且跳变,故重点检查其稳压取样电路。检测三端稳压块U501(TL431)、光耦N401(P817)及稳压取样电阻R510.R512.R515的阻值,均正常。
但发现电容C511有点虚焊,重新补焊后开机,24VBL输出电压恢复正常。分析其原因:C511与R514串联构成低频消振电路,对24VBL输出电压起到抗低频干扰作用,如果消振电路元件电容C511漏电(可去掉C511,24VBL电压输出也正常,但开关变压器会发出很大的噪音,这也是判断c511是否漏电的方法之一),低频干扰就会使U501三端稳压值波动(TL431灵敏度高),进而使光耦N401初级发光量及次级光敏三极管的导通率发生变化,并反馈于驱动芯片U401(NCP1393 )的②脚,使内部输出的驱动脉冲带宽变化而直接影响24VBL电压的正常输出(C511 漏电故障率较高)。更换电容C511( 100nF ),故障排除,相关电路如图1所示。
  
 
			版权声明:本文为转载文章,版权归原作者所有,欢迎分享本文,转载请保留出处!
			
		
		
		
		
		
		
	