液晶屏组件由背光源、液晶屏面板及驱动两大部分构成。
一、屏驱动整体构成
背光源:由逆变器、CCFLCCFL灯管、各灯管、各类光学透镜构成。(见下图的绿色方框内)维修常见为逆变器不良。
液晶屏面板及驱动:主要由液晶面板、面板驱动电路构成。面板驱动电路主要由GDTE驱动、SOURCE驱动构成。
上面所说的驱动电路(黄色框内),一般维修是不能修复的区域,如要修复,需要专用设备维修。
绿色部分是背光源组件区域
蓝色部分就是今天的重点蓝色部分就是今天的重点--TCON处理板(我们常说的逻辑板组件)。
包括:TCON处理电路,一般用一个IC搭配帧存储器构成。DC/DC转换电路,把单一电源转换为多路电压,如压,如20V、15V、3.3V、-7V等。
二、逻辑板整体架构
名词解释
VGH:Vgatehigh,是指gate级的高电位,也就是打开gate级的电压;很多机器都为15V.
VGL:Vgatelow ,是gate级的低电位,也就是关闭gate级的电压,在二阶驱动时此电压有效,在三阶驱动时,此电压只是用来产生Vgoffl; 很多机器都为-7V左右.
VDD 是数字电路的工作电压 是数字电路的工作电压 ,一般为3.3V。还有VCOM等电压。
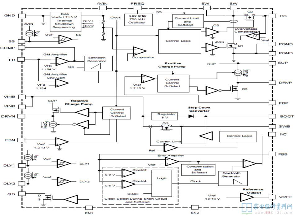
三、TPS65160的内部方框图
格式变换电路和ODOD电路
这两部分电路一般都是由一个IC和帧存储器完成,外围元器件少。LVDS信号直接输入块子,转换为RSDS信号直接输出。
在最新的机型中,如长虹LT32710采用的MST728,可以通过软件设置,直接输出RSDS信号,相当于把液晶屏组件上的逻辑板,集成到主板上.这样减少了板卡数目,降低成本.
四、逻辑板与SOURCE驱动连接
通过RSDS数据线,与每一个SOURCE驱动(CD)连接
SOURCE驱动IC实物图(实物图CD)
从实物上看,SOURCE驱动外观与GATE驱动一样,只不过GATE驱动电路是驱动横线。当其中一个SOURCE驱动开路时,一般出现竖带问题;当其中一个GATE驱动电路开路是出现横带问题。
上面介绍的上面介绍的SOURCE驱动和GATE驱动电路出故障,需要专业的维修工具,(压屏)一般维修,很难对FPC线进行更换.
五、故障判断分析
1、图像处理部分
由于图象处理部分分为信号处理部分和TCON部分,维修时首先须判断故障范围是在哪一部分。基本上可以这样认为:如果故障与信号源有关(例如TV状态下出现,AV状态下不出现),则首先怀疑主芯片以前的部分;如果对所有图像及OSD屏显都异常,则怀疑LVDS信号以后部分(包括LVDS线路和TCON部分);特别的,如果屏幕出现竖线、竖带、或左右半屏异常,基本上是TCON部分的RSDS线附近的问题。
2、黑屏或白屏问题
首先也需要判断故障在信号处理部分还是TCON部分。有条件的可以通过测量连接信号处理部分和TCON部分之间的LVDS信号,来判断故障范围,如果正常,则怀疑后端的TCON部分;如果不正常,则检查前面的信号处理部分。通过测量屏驱动电压是否正常来判断是否是DC/DC转换电路是否有故障。
3、花屏问题
花屏问题有两类:乙类是LVDS信号不正常输入造成的,常表现为图像上有红色或绿色噪波点。
二类是由于屏驱动电压不正常造成的。

