长虹CHD-8机芯(FSCQ1265RT)控制系统供电形成特点(图)

2017-05-16 19:26:44  阅读 518 次 评论 0 条
摘要:

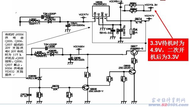
关键点介绍:3脚电压的建立过程(启动、二次供电)、稳压过程(TL431检测过程)、5脚工作特点(5脚同步反馈开关电源工作脉冲,当此脚脉冲无输入或幅度过高时,都可能导致电源工作后保护,电源停止)。FSCQ1265RT

长虹CHD-8机芯(FSCQ1265RT)控制系统供电形成特点(图) 第1张
关键点介绍:3脚电压的建立过程(启动、二次供电)、稳压过程(TL431检测过程)、5脚工作特点(5脚同步反馈开关电源工作脉冲,当此脚脉冲无输入或幅度过高时,都可能导致电源工作后保护,电源停止)。


FSCQ1265RT 输出端典型电路特点
长虹CHD-8机芯(FSCQ1265RT)控制系统供电形成特点(图) 第2张
版权声明:本文为转载文章,版权归原作者所有,欢迎分享本文,转载请保留出处!