长虹C2919PV彩电图像清晰度增强电路原理分析

2017-05-16 19:26:44  阅读 762 次 评论 0 条
摘要:

为了提高重现图像的水平清晰度,长虹C2919PV彩电在亮度处理电路中采用了松下公司生产的图像清晰度增强集成电路AN5342K。AN5342K具有水平轮廓校正、动态细节校正、动态清晰度控制、核化处理以及扫描速度调制信号

为了提高重现图像的水平清晰度,长虹C2919PV彩电在亮度处理电路中采用了松下公司生产的图像清晰度增强集成电路AN5342K。AN5342K具有水平轮廓校正、动态细节校正、动态清晰度控制、核化处理以及扫描速度调制信号形成等功能,可使彩电重现有深度感且层次分明的高品质图像。

AN5342K内部框图及引脚功能

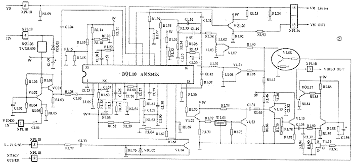
  AN5342K内部电路框图如图1所示。AN5342K具有30根引脚,它们分别是:①脚为接地端;②脚(DSC-IN)为动态清晰度控制亮度信号输入端;③脚(DSC-OUT)为动态清晰度控制检测输出端;④脚为空脚;⑤脚(DSCGAIN-CONTROL)为动态清晰度控制大信号增益控制端;⑥脚(NOISEDET)为噪声检测设置端;⑦脚(BIAS1)为微分信号偏置设置1;⑧脚(BIAS2)为微分信号偏置设置2;⑨脚(2ND-OUT)为二次微分校正后的信号输出;⑩脚(BIAS)为轮廓控制部分电路偏置设置端;长虹C2919PV彩电图像清晰度增强电路原理分析 第1张脚(2ND-IN)为二次微分校正后的信号输入端;长虹C2919PV彩电图像清晰度增强电路原理分析 第2张脚(GAIN-CONTROL)为轮廓细节部分分离电平控制端;长虹C2919PV彩电图像清晰度增强电路原理分析 第3张脚(VM-PEAKING)为扫描速度调制峰值控制端;长虹C2919PV彩电图像清晰度增强电路原理分析 第4张脚(VM-OUT)为扫描速度调制亮度Y信号输出端;长虹C2919PV彩电图像清晰度增强电路原理分析 第5张脚(Y-OUT)为校正后的亮度Y信号输出端;长虹C2919PV彩电图像清晰度增强电路原理分析 第6张脚(SHARPNESS)为清晰度控制端;长虹C2919PV彩电图像清晰度增强电路原理分析 第7张脚(IST-IN)为一次微分电路校正后的信号输入端;长虹C2919PV彩电图像清晰度增强电路原理分析 第8张脚(GAIN-CONTROL)为增益控制端;长虹C2919PV彩电图像清晰度增强电路原理分析 第9张脚(IST-OUT)为一次微分校正后的亮度信号输出端;长虹C2919PV彩电图像清晰度增强电路原理分析 第10张脚(YS-IN)为扫描速度调制通/断控制信号输入端,高电平输入时无VM作用;低电平输入时有VM作用;长虹C2919PV彩电图像清晰度增强电路原理分析 第11张脚(VM-OUT)为扫描速度调制信号输出端;长虹C2919PV彩电图像清晰度增强电路原理分析 第12张脚(VMLIMITLEVEL)为扫速度调制限幅电平控制输入端;长虹C2919PV彩电图像清晰度增强电路原理分析 第13张脚(VM-IN)为扫描速度调制信号输入端;长虹C2919PV彩电图像清晰度增强电路原理分析 第14张脚(DELAY-TIME)为延迟时间开关切换控制信号输入端(本机未用);长虹C2919PV彩电图像清晰度增强电路原理分析 第15张脚(Y-IN)为校正前的亮度信号输入端;长虹C2919PV彩电图像清晰度增强电路原理分析 第16张脚(CORERINGCONTROL)为核化控制电平输入端;长虹C2919PV彩电图像清晰度增强电路原理分析 第17张脚(VCC)为+9V工作电源输入端;长虹C2919PV彩电图像清晰度增强电路原理分析 第18张脚(CORERINGBIAS)为核化控制电路偏置端;长虹C2919PV彩电图像清晰度增强电路原理分析 第19张脚(DSC-BIAS)为动态清晰度控制偏置端;长虹C2919PV彩电图像清晰度增强电路原理分析 第20张脚(DSC-GAIN)为动态清晰度控制小信号增益控制端。

长虹C2919PV彩电图像清晰度增强电路原理分析 第21张 长虹C2919PV彩电图像清晰度增强电路原理分析 第22张

  AN5342K的正常工作参数列于附表中。

                       附表
引脚 电压
(V)
在路电阻(kΩ) 引脚 电压
(V)
在路电阻(kΩ)
红笔测 黑笔测 红笔测 黑笔测
1 0 0 0 16 3.7 6.2 9.0
2 2.6 6.0 8.5 17 4.9 6.0 9.0
3 3.6 6.0 8.5 18 3.5 4.6 5.0
4 0 3.8 6.5 19 6.2 6.2 9.5
5 3.5 1.8 2.0 20 0 5.5 6.4
6 3.3 6.5 8.5 21 7.3 6.0 6.5
7 3.1 6.5 10 22 6.6 5.5 6.5
8 3.3 6.5 8.5 23 2.3 6.3 8.5
9 2.9 5.5 6.5 24 0.1 6.2 7.5
10 3.6 6.5 8.5 25 5.4 6.2 10
11 2.7 6.5 8.4 26 5.0 6.0 8.5
12 3.2 5.8 7.5 27 9.0 0.2 0.3
13 3.2 5.5 7.0 28 5.7 6.3 8.0
14 4.0 6.0 9.2 29 0.7 3.5 3.6
15 4.0 6.0 9.0 30 3.8 2.0 2.0
电路工作原理

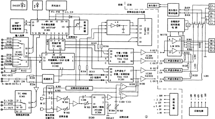
  长虹C2919PV型彩电图像清晰度增强电路如图2所示。该电路所用元器件均集中安装在LT板上,并通过插排XPL1B(XPL1A)与主电路板(即ZB板)相连。其工作原理是:由插排XPL1B①脚输入的幅值约为0.9Vp-p的未校正亮度信号,经电容CL01耦合及电阻RL06、RL05分压后,加到由RL01、RL02、RL04、CL02、VL02组成的共基极放大电路中的VL02发射极。该放大电路中RL01是集电极负载电阻,RL02、RL04是基极偏置电阻,CL02是滤波电容,其作用是使VL02基极交流接地,而确保VL02放大器构成共基极放大电路。经共基极放大电路放大,并由其集电极输出的幅值约1.6Vp-p的亮度信号,直接加到射随器VL01的基极,则VL01射极输出的未校正亮度信号分成两路:一路经CL04交流隔直耦合加到集成电路DQL10(AN5342K)的亮度信号水平轮廓校正与细节校正电路的输入端{25}脚,这样加到{25}脚的未校正亮度信号中无直流成分,以便集成块DQL10内部电路进行核化降噪;另一路经RL08送到由CL03、LL05、CL23组成的高通滤波器微分电路,从中取出的反映图像细节和轮廓大小不同的信号,加到集成块DQL10的动态清晰度控制电路的信号输入端②脚。[Page]

长虹C2919PV彩电图像清晰度增强电路原理分析 第23张

  1.水平轮廓校正过程 集成块DQL10{25}脚输入的亮度信号,在集成电路内经过延迟处理后与未经延迟的亮度信号相减,得到的信号从{19}脚输出,再经RL35送到由RL33、CL16、CL19、RL38、LL02、LL03组成的色度信号陷波器。该陷波器的陷波特性受开关管VL07工作状态控制;而VL07又受从插排XPL1B⑧脚输入的来自主板上的“NTSC/OTHER”开关信号的控制。即当接收的彩色视频信号的彩色副载波频率为3.58MHz时,“NTSC/OTHER”控制信号为高电平,此控制信号经VL08倒相后输出低电平使VL07截止,于是LL03与LL02串联接地,等效电感增大,频率降低,迫使色度信号陷波器频率为3.58MHz,即工作在NTSC制状态;反之,当接收的彩色视频信号的彩色副载波频率为4.43MHz时,“NTSC/OTHER”控制信号为低电平,则VL08截止,使其集电极输出高电平,致使开关管VL07饱和导通,则LL03被旁路,等效电感量减小,频率升高,迫使色度信号陷波器频率为4.43MHz,即工作在PAL制等其它制式状态。经陷波器滤去残留色度信号后的亮度信号经RL34、CL15耦合到集成块DQL10{17}脚,在集成电路内部经延迟、核化降噪和逻辑运算后从⑨脚输出,再经电阻RL61送到由CL28、LL06、CL30组成的高通滤波器进行微分处理。被微分后的信号送回到DQL10{11}脚,经内部限幅处理后形成开关脉冲信号,用以控制内部开关选择输出电路。开关电路输出的亮度校正信号与延迟处理未校正的亮度信号送到集成块内加法器电路进行运算后,形成亮度水平轮廓校正信号,完成亮度信号水平轮廓校正功能。
  2.亮度动态细节校正过程 集成块DQL10{25}脚输入的未校正亮度信号,进入集成电路内的亮度检测电路,由亮度检测电路检测出亮度信号的平均亮度控制电平,并将其送到增益控制电路,用以控制增益控制电路的增益。另外,DQL10{17}脚输入的经色度陷波后的亮度信号,在集成块内经延迟,相减及核化降噪处理后,也送到增益控制电路,通过对增益电路的增益控制,完成亮度信号的动态细节校正功能。
  3.动态清晰度控制过程 集成块DQL10②脚输入的反映图像亮度信号细节的微分信号,在集成电路内部分成两路:一路经限幅、全波整流后,送到增益控制电路;另一路经核化降噪、全波整流后送到增益控制电路。这两路增益控制输出信号相减后,经平滑滤波,送到细节校正电路的增益控制电路,以控制细节校正电路的输出信号的大小,继而实现细节校正的动态控制之目的。
  4.校正后的亮度信号处理过程 经水平轮郭校正电路进行轮廓校正和动态清晰度细节校正电路处理后产生的轮廓校正信号和细节校正信号,在加法器电路相加得到校正后的亮度信号。这一亮度信号分两路输出:一路经集成电路内清晰度调整电路处理与放大后从{15}脚输出已校正的亮度信号;另一路经VM峰值控制电路处理后从{14}脚输出。
  集成块DQL10{15}脚输出的幅值约0.8Vp-p已校正亮度信号经RL70送到VL22的基极,经射随放大后从VL22射极输出,经低通滤波器WL01限制高频噪声后由VL23射随输出,再由CL31、RL65耦合到共射极放大器VL13的基极,经VL13放大后从射极输出,经RL78送到射随器VL15的基极,由VL15射极输出的亮度信号经CL34耦合到由RL82、CL37、RL94、RL90及开关管VL19组成的基极补偿电路。该补偿电路的时间常数受开关管VL19工作状态控制,而VL19的工作状态又受插排XPL18⑧脚输入“NTSC/OTHER”信号电平控制,即当接收视频信号彩色制式为NTSC制时,XPL1B⑧脚输入的“NTSC/OTHER”电平为高电平,此电平加到场效应管VL19的G极,使VL19饱和导通,则RL90被短路,使基极补偿电路时间常数减小,以满足NTSC制已校正亮度信号输出的需要;当接收的视频信号彩色制式为非NTSC制(如PAL制)时,XPL1B⑧脚处于低电平,则VL19截止,等效于RL90接入补偿电路,则时间常数增大,以满足已校正的PAL等制式亮度信号输出的需要。从基极补偿电路处理的已校正亮度信号加到由RL87、RL88、CL36、RL86、VL18等组成的共基极放大器输入端VL18的射极,经其放大后从VL18集电极输出到射随器VQL17的基极,则VQL17射极输出幅值约0.9Vp-p的已校正亮度信号经插排XPL1B③脚送入主电路板,继而再送到黑电平扩展电路作进一步处理。[Page]
  5.扫描速度调制(VM)信号处理过程 集成块DQL10{14}脚输出的已校正亮度信号,经RL37送到由CL12、CL11、LL01、LL08组成的高通滤波器电路,该滤波器的高端载止频率受开关管VL21的工作状态控制,而VL21的工作状态又受从插排XPL1B⑧脚输入的与亮度信号制式有关的“NTSC/OTHER”控制信号控制(“NTSC/OTHER”控制信号是由视频解码集成电路NQ501——TA8783N{48}脚根据接收信号的彩色制式决定而输出高、低电平)。当“NTSC/OTHER”控制信号为高电平时,倒相器VL08饱和导通,则VL21截止,等效于电感LL08接入高通滤波器,电路工作在NTSC制方式;当“NTSC/OTHER”控制信号为低电平时,VL08截止,使VL21饱和导通,LL08被短路,则滤波器高端截止频率增高,使之适用于PAL等制式亮度信号的处理。已校正的亮度信号经高通滤波器微分处理后,得到反映图像轮廓的正负相间的脉冲信号,即速度调制所需的微分信号从集成块DQL10{23}脚送回集成电路内,经限幅放大、速度调制开关选通控制后,从{21}脚输出速度调制VM激励脉冲信号,再经RL39加到射随器VQL20的基极,则其射极输出幅度约2Vp-p的速度调制脉冲信号由RL93、插排XPL4A(XPL4B){13}脚送到VM输出驱动电路板作进一步处理,最后输出驱动信号控制VM线圈的电流,完成扫描速度调制作用。
  另外,集成块DQL10{21}脚输出信号的幅度受DQL10{22}脚输入电平的控制;若改变{22}脚输入的直流电平,就可调节内部限幅电路的限幅电平,继而调节扫描速度调制量的大小,改变图像勾边程度,实现VM作用的动态控制。该机实际电路中,{22}脚基准直流电平是通过电阻RL25、RL24对9V电源分压获得,其动态直流电平受VM输出电路的负反馈电压控制;DQL10{20}脚是扫描速度调制通/断控制端,其开关控制信号YS来自主电路板,并通过插排XPL1A(XPL1B)⑥脚输入到DQL10{20}脚。当屏幕有字符显示或PIP(画中画)显示时,YS(字符消隐脉冲)信号处于高电平,即DQL10{20}脚输入高电平,使内部开关电路关断,停止速度调制信号输出;当屏幕图像无字符或PIP显示时,YS信号处于低电平,则DQL10{20}脚内部开关电路接通,使{21}脚有正常受控速度调制激励信号输出。DQL10{13}脚是VM峰值控制端,其控制信号来自插排XPL1B⑤脚输入的场逆程脉冲,经CL33耦合、RL77与RL75分压加到倒相放大器VL14的基极,经倒相放大后加到DQL10{13}脚,以控制VM校正信号的峰值;VL14基极外接的二极管VDL02的作用是保证输入的场逆程脉冲不出现负电压。

版权声明:本文为转载文章,版权归原作者所有,欢迎分享本文,转载请保留出处!