由于夏普LCD-46LX430电视的维修手册没有电源板及背光部分的电路图,而该电路又工作在高电压、大功率下,是故障的高发部位,因此给维修造成很大困难。为此,笔者实绘了该机电源板及部分电路的电路图,供大家维修时参考。
因为该机的屏幕尺寸大,整机耗电量超过100W ,因此按国家规定设计有PFC电路,PFC电路U7001芯片采用了8脚FAN7530, 主开关电源U7002芯片为FAN7602,背光芯片U7003为BD9211F。
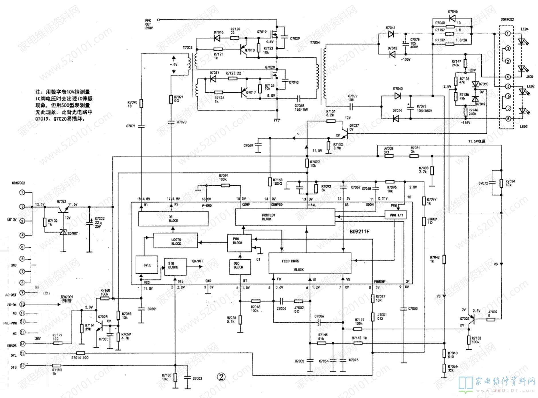
一、夏普46LX430电源板电路图(见图1)
1、PFC电路
PFC电路主要由U7004 (FAN7530)、 储能电感L7002、大功率开关管Q7005组成。在待机状态时,因为主开关电源不工作,FAN7530的⑧脚vcc端没有供电,PFC电路不工作;在电视机正常开机状态时,主开关电源产生14V电源电压加到FAN7530的⑧脚,PFC电路进入工作状态。
220V市电经BD7001桥式整流得到100Hz的全波脉动电压,加到储能电感L7002主绕组的左端,主绕组的右端接开关管Q7005的D极。D7007是续流二极管,C7021/C7023是滤波大电解电容。C7021 两端输出385V的PFC电压加到主开关电源电路。FAN7530的⑦脚输出PFC驱动脉冲,经Q7001放大加到Q7005的G极。当加到G极的是正脉冲时开关管导通,给储能电感L7002充入电能。电流的回路:整流桥正端->L7002 主绕组->Q7005的D极->S极->电流取样电阻R7052->地->整流桥的负极。上述电流把220V市电的电能储存在L7002中;FAN7530的⑦脚输出的正驱动脉冲下跳到0v时, Q7005的G极同步为0V ,开关管进入截止状态,由于L7002储能极性发生变化,变成右端为正左端为负的感应电压,此时产生的电流回路:L7002的右端->D7007->C7021/C7023->地->整流桥的负极->整流桥的正极->L7002主绕组的左端,通过该电流把L7002储存的电能泄放后提供给负载。上述电流给 PFC大电解C7021/C7023充电后为上正下负的385V电压,为后面的主开关电源供电。
当FAN7530的⑦脚输出高电平时,经电阻R7042(22Ω)、D7008加到Q7005的G极,因为R7042阻值小,D7008导通时内阻更小,因此⑦脚可以给Q7005的G极提供很大的灌电流,很快地打开Q7005 ,使开关管的开启损耗很小。当芯片的⑦脚输出低电平时,⑦脚外接的Q7001饱和导通,e-c极间的内阻很小,Q7005的G极分布电容上存储的电荷通过R7049、Q7001的e-c极到地,快速泄放,从而快速关断开关管,减小开关管的关断损耗。
开关管的过流保护:Q7005的电流流经R7052到地,在该电阻上产生与开关管电流成正比的电压,作为开关管电流取样电压加到FAN7530的过流保护Cs端④脚。当开关管的电流过大,④脚的电压上升到0.8V时,芯片内部的过流保护电路动作,关断⑦脚的驱动输出,防止烧坏零件。
PFC电路的输出电压加到PFC取样电路:R7081、R7024~R7026、R7030,在R7030上产生的压降作为PFC取样误差电压加到反相输入端芯片的①脚。当PFC输出电压高于385V时,①脚的取样电压也同比升高,在芯片内部经过误差电压放大后经接在③脚外部的R、C元件的频率补偿提高PFC电路工作的稳定性,在芯片内部减小⑦脚输出驱动脉冲的宽度,Q7005导通宽度变窄I7002储存的电能变少,从而使PFC输出电压降回到标准值。
芯片②脚外接的电阻,用于设定PFC电路驱动脉冲的工作频率。
芯片的⑤脚是过零检测输入端。在开关管截止、储能电感L7002向负载放电时,L7002的辅助绕组左端感应电压为正,经R7043加到⑤脚,通过芯片内部逻辑电路的作用,维持⑦脚输出低电平,保持开关管的截止,让L7002中储存的电能连续地向负载供电。当L7002中储存的电能向负载泄放完成时,L7002辅助绕组左端的正极性感应电压要消失下降到0V,该电压恰好下降到0点时,⑤脚内部的过零点检测电路检测到芯片内部的逻辑电路,将从⑦脚再一次输出正驱动脉冲的前沿(脉冲的上跳沿)加到Q7005的G极,让开关管再次导通。因为开关管的导通时刻是发生在L7002中电流为零的时刻,因此开关管的开启损耗最小,从而提高了PFC电路的效率,降低了开关管的功耗。
PFC电路正常工作时,FAN7530各脚电压:①脚:2.4V;②脚:2.8V;③脚:1.5V;④脚:0V;⑤脚:3.3V;⑥脚:0V;⑦脚:4.2V ;⑧脚:14V。
2、主开关电源电路
主开关电源电路主要由振荡芯片U7001(FAN7602)、开关管Q7003、变压器T7001、稳压光耦U7003、开机光耦U7002等组成。
FAN7602:①脚:IUVP市电欠压保护,当220V电源电压低于150V时停止芯片的振荡,开关电源停止工作,防止烧坏开关管。②脚:LATCH/PLIMIT锁定、功率限制,该脚外接主开关电源变压器的辅助绕组整流后的电压,如果开关电源变压器过压,则辅助绕组产生的电压也同步升高,引起②脚的电压超过4V时芯片内部的锁定电路启动,关断⑤脚的驱动输出,开关电源停止工作,防止击穿零件。只有当芯片⑥脚的vcC供电下降到低于5V时,这个保护才会自行消除。③脚:cS/FB.③脚有两个功能,-是开关管过流检测输入,二是稳压反馈输入端。④脚:芯片的接地脚,也是控制信号电路的地。⑤脚:DR,大功率开关管的驱动输出,当这个脚输出正驱动脉冲时可以输出450mA灌电流,快速接通开关管Q7003。⑥脚:vCC供电端,为芯片内部电路供电。⑦脚:空脚。⑧脚:vSTR或称HV。在芯片启动期间,外部电路提供的启动电流从⑧脚进入IC,为IC内部的电路供电。启动之后⑧脚内部的开关断开,⑧脚被悬空。
(1)开关电源的启动
在IC的⑧脚、⑥脚内部有-个专门用于启动的开关,启动期间开关闭合,PFC电路输出的385V电压,经过R7013、R7014、R7015加到⑧脚VSTR启动端,给芯片⑥脚vCC端外接的22uF电解电容以0.9mA的电流充电,使⑥脚的电压逐渐升高,作为芯片内部振荡电路的供电电压。芯片启动15ms后,22uF电容上的vCC电压达到12V,开关电源进入常态工作,⑧脚内部的启动开关断开,开关电源变压器T7001辅助绕组产生的感应电压经R7040.R7039.D7006整流,C7020滤波得到的18.5V供电经Q7013.Q7001稳压得到15V供电,为⑥脚内部电路供电。辅助绕组供电的电流远远大于启动电路0.9mA的电流,因此能保证芯片长期稳定的工作。如果辅助绕组不能为⑥脚供电,而启动电路因为串联限流电阻R7013、R7014、R7015(约30k )阻值太大,提供给芯片的启动电流太小仅0.9mA ),不足以维持芯片的长期工作,一旦芯片内部电路开始工作就会把⑥脚的vCC电压逐渐拉低,当低于8V时芯片就停止振荡,随后因为⑧脚启动电路对⑥脚外接的22uF电容的充电,⑥脚电压又开始逐渐升高到12V,IC又开始振荡,如此反复,这就是维修人员在检修时发现⑥脚电压不停波动的原因。
FAN7602的工作频率是65kHz。在待机状态时,主开关电源的负载很轻,开关电源不必要工作在大电流模式,为了降低功耗,让芯片进入低功耗的间歇振荡状态,此时测量主开关电源的输出电压是波动的。当⑥脚外接的22uF电容容量变小或失效时,主开关电源就会变得启动困难或不能启动,此时测得⑥脚电压为周期性的波力。
(2)过载保护
当主开关电源出现负载电流过大时,必然会引起开关电源输出电压下降,经过输出电压的取样和误差放大后加到③脚的反馈电压也同比下降。当③脚的电压低于50mV时,③脚内的比较器输出高电平加到22ms定时器,如果在22ms时间内③脚反馈电压持续偏低,定时器输出过载保护OLP信号,停止芯片⑤脚输出开关管的驱动信号,开关电源变压器停止工作,从而防止长时间过载烧坏开关电源。
(3) 市电欠压保护电路
当市电220V电源电压降低时,为了保持开关电源输出给主板和背光电路的电源电压不下降,开关电源就要增加开关管的导通时间宽度,因为开关管的负载是开关变压器的初级绕组,是一个大电感,因此开关管的电流是随导通时间宽度呈线性增长的。当220V市电降低较多时,开关电源中Q7003电流会变得很大,会烧坏开关管。为此,应当在220V下降到一定值时停止开关电源的工作,防止过流损坏开关管。在电视机通上220V电源,PFC电路还没有启动前,220V的市电经D7002整流和C7021 C7023滤波得到全波脉动电压,此电压经D7015、R7085、R7086、R7087加到芯片U7001的欠压检测输入端①脚。当①脚的取样电压低于2V时,比较器输出高电平启动欠压保护电路,关断芯片⑤脚输出的驱动,让开关电源停止工作,从而防止烧坏Q7003的可能性。
(4)芯片供电过压保护
在供电的⑥脚内部有一个oVP过压比较器,当芯片的供电超过19V时,输出过压保护高电平oVP关断芯片⑤脚的驱动输出,开关电源停止工作,防止击穿零件。当开关电源失控不稳压时,才会出现开关电源变压器T7001辅助绕组提供给芯片⑥脚的供电过压。因此,该电路也能有效地防止T7001次级输出过压损坏主板的可能性。
开关电源正常工作时,在开关变压器T7001的辅助绕组上产生的感应电压,经R7040、R7039、D7006、C7020整流滤波得到18.5V 的电压,经R7077、25V稳压管ZD7077加到芯片的②脚。因为该电压低于25V,因此ZD7077不导通,不影响芯片的正常工作。当开关电源失控输出电压异常升高时,辅助绕组整流后的电压也同步升高,C7070上电压超过25V时,ZD7077齐纳击穿,芯片②脚电压超过4V,启动保护电路关断⑤脚的驱动脉冲输出,防止击穿损坏零件。
(5)主开关电源芯片U7001的供电
T7001辅助绕组经D7006整流、C7020滤波得到的18.5V电压,先经Q7013、ZD7008稳压电路,从e极输出17.5V电压,加到Q7001、ZD7004组成的稳压电路;从e极输出15V的电源电压,加到主开关电源芯片U7001的⑥脚为vcC供电。
(6)PFC芯片U7004的供电
光耦U7002是启动PFC电路的开机光耦,其④脚供电来自Q7001 e极输出的15V电源,①脚的供电来自于开关电源变压器次级输出的UR13V。当主板送到电源板的电源开指令PS-ON为高电平时,经D7011、R7070加到Q7009的基极,该管导通,光耦发光,从③脚输出高电平加到Q7002的基极,Q7002导通。Q7002的c极是来自Q7001 e极输出的15V电源,从Q7002的e极输出14V电源电压,为PFC芯片U7004的⑧脚vCC端供电,PFC电路进入工作。
由上分析可看出,PFC电路的工作受控于主板送来的PS-ON指令:-是受控于主板来的开机指令,当主板来的PS-ON为高电平时,Q7009 导通,光耦U7002导通,Q7002导通,为PfC芯片U7004供电,开启PFC电路;二是受控于主开关电源,因为PFC芯片的供电14V来自于主开关电源辅助绕组产生的15V供电。如果主开关电源T7001不工作,那么PFC电路L7002肯定也不工作。
(7)主开关电源的稳压过程
主开关电源变压器的次级产生的感应电压,经D7010、C7031/C7035整流滤波得到UR13V电源电压给整机供电。该电压经R7061、R7065分压电阻取样,R7065上端分得的取样电压加到误差放大器U7006的输入端,控制稳压光耦U7003内发光管的电流,从而达到稳压反馈的目的。T7001输出的UR13V电源电压,经R7060为光耦U7003内发光管正极供电,Q7001e极输出的15V通过R7022为光耦U7003光敏管④脚供电。当UR13V输出电压高于标准值时,R7065上的取样电压同比升高,U7006控制极电压升高,光耦U7003内发光变强,其③脚电压升高,U7001的③脚反馈电压升高,⑤脚输出驱动正脉冲宽度变窄,开关管Q7003导通变窄,T7001储能变少,次级输出的UR13V降回到标准值。
(8)主开关电源的开机、待机控制
该机型没有专门的待机用副电源,主开关电源兼做待机电源,即在待机时由主开关电源作为待机电源使用,此时主开关电源输出的UR13V降到7.8V,为主板内的微处理器供电。其控制过程是:当主板发出待机的指令时, PS-ON从开机时的3V降到OV加到D7011的正极,Q7009的基极为0V而截止,Q7012、Q7010截止,R7064下端到地开路,此时分压取样的下电阻仅由R7065一个电阻构成,分得的取样电压高,U7006控制极电压升高,导通电流变大,U7003内阻变小,U7001的③脚电压升高,芯片⑤脚输出正驱动脉冲宽度变窄,Q7003导通变窄,T7001储能变少,次级输出的UR13V降到7.8V。而当PS-ON是高电平3.3V时,D7011导通,Q7009、Q7012、Q7010导通,R7064下端通过Q7010接地,R7064与R7065并联,取样电阻变小分压取样电压降低, U7006控制极电压下降,U7006电流变小,U7003内阻变大, U7001的③脚电压降低,⑤脚输出的正驱动脉冲增宽,开关管导通时间增宽,T7001储能增多,次级输出电压由待机时的7.8V升高到标准值13V。
二、夏普46LX430背光电路板图(见图2)
背光电路的芯片型号是LED背光驱动BD9211F。各脚名称及功能见表1。

1、背光芯片的供电
主开关电源产生的UR13V电源电压加到Q7023的c极,Q7023与ZD7001组成12V稳压电路,从Q7023的e极输出的11.5V电源电压加到背光芯片BD9211的①脚VCC端,背光芯片得到供电开始工作。
主板发出的背光ON高电平指令,通过排插CON7002的16脚,R7180加到芯片的STB端②脚,在芯片内部得到ON指令,背光电路开始工作。主板送来的背光调光电压OFL,通过R7014、R7097接入10脚,调节背光驱动脉冲串的占空比,从而控制背光的亮度。
当背光电路发生过压、过流保护时,从芯片13脚输出FAIL(背光故障指示高电平),经R7058加到Q7028 的b极,该管导通,从c极输出ERROR低电平送到主板微处理器,通知主板:背光电路发生故障。
IC 17、18脚输 出正负有一定相位延时的驱动脉冲加到T7002的初级,在两个次级产生幅度相等极性相反的驱动脉冲,分别加到推挽大功率管Q7019、Q7020的G极,因为驱动脉冲的极性相反,因此这两个大功率管一个导通时,另一个截止有一定死区延时,以防止两个驱动脉冲同一极性,造成上管与下管同时导通,使PFC电压因为两个管子的同时导通而短路到地,产生很大的直通电流,烧坏两个大功率管及PFC电源。这两个串联的大功率管,只要有一个管子击穿,另一个也会随之马上烧坏。
当上管导通、下管截止时,产生如下的电流:PFC电源->Q7019-> T7004->C7058->地,在T7004初级产生上正下负的电压。上述电流经T7007初级给C7058充电(极性是右正左负);当上管截止、下管导通时,C7058放电,放电电流:C7058右侧->T7004->Q7020->C7058左侧。这一电流在T7004的初级产生下正上负的电压,在次级产生的感应电压经二极管整流为LED灯串供
2、LED灯串的整流供电
该机的背光由两个LED灯串组成:CON7003的①、④脚间接的是LED灯串1,⑤、⑧脚间接的是LED灯串2,由T7004的次级为这两组LED灯串供电。当T7004的次级产生的感应电压为上正下负时,为LED灯串2供电,此时LED灯串的电流如下:L7004的次级上端->D7041->R7040/R7157/R7139->CON7003⑤脚-> LED灯串2正极->负极->CON7003⑧->D7044->C7077->T7004次级的下端,构成电流回路。当T7004的次级为下正上负时,为LED灯串1供电,电流如下:T7004次级的下端->C7077->D7043->R7040/R7139/R7157->cON7003①脚->LED灯串1的正极一负极->CON7003④脚->D7042->T7004次级上端,构成电流回路。
3、灯电流的稳定电路
图2中;L7004的初级线圈与C7058构成一个LC修正串联谐振电路,背光芯片BD9211F产生的激励电压经T7002放大倒相、Q7019/Q7020功率放大,把激励电压加到T7004、C7058串联谐振电路的两端。在设计这个背光电路时,让激励电压的频率与LC的串联谐振频率相接近但有一个频差 ,此电路就构成了一个外激式的开关电源,通过改变这个开关电源激励电压的频率,就可以调节开关电源输出的LED灯串电流的值,使LED灯串电流的值保持恒定。BD9211F和Q7019/Q7020输出的激励电压加到LC串联谐振电路的两端是方波电压,但因为LC串联谐振电路的固有特性,实际在LC串联电路中流动的电流是正弦波,因此,在T7004次级输出的电压也是正弦波。在LC串联电路谐振时,T7004的初级电流最大,T7004次级输出的电压也最高,此时LED灯串的电流会增大。如果我们让激励电压的频率朝着LC串联电路的谐振频率稍稍离开-点,故意让LC串联电路轻度失谐,则T4004初级两端电压下降,次级输出电压降低,LED灯串电流减小,便达到通过改变激励电压频率,调控LED灯串电流的目的。失谐得越远,T7004次级输出电压越低,LED灯串电流越小。
T7004是LED灯驱动变压器,次级输出的交流电压,经D7041~D7044整流,在cON7003的①、④脚间得到-136V的电源电压加在LED灯串1的两端,同样在cON7003的⑤、⑧脚间得到的-136V电压加在LED灯串2的两端,把CON7003的①、⑤脚连接后接整机的冷地,作为LED灯电流取样的参考点。LED灯串1和灯串2的电流流过R7139\R7040\R7157电流取样电阻,在这三只电阻产生的电压作为LED灯电流取样电压,经R7042、R7142、R7145加到背光芯片⑥脚IS输入端,在芯片内部通过逻辑电路控制17、18脚输出激励脉冲的频率,改变Q7019、Q7020输出的激励电压频率,从而改变T7004次级输出的LED灯供电电压,间接地调节LED灯电流,维持LED灯串电流在标准的数值上。当因为环镜温度的原因或是LED灯串供电电压升高而引起LED灯串电流增大时,在R7040左端到地的电压升高,芯片电流取样输入⑥脚同步升高,经过芯片内部逻辑电路的调节,17和18脚输出的激励脉冲的频率同步升高,经Q7019\Q7020驱动放大加在由T7004\C7058的LC串联谐振电路上的激励电压频率同步升高,激励电压的频率朝着远离L-c串联电路固有的谐振频率方向移动,串联电路失谐.L7004次级输出的电压降低,LED灯串得到的供电电压下降,LED灯串电流降回到标准数值。
4、灯电压取样电路
LED灯串1的灯电压取样电路:+11.5V电源电压经过R7034、R7136、R7147、灯串和整机地构成串联分压取样电路。同理,LED灯串2的取样电路:+11.5V电源电压经R7034、R7135、R7146、LED灯串2的负极(-136V)。 上述两灯串电压取样电路,在R7135和R7136的连接点得到2.8V的取样电压,加到Q7025的b极,Q7025的e极11.5V由R7031、R7033分压得到2V电压,因Q7025的b极电压高于e极,因此该管截止,从c极输出0V经R7137加到芯片的⑦脚VS输入端,不影响背光电路的正常工作。当两组LED灯串其中任一串参数发生改变,负载变轻会使T7004次级的电压升高,cON7003的④脚或⑧脚负压升高,R7135\R7136串联点分得的取样电压也将降低直至出现负压,使Q7025导通,从c极输出高电平加到芯片⑦脚,vs取样电压同步升高,通过芯片内部逻辑电路改变17、18脚输出驱动脉冲的频率,使T7004次级输出的电压下降,LED供电电压在正常范围之内。
背光芯片的14脚是LED灯欠压检测输入脚(COMP SD)。在背光电路工作正常时,上面介绍了11.5V电源和两组LED灯串负极的-136V分压电路,LED灯串1在D7050的正极处分得的电压是-20V,同样,D7049的正极处分得的电压也是-20V。很明显,D7050和D7049正极加了-20V电压必定截止,因此这两只二极管负极的连接处是0V电压,加到Q7027的基极,Q7027截止,e极输出0V电压加到芯片的④脚,对背光电路的正常工作不产生任何影响。当T7004次级输出的LED灯供电电压降低时,或是因为某一个或某几个LED灯击穿短路时,LED灯串负极的负压即cON7003的④脚或⑧脚负电压变小,而+11.5V正压不变,使D7050或D7049正极处分得的电压由正常时的-20V升高直至出现正值,在D7050\D7049两管负极连接点出现的正电压加到Q7027的基极,该管导通,从e极输出高电平加到芯片的14脚,引起内部的保护电路动作,关断17和18脚的驱动输出,背光电路停止工作。
三、检修实例
故障现象:开机后红灯有规律的闪烁1次。分析检修:强制开机进入维修模式,发现屏幕上显示5次灯保护记录,将保护记录清除后关机,再次开机,工作正常。用户观看十几天后,故障再次发生。拆开后壳,检查发现电源板上背光大功率MOS开关管Q7019、Q7020击穿,保险丝烧断,更换上述零件,至今工作正常。
